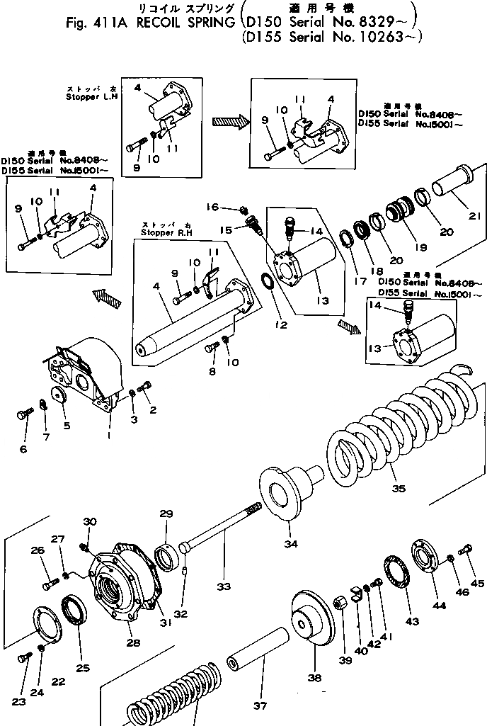
Запчасти Komatsu D150A-1 ПРУЖИНА(№89-) ГУСЕНИЦЫ

Схема запчастей Komatsu D150A-1 - ПРУЖИНА(№89-) ГУСЕНИЦЫ
FIT
1:1
100%

Артикул

Название

Примечание

Количество

1

176-30-44110

YOKE

SN: 8421-UP

2шт.

1

175-30-24118

YOKE

SN: 8329-8420

2шт.

2

01010-32095

BOLT

SN: 6532-UP

16шт.

3

01643-32060

WASHER

SN: 8513-UP

16шт.

3

0

WASHER,SPRING

SN: 5508-8512

16шт.

4

175-30-34210

SHAFT

SN: 5508-UP

2шт.

5

195-30-14151

WASHER

SN: 8160-UP

2шт.

6

01010-32460

BOLT

SN: 8160-UP

2шт.

7

195-30-14160

PLATE

SN: 5508-UP

2шт.

8

01010-31650

BOLT

SN: 8160-UP

8шт.

9

01010-31655

BOLT

SN: 8160-UP

4шт.

10

01643-31645

WASHER

SN: 8513-UP

12шт.

10

0

WASHER,SPRING

SN: 5508-8512

12шт.

11

175-30-34161

STOPPER

SN: 5508-UP

2шт.

11

175-30-34160

STOPPER,L.H.

SN: 8160-8407

1шт.

11

175-30-34170

STOPPER,R.H.

SN: 8160-8407

1шт.

12

07000-15090

O-RING

SN: 5508-UP

2шт.

13

175-30-24223

CYLINDER

SN: .-UP

2шт.

13

0

CYLINDER

SN: 8329-.

2шт.

14

198-30-14420

PLUG

SN: 8408-UP

2шт.

14

0

CAP

SN: 5508-8407

2шт.

15

195-30-13191

LUBRICATOR

SN: 5508-UP

2шт.

16

07020-00000

FITTING,GREASE

SN: 5508-UP

2шт.

17

04064-07525

RING

SN: 5508-UP

2шт.

18

175-30-24242

PACKING

SN: 5508-UP

2шт.

19

170-30-14211

PISTON

SN: 5508-UP

2шт.

20

170-30-14230

RING,PISTON

SN: 5508-UP

4шт.

21

175-30-24361

PLUG

SN: 8329-UP

2шт.

22

175-30-24270

PLATE

SN: 5508-UP

2шт.

23

01010-31225

BOLT

SN: 5508-UP

8шт.

24

01602-01236

WASHER,SPRING

SN: 5508-UP

8шт.

25

07019-00130

SEAL,DUST

SN: 5508-UP

2шт.

26

01010-32460

BOLT

SN: 6091-UP

16шт.

27

01602-02472

WASHER,SPRING

SN: 5508-UP

16шт.

|$34

175-30-00563

COVER ASS'Y

SN: 8513-UP

2шт.

|$35

175-30-00562

COVER ASS'Y

SN: 8329-8512

2шт.

28

0

COVER

SN: 8513-UP

1шт.

28

0

COVER

SN: 8329-8512

1шт.

29

170-30-14221

BUSHING

SN: 5508-UP

1шт.

30

07020-00675

FITTING,GREASE

SN: 5508-UP

1шт.

31

175-30-34261

GASKET

SN: .-UP

2шт.

31

0

GASKET

SN: 5508-.

2шт.

32

04020-01024

PIN

SN: 5508-UP

2шт.

33

175-30-34312

BOLT

SN: 8454-UP

2шт.

33

175-30-34311

BOLT

SN: 5508-8453

2шт.

34

175-30-34140

PILOT

SN: 5508-UP

2шт.

35

175-30-34180

SPRING

SN: 5508-UP

2шт.

36

175-30-34190

SPRING

SN: 5508-UP

2шт.

37

175-30-34320

SLEEVE

SN: 5508-UP

2шт.

38

175-30-34150

PILOT

SN: 5508-UP

2шт.

39

01580-03931

NUT

SN: 8454-UP

2шт.

39

170-30-14351

NUT

SN: 6091-8453

2шт.

40

175-30-34290

PLATE

SN: 8454-UP

2шт.

40

170-30-14312

PLATE

SN: 6144-8453

2шт.

41

01010-31020

BOLT

SN: 8421-UP

2шт.

41

01010-31016

BOLT

SN: 5508-8420

2шт.

42

01602-01030

WASHER,SPRING

SN: 5508-UP

2шт.

43

170-30-14341

GASKET

SN: 5508-UP

2шт.

44

175-30-34331

COVER

SN: 6532-UP

2шт.

45

01010-31235

BOLT

SN: 6532-UP

12шт.

46

01602-01236

WASHER,SPRING

SN: 5508-UP

12шт.

Выбрано товаров: 61