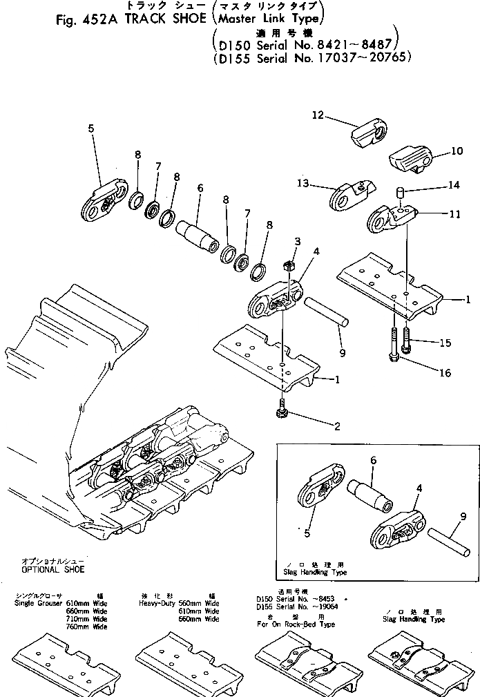
Запчасти Komatsu D150A-1 ГУСЕНИЦЫ (СО СЦЕПНЫМ ЗВЕНОМ)(№8-887) ГУСЕНИЦЫ

Схема запчастей Komatsu D150A-1 - ГУСЕНИЦЫ (СО СЦЕПНЫМ ЗВЕНОМ)(№8-887) ГУСЕНИЦЫ
FIT
1:1
100%

Артикул

Название

Примечание

Количество

|$$1

SINGLE 560MM

-1шт.

|$1

175-32-01604

TRACK SHOE ASS'Y

SN: .-8487

1шт.

|$2

0

TRACK SHOE ASS'Y

SN: 8454-.

1шт.

|$3

0

TRACK SHOE ASS'Y

SN: 8421-8453

1шт.

1

170-32-11115

SHOE,TRACK

SN: 8408-8487

82шт.

2

175-32-11210

BOLT,SHOE (KIT)

SN: 8408-8487

312шт.

3

178-32-11220

NUT, SHOE (KIT)

SN: 8408-8487

312шт.

|$7

175-32-00154

TRACK LINK ASS'Y

SN: .-8487

1шт.

|$8

0

TRACK LINK ASS'Y

SN: 8454-.

1шт.

|$9

0

TRACK LINK ASS'Y

SN: 8421-8453

1шт.

4

178-32-11121

LINK,TRACK, L.H.

SN: 8454-8487

78шт.

4

0

LINK,TRACK, L.H.

SN: 8408-8453

78шт.

5

178-32-11131

LINK,TRACK, R.H.

SN: 8454-8487

78шт.

5

0

LINK,TRACK, R.H.

SN: 8408-8453

78шт.

6

176-32-11142

BUSHING

SN: 8408-8487

82шт.

7

176-32-11281

SPACER

SN: 8408-8487

164шт.

8

176-32-11291

WASHER

SN: 8408-8487

328шт.

9

176-32-11150

PIN

SN: 8408-8487

82шт.

10

175-32-81125

LINK, MASTER,L.H. PIN SIDE

SN: 8421-8487

4шт.

11

175-32-81135

LINK, MASTER,L.H. BUSHING SIDE

SN: 8421-8487

4шт.

12

175-32-81225

LINK, MASTER,R.H. PIN SIDE

SN: 8421-8487

4шт.

13

175-32-81235

LINK, MASTER,R.H. BUSHING SIDE

SN: 8421-8487

4шт.

14

175-32-81241

PIN,DOWEL

SN: 8421-8487

8шт.

15

175-32-81192

BOLT

SN: .-8487

8шт.

15

0

BOLT

SN: 8454-.

8шт.

15

0

BOLT

SN: 8408-8453

8шт.

16

175-32-81312

BOLT

SN: .-8487

8шт.

16

0

BOLT

SN: 8454-.

8шт.

16

0

BOLT

SN: 8421-8453

8шт.

|$$30

SINGLE 610MM

-1шт.

1

175-32-01614

TRACK SHOE ASS'Y

SN: .-8487

1шт.

1

0

TRACK SHOE ASS'Y

SN: 8454-.

1шт.

1

0

TRACK SHOE ASS'Y

SN: 8421-8453

1шт.

1

175-32-11113

SHOE,TRACK

SN: 8408-8487

82шт.

2

175-32-11210

BOLT,SHOE (KIT)

SN: 8408-8487

312шт.

3

178-32-11220

NUT, SHOE (KIT)

SN: 8408-8487

312шт.

4

175-32-00154

TRACK LINK ASS'Y

SN: .-8487

1шт.

4

0

TRACK LINK ASS'Y

SN: 8454-. 8487

1шт.

4

0

TRACK LINK ASS'Y

SN: 8421-8453

1шт.

|$$40

SINGLE 660MM

-1шт.

1

175-32-01624

TRACK SHOE ASS'Y

SN: .-8487

1шт.

1

0

TRACK SHOE ASS'Y

SN: 8454-.

1шт.

1

0

TRACK SHOE ASS'Y

SN: 8421-8453

1шт.

1

170-32-11332

SHOE,TRACK

SN: 8408-8487

82шт.

2

175-32-11210

BOLT,SHOE (KIT)

SN: 8408-8487

312шт.

3

178-32-11220

NUT, SHOE (KIT)

SN: 8408-8487

312шт.

4

175-32-00154

TRACK LINK ASS'Y

SN: .-8487

1шт.

4

0

TRACK LINK ASS'Y

SN: 8454-.

1шт.

4

0

TRACK LINK ASS'Y

SN: 8421-8453

1шт.

|$$50

SINGLE 710MM

-1шт.

1

175-32-01634

TRACK SHOE ASS'Y

SN: .-8487

1шт.

1

0

TRACK SHOE ASS'Y

SN: 8454-.

1шт.

1

0

TRACK SHOE ASS'Y

SN: 8421-8453

1шт.

1

175-32-11132

SHOE,TRACK

SN: 8408-8487

82шт.

2

175-32-11210

BOLT,SHOE (KIT)

SN: 8408-8487

312шт.

3

178-32-11220

NUT, SHOE (KIT)

SN: 8408-8487

312шт.

4

175-32-00154

TRACK LINK ASS'Y

SN: .-8487

1шт.

4

0

TRACK LINK ASS'Y

SN: 8454-.

1шт.

4

0

TRACK LINK ASS'Y

SN: 8421-8453

1шт.

|$$60

SINGLE 760MM

-1шт.

1

175-32-01644

TRACK SHOE ASS'Y

SN: .-8487

1шт.

1

0

TRACK SHOE ASS'Y

SN: 8454-.

1шт.

1

0

TRACK SHOE ASS'Y

SN: 8421-8453

1шт.

1

175-32-31321

SHOE,TRACK

SN: 8408-8487

82шт.

2

175-32-11210

BOLT,SHOE (KIT)

SN: 8408-8487

312шт.

3

178-32-11220

NUT, SHOE (KIT)

SN: 8408-8487

312шт.

4

175-32-00154

TRACK LINK ASS'Y

SN: .-8487

1шт.

4

0

TRACK LINK ASS'Y

SN: 8454-.

1шт.

4

0

TRACK LINK ASS'Y

SN: 8421-8453

1шт.

|$$70

SINGLE 560MM,HEAVY DUTY

-1шт.

1

175-32-01654

TRACK SHOE ASS'Y

SN: .-8487

1шт.

1

0

TRACK SHOE ASS'Y

SN: 8454-.

1шт.

1

0

TRACK SHOE ASS'Y

SN: 8421-8453

1шт.

1

175-32-31313

SHOE,TRACK

SN: 8408-8487

82шт.

2

176-32-11210

BOLT, SHOE (KIT)

SN: 8408-8487

312шт.

3

178-32-11220

NUT, SHOE (KIT)

SN: 8408-8487

312шт.

4

175-32-00154

TRACK LINK ASS'Y

SN: .-8487

1шт.

4

0

TRACK LINK ASS'Y

SN: 8454-.

1шт.

4

0

TRACK LINK ASS'Y

SN: 8421-8453

1шт.

|$$80

SINGLE 610MM,HEAVY DUTY

-1шт.

1

175-32-01664

TRACK SHOE ASS'Y

SN: .-8487

1шт.

1

0

TRACK SHOE ASS'Y

SN: 8454-.

1шт.

1

0

TRACK SHOE ASS'Y

SN: 8421-8453

1шт.

1

175-32-31410

SHOE,TRACK

SN: 8408-8487

82шт.

2

176-32-11210

BOLT, SHOE (KIT)

SN: 8408-8487

312шт.

3

178-32-11220

NUT, SHOE (KIT)

SN: 8408-8487

312шт.

4

175-32-00154

TRACK LINK ASS'Y

SN: .-8487

1шт.

4

0

TRACK LINK ASS'Y

SN: 8454-.

1шт.

4

0

TRACK LINK ASS'Y

SN: 8421-8453

1шт.

|$$90

SINGLE 660MM,HEAVY DUTY

-1шт.

1

175-32-01674

TRACK SHOE ASS'Y

SN: .-8487

1шт.

1

0

TRACK SHOE ASS'Y

SN: 8454-.

1шт.

1

0

TRACK SHOE ASS'Y

SN: 8421-8453

1шт.

1

175-32-31420

SHOE,TRACK

SN: 8408-8487

82шт.

2

176-32-11210

BOLT, SHOE (KIT)

SN: 8408-8487

312шт.

3

178-32-11220

NUT, SHOE (KIT)

SN: 8408-8487

312шт.

4

175-32-00154

TRACK LINK ASS'Y

SN: .-8487

1шт.

4

0

TRACK LINK ASS'Y

SN: 8454-.

1шт.

4

0

TRACK LINK ASS'Y

SN: 8421-8453

1шт.

|$$100

ON-ROCKBED 560MM

-1шт.

1

175-32-01682

TRACK SHOE ASS'Y

SN: 8421-8453

1шт.

1

170-32-11293

SHOE,TRACK

SN: 8408-8453

82шт.

2

175-32-11210

BOLT,SHOE (KIT)

SN: 8408-8487

312шт.

3

178-32-11220

NUT, SHOE (KIT)

SN: 8408-8487

312шт.

4

175-32-00154

TRACK LINK ASS'Y

SN: .-8487

1шт.

4

0

TRACK LINK ASS'Y

SN: 8454-.

1шт.

4

0

TRACK LINK ASS'Y

SN: 8421-8453

1шт.

|$$108

SLAG HANDLING 560MM

-1шт.

1

175-32-01694

TRACK SHOE ASS'Y

SN: .-8487

1шт.

1

0

TRACK SHOE ASS'Y

SN: 8454-.

1шт.

1

0

TRACK SHOE ASS'Y

SN: 8454-8453

1шт.

1

175-32-01592

TRACK SHOE ASS'Y,FOR HIGH TEMP.

SN: 8421-8453

1шт.

1

170-32-11293

SHOE,TRACK

SN: 8408-8487

82шт.

1

175-32-11371

SHOE,TRACK, FOR HIGH TEMP.

SN: 8408-8453

82шт.

2

175-32-11210

BOLT,SHOE (KIT)

SN: 8408-8487

312шт.

3

178-32-11220

NUT, SHOE (KIT)

SN: 8408-8487

312шт.

4

175-32-00214

TRACK LINK ASS'Y

SN: .-8487

1шт.

4

0

TRACK LINK ASS'Y

SN: 8454-.

1шт.

4

0

TRACK LINK ASS'Y

SN: 8421-8453

1шт.

4

178-32-11121

LINK,TRACK, L.H.

SN: 8454-8487

78шт.

4

0

LINK,TRACK, L.H.

SN: 8408-8453

78шт.

5

178-32-11131

LINK,TRACK, R.H.

SN: 8454-8487

78шт.

5

0

LINK,TRACK, R.H.

SN: 8408-8453

78шт.

6

175-32-11241

BUSHING,LONG TYPE

SN: 8408-8487

82шт.

9

176-32-11150

PIN

SN: 8408-8487

82шт.

10

175-32-81125

LINK, MASTER,L.H. PIN SIDE

SN: 8421-8487

4шт.

11

175-32-81135

LINK, MASTER,L.H. BUSHING SIDE

SN: 8421-8487

4шт.

12

175-32-81225

LINK, MASTER,R.H. PIN SIDE

SN: 8421-8487

4шт.

13

175-32-81235

LINK, MASTER,R.H. BUSHING SIDE

SN: 8421-8487

4шт.

14

175-32-81241

PIN,DOWEL

SN: 8417-8487

8шт.

15

175-32-81192

BOLT

SN: .-8487

8шт.

15

0

BOLT

SN: 8454-.

8шт.

15

0

BOLT

SN: 8408-8453

8шт.

16

175-32-81312

BOLT

SN: .-8487

8шт.

16

0

BOLT

SN: 8454-.

8шт.

16

0

BOLT

SN: 8421-8453

8шт.

|$$137

SINGLE 560MM,HEAVY DUTY, FOR LIMESTONE

-1шт.

1

175-32-01210

TRACK SHOE ASS'Y

SN: 8329-8487

1шт.

1

175-32-31430

SHOE,TRACK

SN: 8329-8487

82шт.

2

176-32-11210

BOLT, SHOE (KIT)

SN: 8329-8487

312шт.

3

178-32-11220

NUT, SHOE (KIT)

SN: 8329-8487

312шт.

4

175-32-00154

TRACK LINK ASS'Y

SN: 8329-8487

1шт.

|$$143

SERVICE KIT

-1шт.

2

175-32-05100

SHOE BOLT AND NUT K.

SN: 8408-8487

1шт.

2

175-32-11210

BOLT,SHOE

SN: 8408-8487

30шт.

3

178-32-11220

NUT, SHOE

SN: 8408-8487

30шт.

2

178-32-05000

SHOE BOLT AND NUT K.,(HEAVY DUTY)

SN: 8408-8487

1шт.

2

176-32-11210

BOLT, SHOE

SN: 8408-8487

30шт.

3

178-32-11220

NUT, SHOE

SN: 8408-8487

30шт.

|$$150

OVERSIZE PARTS

-1шт.

|$$151

0.10MM OVERSIZE

-1шт.

6

176-98-09071

BUSHING

SN: 8408-8487

-2шт.

6

175-98-09112

BUSHING, REGULAR,LONG TYPE

SN: 8408-8487

-2шт.

9

176-98-09010

PIN

SN: 8408-8487

-2шт.

|$$155

0.18MM OVERSIZE

-1шт.

6

176-98-09091

BUSHING

SN: 8408-8487

-2шт.

6

175-98-09123

BUSHING,LONG TYPE

SN: 8408-8487

-2шт.

9

176-98-09030

PIN

SN: 8408-8487

-2шт.

Выбрано товаров: 0