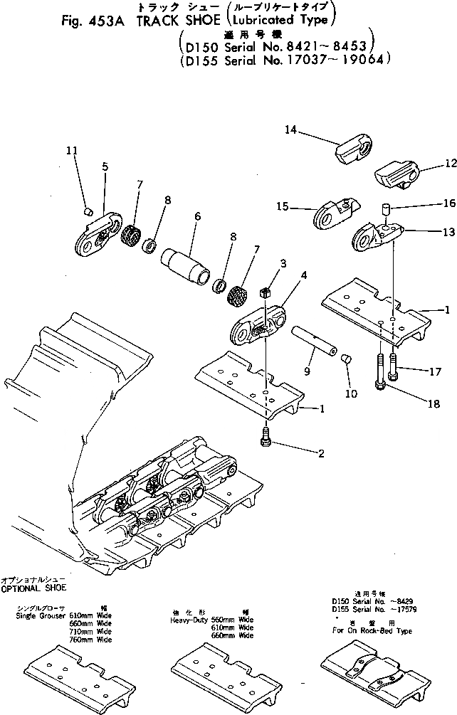
Запчасти Komatsu D150A-1 ГУСЕНИЦЫ (СМАЗЫВ. ТИПА)(№8-8) ГУСЕНИЦЫ

Схема запчастей Komatsu D150A-1 - ГУСЕНИЦЫ (СМАЗЫВ. ТИПА)(№8-8) ГУСЕНИЦЫ
FIT
1:1
100%

Артикул

Название

Примечание

Количество

|$$1

SINGLE 560MM

-1шт.

|$1

175-32-01704

TRACK SHOE ASS'Y

SN: 8454-@

1шт.

|$2

0

TRACK SHOE ASS'Y

SN: 8430-8453

1шт.

|$3

0

TRACK SHOE ASS'Y

SN: 8421-8429

1шт.

1

170-32-11115

SHOE,TRACK

SN: 8408-@

82шт.

2

175-32-11210

BOLT,SHOE (KIT)

SN: 8408-@

312шт.

3

178-32-11220

NUT, SHOE (KIT)

SN: 8408-@

312шт.

|$7

175-32-00116

TRACK LINK ASS'Y

SN: 8454-@

1шт.

|$8

0

TRACK LINK ASS'Y

SN: 8430-8453

1шт.

|$9

0

TRACK LINK ASS'Y

SN: 8421-8429

1шт.

4

178-32-11121

LINK,TRACK, L.H.

SN: 8454-@

78шт.

4

0

LINK,TRACK, L.H.

SN: 8408-8453

78шт.

5

178-32-11131

LINK,TRACK, R.H.

SN: 8454-@

78шт.

5

0

LINK,TRACK, R.H.

SN: 8408-8453

78шт.

6

0

BUSHING

SN: 8408-8453

82шт.

|$$16

(175-32-81141,175-32-81292(2),

-1шт.

|$$17

175-32-81181(2))

-1шт.

7

0

SEAL ASS'Y

SN: 8430-8453

164шт.

|$$19

(175-32-81141,175-32-81292(2),

-1шт.

|$$20

175-32-81181(2))

-1шт.

7

0

SEAL ASS'Y

SN: 8408-8429

164шт.

8

0

SPACER

SN: 8408-8453

164шт.

|$$23

(175-32-81141,175-32-81292(2),

-1шт.

|$$24

175-32-81181(2))

-1шт.

9

175-32-81151

PIN

SN: 8408-@

82шт.

10

198-32-11291

PLUG,LARGE

SN: 8408-@

82шт.

11

198-32-11310

PLUG,SMALL

SN: 8408-@

82шт.

12

175-32-81125

LINK, MASTER,L.H., PIN SIDE

SN: 8421-@

4шт.

13

175-32-81135

LINK, MASTER,L.H., BUSHING SIDE

SN: 8421-@

4шт.

14

175-32-81225

LINK, MASTER,R.H. PIN SIDE

SN: 8421-@

4шт.

15

175-32-81235

LINK, MASTER,R.H. BUSHING SIDE

SN: 8421-@

4шт.

16

175-32-81241

PIN,DOWEL

SN: 8417-@

8шт.

17

175-32-81191

BOLT

SN: 8454-@

8шт.

17

0

BOLT

SN: 8408-8453

8шт.

18

175-32-81311

BOLT

SN: 8421-8453

8шт.

18

0

BOLT

SN: 8421-8453

8шт.

|$$37

SINGLE 610MM

-1шт.

1

175-32-01714

TRACK SHOE ASS'Y

SN: 8454-@

1шт.

1

0

TRACK SHOE ASS'Y

SN: 8430-8453

1шт.

1

0

TRACK SHOE ASS'Y

SN: 8421-8429

1шт.

1

175-32-11113

SHOE,TRACK

SN: 8408-@

82шт.

2

175-32-11210

BOLT,SHOE (KIT)

SN: 8408-@

312шт.

3

178-32-11220

NUT, SHOE (KIT)

SN: 8408-@

312шт.

4

175-32-00116

TRACK LINK ASS'Y

SN: 8454-@

1шт.

4

0

TRACK LINK ASS'Y

SN: 8430-8453

1шт.

4

0

TRACK LINK ASS'Y

SN: 8421-8429

1шт.

|$$47

SINGLE 660MM

-1шт.

1

175-32-01724

TRACK SHOE ASS'Y

SN: 8454-@

1шт.

1

0

TRACK SHOE ASS'Y

SN: 8430-8453

1шт.

1

0

TRACK SHOE ASS'Y

SN: 8421-8429

1шт.

1

170-32-11332

SHOE,TRACK

SN: 8408-@

82шт.

2

175-32-11210

BOLT,SHOE (KIT)

SN: 8408-@

312шт.

3

178-32-11220

NUT, SHOE (KIT)

SN: 8408-@

312шт.

4

175-32-00116

TRACK LINK ASS'Y

SN: 8454-@

1шт.

4

0

TRACK LINK ASS'Y

SN: 8430-8453

1шт.

4

0

TRACK LINK ASS'Y

SN: 8421-8429

1шт.

|$$57

SINGLE 710MM

-1шт.

1

175-32-04315

TRACK SHOE ASS'Y

SN: 8454-@

1шт.

1

0

TRACK SHOE ASS'Y

SN: 8430-8453

1шт.

1

0

TRACK SHOE ASS'Y

SN: 8421-8429

1шт.

1

175-32-11132

SHOE,TRACK

SN: 8408-@

82шт.

2

175-32-11210

BOLT,SHOE (KIT)

SN: 8408-@

312шт.

3

178-32-11220

NUT, SHOE (KIT)

SN: 8408-@

312шт.

4

175-32-00116

TRACK LINK ASS'Y

SN: 8454-@

1шт.

4

0

TRACK LINK ASS'Y

SN: 8430-8453

1шт.

4

0

TRACK LINK ASS'Y

SN: 8421-8429

1шт.

|$$67

SINGLE 760MM

-1шт.

1

175-32-01744

TRACK SHOE ASS'Y

SN: 8454-@

1шт.

1

0

TRACK SHOE ASS'Y

SN: 8430-8453

1шт.

1

0

TRACK SHOE ASS'Y

SN: 8421-8429

1шт.

1

175-32-31321

SHOE,TRACK

SN: 8408-@

82шт.

2

175-32-11210

BOLT,SHOE (KIT)

SN: 8408-@

312шт.

3

178-32-11220

NUT, SHOE (KIT)

SN: 8408-@

312шт.

4

175-32-00116

TRACK LINK ASS'Y

SN: 8454-@

1шт.

4

0

TRACK LINK ASS'Y

SN: 8430-8453

1шт.

4

0

TRACK LINK ASS'Y

SN: 8421-8429

1шт.

|$$77

SINGLE 560MM,HEAVY DUTY

-1шт.

1

175-32-01754

TRACK SHOE ASS'Y

SN: 8454-@

1шт.

1

0

TRACK SHOE ASS'Y

SN: 8430-8453

1шт.

1

0

TRACK SHOE ASS'Y

SN: 8421-8429

1шт.

1

175-32-31313

SHOE,TRACK

SN: 8408-@

82шт.

2

176-32-11210

BOLT, SHOE (KIT)

SN: 8408-@

312шт.

3

178-32-11220

NUT, SHOE (KIT)

SN: 8408-@

312шт.

4

175-32-00116

TRACK LINK ASS'Y

SN: 8454-@

1шт.

4

0

TRACK LINK ASS'Y

SN: 8430-8453

1шт.

4

0

TRACK LINK ASS'Y

SN: 8421-8429

1шт.

|$$87

SINGLE 610MM,HEAVY DUTY

-1шт.

1

175-32-01764

TRACK SHOE ASS'Y

SN: 8454-@

1шт.

1

0

TRACK SHOE ASS'Y

SN: 8430-8453

1шт.

1

0

TRACK SHOE ASS'Y

SN: 8421-8429

1шт.

1

175-32-31410

SHOE,TRACK

SN: 8408-@

82шт.

2

176-32-11210

BOLT, SHOE (KIT)

SN: 8408-@

312шт.

3

178-32-11220

NUT, SHOE (KIT)

SN: 8408-@

312шт.

4

175-32-00116

TRACK LINK ASS'Y

SN: 8454-@

1шт.

4

0

TRACK LINK ASS'Y

SN: 8430-8453

1шт.

4

0

TRACK LINK ASS'Y

SN: 8421-8429

1шт.

|$$97

SINGLE 660MM,HEAVY DUTY

-1шт.

1

175-32-01774

TRACK SHOE ASS'Y

SN: 8454-@

1шт.

1

0

TRACK SHOE ASS'Y

SN: 8430-8453

1шт.

1

0

TRACK SHOE ASS'Y

SN: 8421-8429

1шт.

1

175-32-31420

SHOE,TRACK

SN: 8408-@

82шт.

2

176-32-11210

BOLT, SHOE (KIT)

SN: 8408-@

312шт.

3

178-32-11220

NUT, SHOE (KIT)

SN: 8408-@

312шт.

4

175-32-00116

TRACK LINK ASS'Y

SN: 8454-@

1шт.

4

0

TRACK LINK ASS'Y

SN: 8430-8453

1шт.

4

0

TRACK LINK ASS'Y

SN: 8430-8429

1шт.

|$$107

ON-ROCKBED 560MM

-1шт.

1

175-32-01783

TRACK SHOE ASS'Y

SN: 8421-8429

1шт.

1

0

TRACK SHOE ASS'Y

SN: 8421-8429

1шт.

1

170-32-11293

SHOE,TRACK

SN: 8408-8429

82шт.

2

175-32-11210

BOLT,SHOE (KIT)

SN: 8408-@

312шт.

3

178-32-11220

NUT, SHOE (KIT)

SN: 8408-@

312шт.

4

175-32-00115

TRACK LINK ASS'Y

SN: 8421-8429

1шт.

4

0

TRACK LINK ASS'Y

SN: 8421-8429

1шт.

|$$115

SERVICE KIT

-1шт.

2

175-32-05100

SHOE BOLT AND NUT K.

SN: 8408-@

1шт.

2

175-32-11210

BOLT,SHOE

SN: 8408-@

30шт.

3

178-32-11220

NUT, SHOE

SN: 8408-@

30шт.

2

178-32-05000

SHOE BOLT AND NUT K.,(FOR HEAVY-DUTY)

SN: 8408-@

1шт.

2

176-32-11210

BOLT, SHOE

SN: 8408-@

30шт.

3

178-32-11220

NUT, SHOE

SN: 8408-@

30шт.

Выбрано товаров: 121