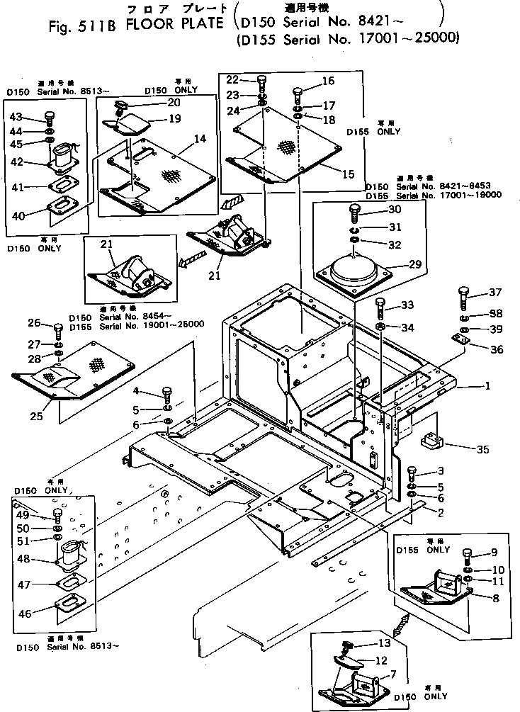
Запчасти Komatsu D150A-1 ПОЛ КАБИНЫ(№8-) ЧАСТИ КОРПУСА

Схема запчастей Komatsu D150A-1 - ПОЛ КАБИНЫ(№8-) ЧАСТИ КОРПУСА
FIT
1:1
100%

Артикул

Название

Примечание

Количество

1

175-54-33112

FRAME

SN: 8421-UP

1шт.

2

175-54-33140

SEAT

SN: 8408-UP

1шт.

3

01011-31400

BOLT

SN: 8421-UP

4шт.

4

01010-31475

BOLT

SN: 8421-UP

4шт.

5

01602-01442

WASHER

SN: 8408-8512

8шт.

6

01643-31445

WASHER

SN: 8408-UP

8шт.

7

170-54-21172

COVER

SN: 8454-UP

1шт.

7

170-54-21171

COVER

SN: 8421-8453

1шт.

8

175-54-33213

COVER

SN: 5507-5507

1шт.

8

175-54-33212

COVER

SN: 5507-5507

1шт.

9

01010-31235

BOLT

SN: 8408-UP

4шт.

10

01602-01236

WASHER

SN: 8408-8512

4шт.

11

01643-31232

WASHER

SN: 8408-UP

4шт.

12

170-54-21181

COVER

SN: 8421-UP

1шт.

13

09459-00000

LOCK

SN: 8408-UP

1шт.

14

170-54-21153

COVER

SN: 8454-UP

1шт.

14

170-54-21152

COVER

SN: 8421-8453

1шт.

15

175-54-33174

COVER

SN: 5507-5507

1шт.

15

175-54-33173

COVER

SN: 5507-5507

1шт.

16

01010-31235

BOLT

SN: 8421-UP

8шт.

17

01602-01236

WASHER

SN: 8421-8512

8шт.

18

01643-31232

WASHER

SN: 8421-UP

8шт.

19

170-54-21161

COVER

SN: 8421-UP

1шт.

20

09459-00000

LOCK

SN: 8408-UP

1шт.

21

175-54-33195

COVER

SN: 8454-UP

1шт.

21

175-54-33194

COVER

SN: 8421-8453

1шт.

22

01010-31235

BOLT

SN: 8421-UP

3шт.

23

01602-01236

WASHER

SN: 8421-UP

3шт.

24

01643-31232

WASHER

SN: 8421-UP

3шт.

25

175-54-33163

COVER

SN: 8454-UP

1шт.

25

175-54-33162

COVER

SN: 8421-8453

1шт.

26

01010-31235

BOLT

SN: 8421-UP

6шт.

27

01602-01236

WASHER

SN: 8421-8512

6шт.

28

01643-31232

WASHER

SN: 8421-UP

6шт.

29

175-54-33232

COVER

SN: 8421-8453

1шт.

30

01010-31230

BOLT

SN: 8421-8453

4шт.

31

01602-01236

WASHER

SN: 8421-8453

4шт.

32

01643-31232

WASHER

SN: 8421-8453

4шт.

33

01017-31610

BOLT

SN: 8421-UP

1шт.

34

01580-01613

NUT

SN: 8421-UP

1шт.

35

175-54-33151

SEAT

SN: 8421-UP

1шт.

36

195-54-23471

PLATE

SN: 8421-UP

1шт.

37

01011-31400

BOLT

SN: 8421-UP

2шт.

38

01602-01442

WASHER

SN: 8421-UP

2шт.

39

01643-31445

WASHER

SN: 8421-8512

2шт.

40

170-54-21280

SEAT,(WITH ROPS CAB)

SN: 8513-UP

1шт.

41

170-54-21270

COVER,(WITH ROPS CAB)

SN: 8513-UP

1шт.

42

170-54-21290

PLATE,(WITH ROPS CAB)

SN: 8513-UP

1шт.

43

01010-31230

BOLT,(WITH ROPS CAB)

SN: 8513-UP

4шт.

44

01602-01236

WASHER,SPRING (WITH ROPS CAB)

SN: 8513-UP

4шт.

45

01643-31232

WASHER,(WITH ROPS CAB)

SN: 8513-UP

4шт.

46

170-54-21221

SEAT,(WITH ROPS CAB)

SN: 8513-UP

1шт.

47

170-54-21211

COVER,(WITH ROPS CAB)

SN: 8513-UP

1шт.

48

170-54-21231

PLATE,(WITH ROPS CAB)

SN: 8513-UP

1шт.

49

01010-31230

BOLT,(WITH ROPS CAB)

SN: 8513-UP

3шт.

50

01602-01236

WASHER,SPRING (WITH ROPS CAB)

SN: 8513-UP

3шт.

51

01643-31232

WASHER,(WITH ROPS CAB)

SN: 8513-UP

3шт.

Выбрано товаров: 57