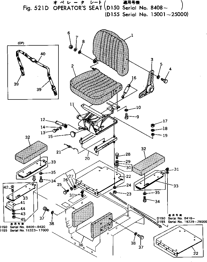
Запчасти Komatsu D150A-1 СИДЕНЬЕ ОПЕРАТОРА(№88-) ЧАСТИ КОРПУСА

Схема запчастей Komatsu D150A-1 - СИДЕНЬЕ ОПЕРАТОРА(№88-) ЧАСТИ КОРПУСА
FIT
1:1
100%

Артикул

Название

Примечание

Количество

|$0

155-57-12104

OPERATOR'S SEAT A.

SN: 8418-UP

1шт.

|$1

0

OPERATOR'S SEAT A.

SN: 8160-8417

1шт.

|$2

155-57-12241

CUSHION ASS'Y

SN: 8341-UP

1шт.

1

155-57-12171

CUSHION

SN: 8341-UP

1шт.

2

198-57-11620

CUSHION

SN: 8418-UP

1шт.

2

0

CUSHION ASS'Y

SN: 8341-8417

1шт.

3

155-57-12181

LEVER

SN: 8341-UP

1шт.

4

07372-21030

BOLT

SN: 8341-UP

4шт.

5

01602-01030

WASHER

SN: 8341-UP

4шт.

6

01580-01008

NUT

SN: 8341-UP

1шт.

7

01602-01030

WASHER

SN: 8341-UP

1шт.

8

01643-31032

WASHER

SN: 8341-UP

1шт.

9

01010-31020

BOLT

SN: 8160-UP

4шт.

10

01602-01030

WASHER

SN: 8160-UP

4шт.

11

155-57-12142

SUSPENSION ASS'Y

SN: 8418-UP

1шт.

11

0

SUSPENSION ASS'Y

SN: 8160-8417

1шт.

12

155-57-12210

HANDLE ASS'Y

SN: 8160-UP

1шт.

13

01010-30612

BOLT

SN: 8160-UP

1шт.

14

01640-00610

WASHER

SN: 8160-UP

1шт.

15

155-57-12221

KNOB

SN: 8418-UP

1шт.

15

0

KNOB

SN: 8160-8417

1шт.

16

155-57-12250

DAMPER

SN: 8160-UP

1шт.

17

01580-01210

NUT

SN: 8160-UP

4шт.

18

01602-01236

WASHER

SN: 8160-UP

4шт.

19

01640-01223

WASHER

SN: 8160-UP

4шт.

20

155-57-12150

ADJUSTER

SN: 8160-UP

2шт.

21

155-57-12260

LATCH WIRE ASS'Y

SN: 8341-UP

1шт.

22

175-57-21562

SEAT

SN: 8418-UP

1шт.

22

0

SEAT

SN: 8408-8417

1шт.

23

01580-01210

NUT

SN: 8160-UP

4шт.

24

01602-01236

WASHER

SN: 8160-UP

4шт.

25

01010-31225

BOLT

SN: 8408-UP

3шт.

26

01602-01236

WASHER

SN: 8408-UP

3шт.

27

01643-31232

WASHER

SN: 8408-8417

3шт.

28

01010-31225

BOLT

SN: 8418-UP

2шт.

28

01010-31430

BOLT

SN: 8408-8417

2шт.

29

01602-01236

WASHER

SN: 8418-UP

2шт.

29

01602-01442

WASHER

SN: 8408-8417

2шт.

30

01643-31445

WASHER

SN: 8408-8417

2шт.

31

09459-00000

LOCK

SN: 8408-8417

2шт.

32

195-57-11711

REST

SN: 8418-UP

2шт.

32

195-57-11710

REST

SN: 8408-8417

2шт.

33

195-57-11722

COVER

SN: 8409-UP

2шт.

33

195-57-11721

COVER

SN: 8408-8408

2шт.

33

0

COVER

SN: 8408-8408

2шт.

34

01010-30825

BOLT

SN: 8418-UP

8шт.

34

01010-30830

BOLT

SN: 8408-8417

8шт.

35

01602-00825

WASHER

SN: 8160-UP

8шт.

36

195-57-11292

CUSHION

SN: 8418-UP

2шт.

36

195-57-11291

SEAT

SN: 8160-8417

2шт.

37

01010-30825

BOLT

SN: 8160-UP

8шт.

38

01602-00825

WASHER

SN: 8160-UP

8шт.

39

195-57-13160

BELT, TETHER

SN: 8363-UP

2шт.

40

195-57-13150

BELT, LAP

SN: 8363-UP

1шт.

41

195-57-11730

SPRING

SN: 8409-8420

2шт.

42

01224-30612

SCREW

SN: 8409-8420

4шт.

43

01602-00619

WASHER

SN: 8409-8420

4шт.

44

01643-30623

WASHER

SN: 8409-8420

4шт.

45

01580-00605

NUT

SN: 8409-8420

4шт.

Выбрано товаров: 59