Запчасти Komatsu D150A-1 МАРКИРОВКА¤ ИТАЛИЯ(№8-8) ЧАСТИ КОРПУСА

Схема запчастей Komatsu D150A-1 - МАРКИРОВКА¤ ИТАЛИЯ(№8-8) ЧАСТИ КОРПУСА
FIT
1:1
100%

Артикул

Название

Примечание

Количество

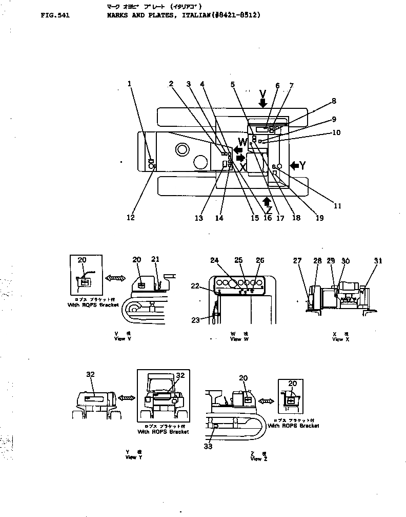
1

09650-60101

PLATE, INSTRUCTION

SN: 8421-@

1шт.

2

09649-61300

PLATE, INSTRUCTION,ENGINE STOP

SN: 8421-@

1шт.

3

175-900-4740

PLATE,TRAVELING ON SLOPE

SN: 8421-@

1шт.

4

09666-06000

PLATE, SAFETY,FIRE PREVENTION

SN: 8421-@

1шт.

5

09173-06000

PLATE, SAFETY,MAINTENANCE

SN: 8421-@

1шт.

6

0

CHART,LUBRICATION

SN: 8421-@

1шт.

7

09653-06000

PLATE, SAFETY,OIL TANK

SN: 8421-@

1шт.

8

09655-61120

PLATE, INSTRUCTION,OIL FILTER

SN: 8421-@

1шт.

9

09671-60683

PLATE, OPERATING,VARIABLE RIPPER LEVER

SN: 8421-8512

1шт.

9

09671-60468

PLATE, OPERATING,RIGID RIPPER LEVER

SN: 8421-8512

1шт.

10

09685-00001

PLATE, OPERATING,RIPPER LEVER LOCK

SN: 8421-@

1шт.

11

09652-61100

PLATE, CAUTION,WATER DRAIN

SN: 8421-@

1шт.

12

09668-06000

PLATE, SAFETY,RADIATOR CAP

SN: 8421-@

1шт.

13

195-98-12920

PLATE, CAUTION,APS CONTROL

SN: 8421-@

1шт.

14

09654-06000

PLATE, SAFETY

SN: 8421-@

1шт.

15

09651-06000

PLATE, SAFETY,BEFORE OPERATING

SN: 8421-@

1шт.

16

09667-06000

PLATE, SAFETY,ENGINE COVER

SN: 8421-@

1шт.

17

09685-00003

PLATE, OPERATING,BLADE LEVER LOCK

SN: 8421-@

1шт.

18

09670-00003

PLATE, OPERATING,FOR STRAIGHT TILT AND U-DOZER

SN: 8421-8512

1шт.

18

09670-00001

PLATE, OPERATING,FOR STRAIGHT AND ANGLE DOZER

SN: 8421-@

1шт.

19

09656-61080

PLATE, INSTRUCTION,FUEL STRAINER

SN: 8421-@

1шт.

20

09691-42150

PLATE, MARK

SN: 8421-@

2шт.

21

09687-60070

PLATE, OPERATING,MAIN CLUTCH LEVER

SN: 8421-@

1шт.

22

09684-61040

PLATE, NAME,OIL FILTER

SN: 8421-@

1шт.

23

09682-61020

PLATE, OPERATING,DECOMP LEVER

SN: 8421-@

1шт.

24

09609-64008

PLATE, NAME,LAMP SWITCH

SN: 8421-@

1шт.

25

09609-64007

PLATE, NAME,PRE-HEATER SWITCH

SN: 8421-@

1шт.

26

09683-61060

PLATE, OPERATING,STARTING SWITCH

SN: 8421-@

1шт.

27

09602-61643

PLATE, NAME,(LIMITED SUPPLY)

SN: 8421-@

1шт.

28

01220-60408

SCREW

SN: 8421-@

4шт.

29

09679-02002

PLATE, OPERATING,HORN SWITCH

SN: 8421-@

1шт.

30

09685-00001

PLATE, OPERATING,PARKING LEVER LOCK

SN: 8421-@

1шт.

31

09685-00002

PLATE, OPERATING,TRANSMISSION LEVER LOCK

SN: 8420-8420

1шт.

32

09692-42150

PLATE, MARK

SN: 8421-@

1шт.

33

09657-06000

PLATE, SAFETY,TRACK ADJUSTING

SN: 8421-@

2шт.

Выбрано товаров: 35