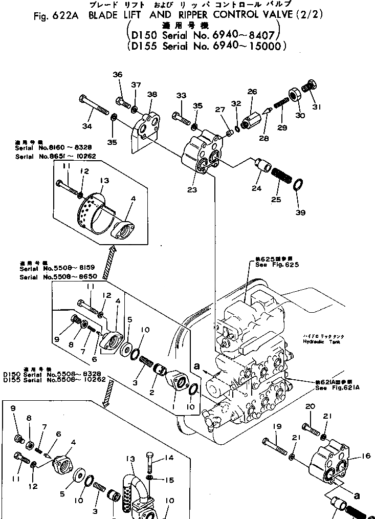
Запчасти Komatsu D150A-1 КЛАПАН ПОДЪЕМА ОТВАЛА И РЫХЛИТЕЛЯ (/)(№9-87) УПРАВЛ-Е РАБОЧИМ ОБОРУДОВАНИЕМ

Схема запчастей Komatsu D150A-1 - КЛАПАН ПОДЪЕМА ОТВАЛА И РЫХЛИТЕЛЯ (/)(№9-87) УПРАВЛ-Е РАБОЧИМ ОБОРУДОВАНИЕМ
FIT
1:1
100%

Артикул

Название

Примечание

Количество

|$0

175-60-00202

TANK ASS'Y

SN: 5508-8407

1шт.

|$$2

THIS ASSEMBLY CONSISTS OF ALL PARTS SHOWN IN FIGS.611, 612, 621, 621A, 622, 622A AND 625.

-1шт.

|$2

701-43-11005

VALVE ASS'Y

SN: 8329-8407

1шт.

|$3

701-43-11004

VALVE ASS'Y

SN: 8160-8328

1шт.

|$4

701-43-11003

VALVE ASS'Y

SN: 6940-8159

1шт.

|$5

701-40-51002

VALVE ASS'Y

SN: 8329-@

1шт.

|$6

701-40-51001

VALVE ASS'Y

SN: 8160-8328

1шт.

|$7

701-40-51000

VALVE ASS'Y

SN: 5508-8159

1шт.

|$8

701-40-00011

HOUSING ASS'Y

SN: 8329-@

1шт.

|$9

0

BODY ASS'Y

SN: 5508-8328

1шт.

1

0

HOUSING

SN: 8329-@

1шт.

1

0

HOUSING

SN: 5508-8328

1шт.

2

0

VALVE

SN: 5508-@

1шт.

3

701-30-51130

SPRING

SN: 5508-@

1шт.

4

701-40-51130

BODY

SN: 5508-@

1шт.

5

701-30-51151

SEAT

SN: 5508-@

1шт.

6

701-30-51160

POPPET

SN: 5508-@

1шт.

7

701-30-51171

SPRING

SN: 5508-@

1шт.

8

701-30-51190

NUT

SN: 5508-@

1шт.

9

701-10-51160

PLUG

SN: 5508-@

1шт.

10

07000-13048

O-RING

SN: 5508-@

2шт.

11

01011-31405

BOLT

SN: 8329-@

2шт.

11

01011-31410

BOLT

SN: 8160-8328

2шт.

11

01011-31405

BOLT

SN: 5508-8159

2шт.

12

01602-01442

WASHER

SN: 5508-@

2шт.

13

701-40-51160

TUBE

SN: 8329-@

1шт.

13

701-40-51150

BAFFLE

SN: 8160-8328

1шт.

14

01010-31030

BOLT

SN: 8329-@

2шт.

15

01602-01030

WASHER

SN: 8329-@

2шт.

|$29

701-40-61001

VALVE ASS'Y

SN: 6940-8407

1шт.

16

701-40-61150

BODY

SN: 6940-8407

1шт.

17

701-40-61120

VALVE

SN: 6940-@

2шт.

18

701-50-61130

SPRING

SN: 6940-8407

2шт.

19

01011-31420

BOLT

SN: 6940-@

2шт.

20

01010-31495

BOLT

SN: 6940-@

2шт.

21

01602-01442

WASHER

SN: 6940-@

4шт.

22

07000-12055

O-RING

SN: 6940-8407

2шт.

|$37

701-40-62001

VALVE ASS'Y

SN: 6940-8407

1шт.

23

701-40-62160

BODY

SN: 6940-8407

1шт.

24

701-40-61120

VALVE

SN: 6940-@

2шт.

25

701-50-61130

SPRING

SN: 6940-8407

2шт.

|$41

701-40-00040

VALVE ASS'Y

SN: 6940-@

1шт.

26

0

BODY

SN: 6940-@

1шт.

27

0

SEAT

SN: 6940-@

1шт.

28

0

POPPET

SN: 6940-@

1шт.

29

0

SPRING

SN: 5508-@

1шт.

30

0

NUT

SN: 5508-@

1шт.

31

0

PLUG

SN: 5508-@

1шт.

32

07000-13028

O-RING

SN: 5508-8407

1шт.

33

01010-31495

BOLT

SN: 6940-@

2шт.

34

701-40-62180

BOLT

SN: 6940-8407

2шт.

35

01602-01442

WASHER

SN: 5508-@

4шт.

36

01010-31450

BOLT

SN: 6940-8407

1шт.

37

01602-01442

WASHER

SN: 6940-@

1шт.

38

701-40-62170

BAFFLE

SN: 6940-8407

1шт.

39

07000-12055

O-RING

SN: 6940-8407

2шт.

Выбрано товаров: 56