Запчасти Komatsu D150A-1 КЛАПАН ПЕРЕКОСА ОТВАЛА(№8-87) УПРАВЛ-Е РАБОЧИМ ОБОРУДОВАНИЕМ

Схема запчастей Komatsu D150A-1 - КЛАПАН ПЕРЕКОСА ОТВАЛА(№8-87) УПРАВЛ-Е РАБОЧИМ ОБОРУДОВАНИЕМ
FIT
1:1
100%

Артикул

Название

Примечание

Количество

|$0

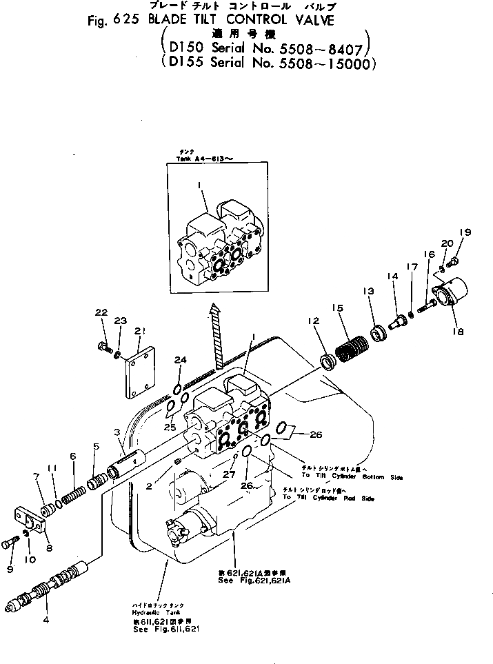
175-60-00202

TANK ASS'Y

SN: 5508-8407

1шт.

|$$2

THIS ASSEMBLY CONSISTS OF ALL PARTS SHOWN IN FIGS.611, 612, 621, 621A, 622, 622A AND 625.

-1шт.

|$2

701-41-11002

VALVE ASS'Y

SN: (A4-613)

1шт.

|$3

701-41-11001

VALVE ASS'Y

SN: 8160-(A4

1шт.

|$4

701-41-11000

VALVE ASS'Y

SN: 5508-8159

1шт.

|$5

701-41-00013

BODY ASS'Y

SN: (A4-613)

1шт.

|$6

701-41-00012

BODY ASS'Y

SN: 8160-(A4

1шт.

|$7

701-41-00010

BODY ASS'Y

SN: 5508-8159

1шт.

1

0

BODY

SN: (A4-613)

1шт.

1

0

BODY

SN: 8651-(A4

1шт.

1

0

BODY

SN: 5508-8159

1шт.

2

07042-00312

PLUG

SN: 5508-8407

1шт.

3

0

COLLAR

SN: 5508-8407

1шт.

4

0

SPOOL

SN: 8160-8407

1шт.

4

0

SPOOL

SN: 5508-8159

1шт.

5

701-41-31130

VALVE

SN: 5508-@

1шт.

6

701-41-31180

SPRING

SN: 5508-@

1шт.

7

701-41-31150

SEAT

SN: 5508-@

1шт.

8

701-51-31171

PLATE

SN: 5508-8407

1шт.

9

01010-31445

BOLT

SN: 5508-8407

2шт.

10

01602-01442

WASHER

SN: 5508-@

2шт.

11

07000-13028

O-RING

SN: 5508-@

1шт.

12

701-43-31180

SPACER

SN: 5508-8407

1шт.

13

701-43-31190

SPACER

SN: 5508-8407

1шт.

14

701-43-31290

COLLAR

SN: 5508-8407

1шт.

15

701-43-31221

SPRING

SN: 8160-@

1шт.

15

701-43-31220

SPRING

SN: 5508-8159

1шт.

16

01010-31290

BOLT

SN: 5508-@

1шт.

17

01602-01236

WASHER

SN: 5508-@

1шт.

18

701-43-31310

CASE

SN: 5508-@

1шт.

19

01252-31235

BOLT

SN: 8160-@

2шт.

19

01010-31235

BOLT

SN: 5508-8159

2шт.

20

01602-01236

WASHER

SN: 5508-@

2шт.

21

701-41-31160

PLATE

SN: 5508-(A4

1шт.

22

01010-31440

BOLT

SN: 5508-(A4

4шт.

23

01602-01442

WASHER

SN: 5508-(A4

4шт.

24

07000-13042

O-RING

SN: 5508-8407

1шт.

25

07000-13038

O-RING

SN: 5508-8407

2шт.

26

701-51-31250

O-RING

SN: 5508-8407

3шт.

27

07000-02015

O-RING

SN: 5508-8407

15шт.

Выбрано товаров: 40