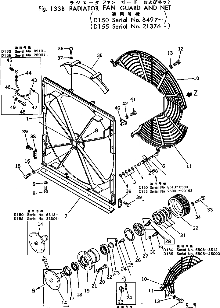
Запчасти Komatsu D150A-1 РЕШЕТКА ВЕНТИЛЯТОРА РАДИАТОРА И NET(№897-) КОМПОНЕНТЫ ДВИГАТЕЛЯ И ЭЛЕКТРИКА

Схема запчастей Komatsu D150A-1 - РЕШЕТКА ВЕНТИЛЯТОРА РАДИАТОРА И NET(№897-) КОМПОНЕНТЫ ДВИГАТЕЛЯ И ЭЛЕКТРИКА
FIT
1:1
100%

Артикул

Название

Примечание

Количество

1

175-03-34410

GUARD

SN: 8513-UP

1шт.

1

0

GUARD

SN: 8497-8512

1шт.

|$2

175-03-00361

COLLAR ASS'Y

SN: 8532-UP

10шт.

|$3

0

COLLAR ASS'Y

SN: 8497-8531

10шт.

2

175-03-32582

COLLAR

SN: 8497-UP

1шт.

3

175-54-27350

SPRING

SN: 8497-UP

4шт.

4

154-30-51460

WASHER

SN: 8532-UP

1шт.

4

0

WASHER

SN: 8497-8531

1шт.

5

175-54-28770

RING

SN: 8497-UP

1шт.

6

01010-31270

BOLT

SN: 8497-UP

10шт.

6A

01643-31232

WASHER

SN: 8512-8530

10шт.

7

175-03-32720

PLATE

SN: 8497-UP

1шт.

8

01010-31225

BOLT

SN: 8497-UP

4шт.

9

01643-31232

WASHER

SN: 8497-UP

4шт.

10

175-03-31288

NET

SN: 8497-UP

1шт.

11

175-03-31296

NET

SN: 8497-UP

1шт.

12

01010-31235

BOLT

SN: 8454-UP

9шт.

13

01643-31232

WASHER

SN: 8454-UP

9шт.

14

175-03-31323

SHAFT

SN: 8513-UP

1шт.

14

0

SHAFT

SN: 8408-8512

1шт.

15

01010-31235

BOLT

SN: 5508-UP

6шт.

16

01602-01236

WASHER,SPRING

SN: 5508-UP

6шт.

17

07011-10090

SEAL

SN: 5508-UP

1шт.

18

06040-06212

BEARING

SN: 5508-UP

1шт.

19

175-03-31542

DRUM

SN: 8408-UP

1шт.

20

01010-31240

BOLT

SN: 8408-UP

6шт.

21

01602-01236

WASHER,SPRING

SN: 8408-UP

6шт.

22

06040-06310

BEARING

SN: 5508-UP

1шт.

23

195-03-11842

HOLDER

SN: 8513-UP

1шт.

23

0

HOLDER

SN: 5508-8512

1шт.

24

195-03-11851

LOCK

SN: 8513-UP

1шт.

24

0

LOCK

SN: 5508-8512

1шт.

25

01010-31030

BOLT

SN: 8408-UP

2шт.

26

195-03-12810

GASKET

SN: .-UP

1шт.

26

0

GASKET

SN: 5508-.

1шт.

27

175-03-34380

COVER

SN: 8513-UP

1шт.

27

195-03-11860

COVER

SN: 5508-8512

1шт.

28

07020-00675

FITTING,GREASE

SN: 5508-8512

1шт.

29

01010-31030

BOLT

SN: 5508-UP

3шт.

30

01602-01030

WASHER,SPRING

SN: 5508-UP

3шт.

31

195-03-11880

SHIM, 1.0MM

SN: 5508-UP

10шт.

32

175-03-41530

PULLEY

SN: 8408-UP

1шт.

32

175-03-32462

PULLEY,(FOR HIGH SPEED FAN)

SN: 8513-UP

1шт.

32

0

PULLEY,(FOR HIGH SPEED FAN)

SN: 8408-8512

1шт.

33

01010-31260

BOLT

SN: 5508-UP

6шт.

34

01602-01236

WASHER,SPRING

SN: 5508-UP

6шт.

35

175-03-31982

COVER

SN: 8409-UP

1шт.

36

01010-31230

BOLT

SN: 8409-UP

2шт.

37

01643-31232

WASHER

SN: 8409-UP

2шт.

38

195-03-13150

CUSHION

SN: 8497-UP

2шт.

39

01010-31020

BOLT

SN: 8497-UP

2шт.

40

175-03-32710

PIN

SN: 8497-UP

1шт.

41

01010-31230

BOLT

SN: 8513-UP

1шт.

41

0

BOLT

SN: 8497-8512

1шт.

42

01602-01236

WASHER,SPRING

SN: 8497-UP

1шт.

43

175-03-34420

TUBE

SN: 8513-UP

1шт.

44

07213-50710

CONNECTOR

SN: 8513-UP

1шт.

45

07020-00000

FITTING,GREASE

SN: 8513-UP

1шт.

46

175-03-34450

CLIP

SN: 8513-UP

1шт.

47

566-16-11970

CLIP

SN: 8513-UP

2шт.

48

01010-50816

BOLT

SN: 8513-UP

3шт.

49

01643-30823

WASHER

SN: 8513-UP

3шт.

Выбрано товаров: 62