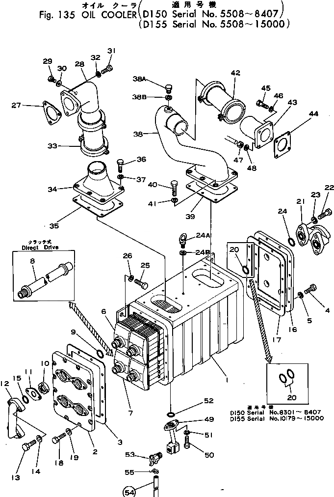
Запчасти Komatsu D150A-1 МАСЛООХЛАДИТЕЛЬ(№8-87) КОМПОНЕНТЫ ДВИГАТЕЛЯ И ЭЛЕКТРИКА

Схема запчастей Komatsu D150A-1 - МАСЛООХЛАДИТЕЛЬ(№8-87) КОМПОНЕНТЫ ДВИГАТЕЛЯ И ЭЛЕКТРИКА
FIT
1:1
100%

Артикул

Название

Примечание

Количество

|$0

175-03-00176

OIL COOLER ASS'Y

SN: 5507-5507

1шт.

|$1

0

OIL COOLER ASS'Y

SN: 5507-5507

1шт.

|$2

0

OIL COOLER ASS'Y

SN: 5507-5507

1шт.

|$3

0

OIL COOLER ASS'Y

SN: 5507-5507

1шт.

|$$5

(175-03-00176,175-03-34155)

-1шт.

|$5

0

OIL COOLER ASS'Y

SN: 5507-5507

1шт.

|$$7

(175-03-00176,175-03-34155)

-1шт.

|$7

170-03-00056

OIL COOLER ASS'Y

SN: 8301-8407

1шт.

|$8

0

OIL COOLER ASS'Y

SN: 7190-8300

1шт.

|$9

0

OIL COOLER ASS'Y

SN: 6843-7189

1шт.

|$10

0

OIL COOLER ASS'Y

SN: 5612-6842

1шт.

|$$12

(170-03-00055,175-03-34155)

-1шт.

|$12

0

OIL COOLER ASS'Y

SN: 5508-5611

1шт.

|$$14

(170-03-00055,175-03-34155)

-1шт.

1

175-03-33113

CASE

SN: 6843-8407

1шт.

1

175-03-33112

CASE

SN: 5508-6842

1шт.

2

175-03-33122

COVER

SN: 5508-8407

1шт.

3

175-03-33130

GASKET

SN: 5508-8407

1шт.

4

01010-31030

BOLT

SN: 5508-8407

12шт.

5

01602-01030

WASHER,SPRING

SN: 5508-8407

12шт.

6

195-03-12121

ELEMENT

SN: 5508-8407

2шт.

7

195-03-12112

ELEMENT

SN: 5507-5507

2шт.

8

175-03-33141

TUBE

SN: 5508-8407

2шт.

9

07000-33030

O-RING

SN: 7190-8407

4шт.

9

0

O-RING

SN: 5508-7189

4шт.

10

195-03-12210

COLLAR

SN: 5508-8407

4шт.

11

195-03-12220

WASHER

SN: 5508-8407

4шт.

12

175-03-33170

FLANGE

SN: 5508-8407

2шт.

13

01010-31040

BOLT

SN: 5508-8407

8шт.

14

01602-01030

WASHER,SPRING

SN: 5508-8407

8шт.

15

07000-33030

O-RING

SN: 7190-8407

4шт.

15

0

O-RING

SN: 5508-7189

4шт.

16

175-03-33183

COVER

SN: 8301-8407

1шт.

16

0

COVER

SN: 5508-8300

1шт.

|$$35

(175-03-33183,175-03-33230(8))

-1шт.

17

175-03-33130

GASKET

SN: 5508-8407

1шт.

18

01010-31030

BOLT

SN: 5508-8407

12шт.

19

01602-01030

WASHER

SN: 5508-8407

12шт.

20

175-03-33230

O-RING

SN: 8301-8407

8шт.

20

07000-33030

O-RING

SN: 7190-8300

4шт.

20

0

O-RING

SN: 5508-7189

4шт.

21

175-03-33220

FLANGE

SN: 5507-5507

2шт.

22

01010-31245

BOLT

SN: 5507-5507

8шт.

23

01602-01236

WASHER

SN: 5507-5507

8шт.

24

07000-33038

O-RING

SN: 5507-5507

4шт.

24

0

O-RING

SN: 5507-5507

4шт.

24A

04530-01222

BOLT

SN: 5612-8407

1шт.

24B

01643-01232

WASHER

SN: 5612-8407

1шт.

25

01010-31645

BOLT

SN: 6091-@

6шт.

25

01040-31635

BOLT

SN: 5508-6090

6шт.

26

01602-01648

WASHER

SN: 5508-@

6шт.

27

195-03-12321

GASKET

SN: 5508-@

1шт.

|$52

175-03-00131

TUBE ASS'Y

SN: 6091-8407

1шт.

|$53

0

TUBE ASS'Y

SN: 5508-6090

1шт.

28

0

TUBE

SN: 5508-8407

1шт.

29

07040-11612

PLUG

SN: 6091-8407

1шт.

29

07040-01612

PLUG

SN: 5508-6090

1шт.

30

07005-01612

GASKET

SN: 5508-@

1шт.

31

01010-31030

BOLT

SN: 5508-@

3шт.

32

01602-01030

WASHER

SN: 5508-@

3шт.

|$60

07332-02400

COUPLING

SN: 8341-@

1шт.

|$61

0

JOINT

SN: 5508-8340

1шт.

33

07332-52400

GASKET

SN: 8341-@

2шт.

33

175-03-34170

GASKET

SN: 5508-8340

2шт.

|$64

07332-62400

CLAMP

SN: 8341-@

2шт.

34

175-03-34121

TUBE

SN: 5508-@

1шт.

35

195-03-12340

GASKET

SN: 5508-@

1шт.

36

01010-31030

BOLT

SN: 5508-@

6шт.

37

01602-01030

WASHER,SPRING

SN: 5508-@

6шт.

|$69

175-03-00012

TUBE ASS'Y

SN: 6091-@

1шт.

|$70

0

TUBE ASS'Y

SN: 5508-6090

1шт.

38

0

TUBE

SN: 5508-@

1шт.

38A

07040-11612

PLUG

SN: 6091-@

1шт.

38A

0

PLUG

SN: 5508-6090

1шт.

38B

07005-01612

GASKET

SN: 5508-@

1шт.

39

195-03-12340

GASKET

SN: 5508-@

1шт.

40

01010-31030

BOLT

SN: 5508-@

6шт.

41

01602-01030

WASHER,SPRING

SN: 5508-@

6шт.

|$78

07332-02400

COUPLING

SN: 8341-@

1шт.

|$79

0

JOINT

SN: 5508-8340

1шт.

42

07332-52400

GASKET

SN: 8341-@

2шт.

42

175-03-34170

GASKET

SN: 5508-8340

2шт.

42

0

CLAMP

SN: 8341-@

2шт.

43

175-03-34142

TUBE

SN: 5508-@

1шт.

44

195-03-12560

GASKET

SN: 5508-@

1шт.

45

01010-31040

BOLT

SN: 5508-@

2шт.

46

01602-01030

WASHER

SN: 5508-@

2шт.

47

01580-01008

NUT

SN: 5508-@

2шт.

48

01602-01030

WASHER

SN: 5508-@

2шт.

49

175-03-34155

TUBE

SN: 6843-8407

1шт.

49

175-03-34154

TUBE

SN: 6091-6842

1шт.

49

175-03-34153

TUBE

SN: 5508-6090

1шт.

50

01010-31030

BOLT

SN: 5508-8407

2шт.

51

01602-01030

WASHER

SN: 5508-8407

2шт.

52

07000-33025

O-RING

SN: 6091-8407

1шт.

52

0

O-RING

SN: 5508-6090

1шт.

53

195-03-13241

VALVE

SN: 6843-@

1шт.

53

195-03-13240

VALVE

SN: 6091-6842

1шт.

53

175-831-1121

VALVE

SN: 5508-6090

1шт.

54

175-03-31530

HOSE

SN: 5508-@

1шт.

54

175-803-3150

HOSE,(FOR SLAG HANDLING)

SN: 5508-@

1шт.

55

04059-01010

WIRE

SN: 5508-@

1шт.

Выбрано товаров: 102