Запчасти Komatsu D150A-1 СИДЕНЬЕ ОПЕРАТОРА С РЕМЕНЬ БЕЗОПАСНОСТИ(№8-8) ОПЦИОННЫЕ КОМПОНЕНТЫ

Схема запчастей Komatsu D150A-1 - СИДЕНЬЕ ОПЕРАТОРА С РЕМЕНЬ БЕЗОПАСНОСТИ(№8-8) ОПЦИОННЫЕ КОМПОНЕНТЫ
FIT
1:1
100%

Артикул

Название

Примечание

Количество

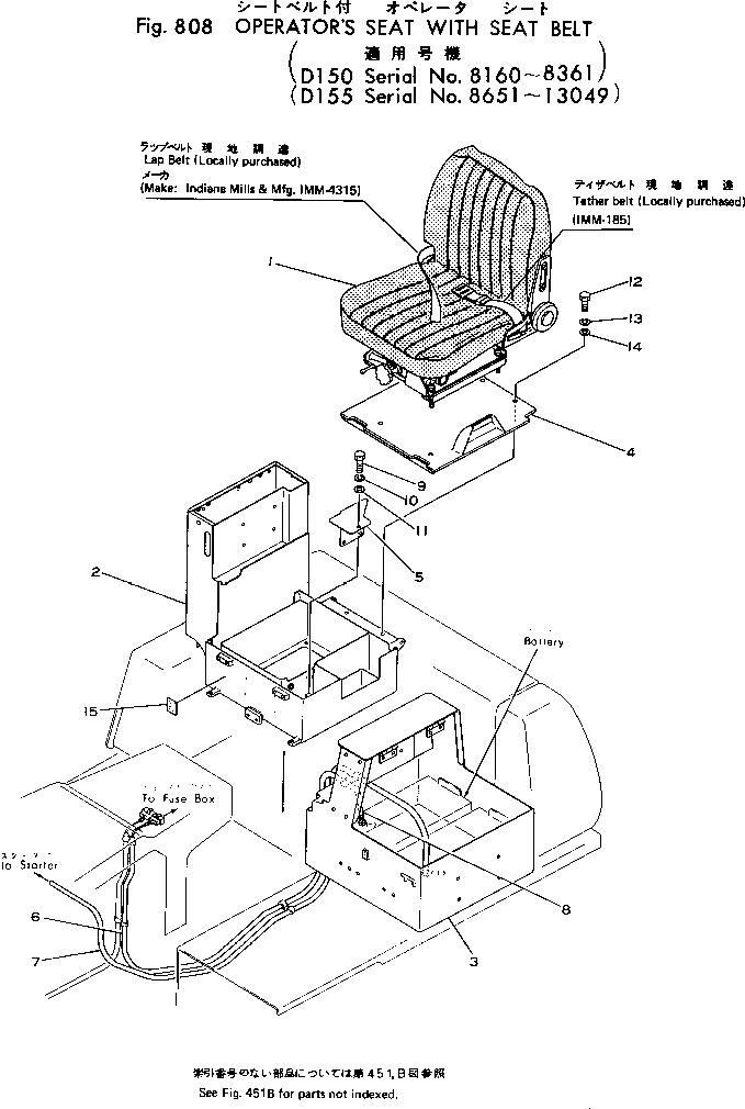
1

155-57-12103

OPERATOR'S SEAT A.

SN: 8160-8361

1шт.

2

195-57-13110

CASE

SN: 8160-8361

1шт.

3

195-57-13140

CASE

SN: 8160-8361

1шт.

4

195-57-13120

PLATE

SN: 8160-8361

1шт.

5

195-06-21540

COVER

SN: 8160-8361

1шт.

6

195-06-21510

WIRE ASS'Y

SN: 8160-8361

1шт.

7

195-06-21520

WIRE ASS'Y

SN: 8160-8361

1шт.

8

195-06-21530

CABLE

SN: 8160-8361

1шт.

9

01010-50816

BOLT

SN: 8160-8361

5шт.

10

01602-20825

WASHER

SN: 8160-8361

5шт.

11

01641-20812

WASHER

SN: 8160-8361

5шт.

12

01010-51235

BOLT

SN: 8160-8361

2шт.

13

01602-21236

WASHER

SN: 8160-8361

2шт.

14

01643-31232

WASHER

SN: 8160-8361

2шт.

15

195-98-12990

PLATE, CAUTION

SN: 8160-8361

1шт.

Выбрано товаров: 15