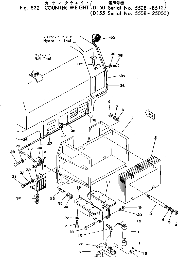
Запчасти Komatsu D150A-1 ПРОТИВОВЕС(№8-8) ОПЦИОННЫЕ КОМПОНЕНТЫ

Схема запчастей Komatsu D150A-1 - ПРОТИВОВЕС(№8-8) ОПЦИОННЫЕ КОМПОНЕНТЫ
FIT
1:1
100%

Артикул

Название

Примечание

Количество

|$0

175-69-00021

COUNTER WEIGHT ASS'Y

SN: 8408-8512

1шт.

|$1

175-69-00020

COUNTER WEIGHT ASS'Y

SN: 5508-8407

1шт.

1

175-69-22111

BRACKET

SN: 5508-8512

1шт.

2

195-69-12121

WEIGHT

SN: 5508-@

7шт.

3

175-69-22140

BOLT

SN: 5508-@

4шт.

4

01580-03024

NUT

SN: 5508-8512

6шт.

5

01601-03075

WASHER

SN: 5508-8512

6шт.

6

01643-03080

WASHER

SN: 5508-8512

6шт.

|$8

175-69-00013

DRAWBAR ASS'Y

SN: 8408-8512

1шт.

|$9

175-69-00011

DRAWBAR ASS'Y

SN: 5508-8407

1шт.

7

0

DRAWBAR

SN: 5508-8512

1шт.

8

09245-50060

HOOK (WELDED)

SN: 5508-8512

1шт.

9

09247-57230

PIN

SN: 8408-8512

1шт.

9

195-69-11222

PIN ASS'Y

SN: 5508-8407

1шт.

10

150-74-11360

CHAIN

SN: 5508-8512

1шт.

11

195-69-11230

BUSHING

SN: 5508-@

2шт.

12

09249-00016

LATCH

SN: 8408-8512

1шт.

12

195-69-11241

LATCH

SN: 5508-8407

1шт.

13

01052-31675

BOLT

SN: 8408-8512

1шт.

13

01052-31665

BOLT

SN: 5508-8407

1шт.

14

01592-01619

NUT

SN: 5508-@

1шт.

15

04050-04030

PIN

SN: 5508-@

1шт.

16

195-69-12140

BRACKET

SN: 5508-8512

1шт.

17

195-69-12150

BRACKET

SN: 5508-8512

1шт.

18

170-69-11143

BOLT

SN: 5508-@

4шт.

19

01580-03326

NUT

SN: 5508-8512

4шт.

20

01601-03382

WASHER

SN: 5508-8512

4шт.

21

01010-32055

BOLT

SN: 5508-8512

12шт.

22

01602-02060

WASHER

SN: 5508-8512

12шт.

23

170-69-11154

STUD

SN: 5508-8512

10шт.

24

195-69-11131

NUT

SN: 5508-8512

10шт.

25

195-69-11140

WASHER

SN: 5508-8512

10шт.

26

175-06-37420

WIRE ASS'Y

SN: 5508-8512

1шт.

27

08036-01814

CLIP

SN: 5508-8512

3шт.

28

01010-31016

BOLT

SN: 5508-8512

1шт.

29

01602-01030

WASHER

SN: 5508-8512

1шт.

30

175-06-33190

COVER

SN: 5508-@

1шт.

31

01010-31440

BOLT

SN: 5508-8512

3шт.

32

01602-01442

WASHER

SN: 5508-8512

3шт.

33

01643-01445

WASHER

SN: 5508-@

3шт.

34

08128-32400

LAMP

SN: 5508-@

1шт.

34

08113-02480

BULB, 80W

SN: 5508-@

1шт.

35

175-06-33210

WIRE ASS'Y

SN: 8329-8512

1шт.

36

08036-01814

CLIP

SN: 8329-8512

4шт.

37

175-06-33181

BRACKET

SN: 8329-8512

1шт.

38

01010-31245

BOLT

SN: 8329-8512

2шт.

40

08128-32400

LAMP

SN: 8329-8512

1шт.

40

08113-02480

BULB, 80W

SN: 8329-8512

1шт.

Выбрано товаров: 48