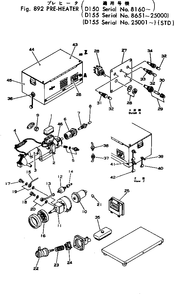
Запчасти Komatsu D150A-1 ПРЕДПУСК. ПОДОГРЕВ(№8-) ОПЦИОННЫЕ КОМПОНЕНТЫ

Схема запчастей Komatsu D150A-1 - ПРЕДПУСК. ПОДОГРЕВ(№8-) ОПЦИОННЫЕ КОМПОНЕНТЫ
FIT
1:1
100%

Артикул

Название

Примечание

Количество

|$0

175-98-22350

PRE HEATER ASS'Y

SN: 8160-UP

1шт.

|$1

MKX51WHK-3/004

HEATER ASS'Y

SN: 8160-UP

1шт.

1

MK12HA-3/221

CAP

SN: 8160-UP

1шт.

2

MK130H-6/220C

CONTROLLER

SN: 8160-UP

1шт.

3

MK2HA-3/215-30

COVER

SN: 8160-UP

1шт.

4

MK12HA-3/215A

RESISTOR

SN: 8160-UP

1шт.

5

MK12HA3/103A

WICK

SN: 8160-UP

1шт.

5

MK180W/217A-10

PACKING

SN: 8160-UP

1шт.

5

MK12HA-3/214

PLUG

SN: 8160-UP

1шт.

6

MKX50WH/102-6

NOZZLE

SN: 8160-UP

1шт.

7

MKX50WH/120-1A

NOZZLE

SN: 8160-UP

1шт.

8

MKX50WH/103

ASBESTOS

SN: 8160-UP

1шт.

9

MK50WH/218A

THERMOSTAT

SN: 8160-UP

1шт.

|$13

MKX50WH/005

SUPPLY UNIT

SN: 8160-UP

1шт.

10

MKX50WH/201

MOTOR

SN: 8160-UP

1шт.

11

MKX50WH/001

PUMP

SN: 8160-UP

1шт.

12

MKX50WH/230

SOLENOID

SN: 8160-UP

1шт.

13

MKX50WH/301

PIPE

SN: 8160-UP

1шт.

14

MKX50WH/303

NIPPLE

SN: 8160-UP

1шт.

15

MKX50WH/304

PIPE

SN: 8160-UP

1шт.

16

MKX50WH/31

BLOWER

SN: 8160-UP

1шт.

17

MK001019

BOLT

SN: .-UP

1шт.

17

MK65HL3/39

BOLT

SN: 8160-.

1шт.

18

MK65HL3/132

BOLT

SN: 8160-UP

1шт.

19

MK65HL3/40

PACKING

SN: 8160-UP

1шт.

20

MK65HL3/30

PACKING

SN: 8160-UP

1шт.

21

MK70H-8/79

WIRE

SN: 8160-UP

1шт.

|$27

MKX50WH/009

WATER PUMP ASS'Y

SN: 8160-UP

1шт.

22

MKX50WH/203A

MOTOR

SN: 8160-UP

1шт.

23

MK100WK6/167B

SEAL

SN: 8160-UP

1шт.

24

MKX50WH/161

IMPELLER

SN: 8160-UP

1шт.

|$31

MKX51WHK-3-226

CONTROL BOX ASS'Y

SN: 8160-UP

1шт.

25

MKX50WH/227A

PANEL

SN: 8160-UP

1шт.

26

MKX51WHK-3/225

PANEL ASS'Y

SN: 8160-UP

1шт.

27

NKX51WHK-3/225

PANEL

SN: 8160-UP

1шт.

28

MKSTI-3H

SWITCH

SN: 8160-UP

1шт.

29

MKD40WK-3/21-2

FUSE

SN: 8160-UP

1шт.

30

08040-00500

FUSE, 5A

SN: 8160-UP

1шт.

31

MKX50WH/240

SOCKET

SN: 8160-UP

1шт.

32

MKX50WH-1/240

LAMP

SN: 8160-UP

1шт.

33

MKX50WH-1/241

SOCKET

SN: 8160-UP

1шт.

34

MKX50WH-1/242

SOCKET

SN: 8160-UP

1шт.

35

MK50HK-8-400A

FUSE BOX ASS'Y

SN: 8160-UP

1шт.

36

MKX50WHK/284

TANK

SN: 8160-UP

1шт.

37

MK040-085

FILTER

SN: .-UP

1шт.

37

0

FILTER

SN: 8160-.

1шт.

38

MKX50WHK/305

PIPE

SN: 8160-UP

1шт.

39

MK150HK-11/302

PLUG

SN: 8160-UP

1шт.

40

MK150HK-11/302

PLUG

SN: 8160-UP

1шт.

41

MKX50WHK/472-1

PLUG

SN: 8160-UP

2шт.

42

MKX50WHK/472-2

CAP

SN: 8160-UP

2шт.

43

MKX51WHK-3/360

COVER ASS'Y

SN: 8160-UP

1шт.

44

MKX50WHK/350

BOX ASS'Y

SN: 8160-UP

1шт.

45

MKX50WHK/364

COVER

SN: 8160-UP

1шт.

46

MKX50WHK/370

PIPE

SN: 8160-UP

1шт.

Выбрано товаров: 55