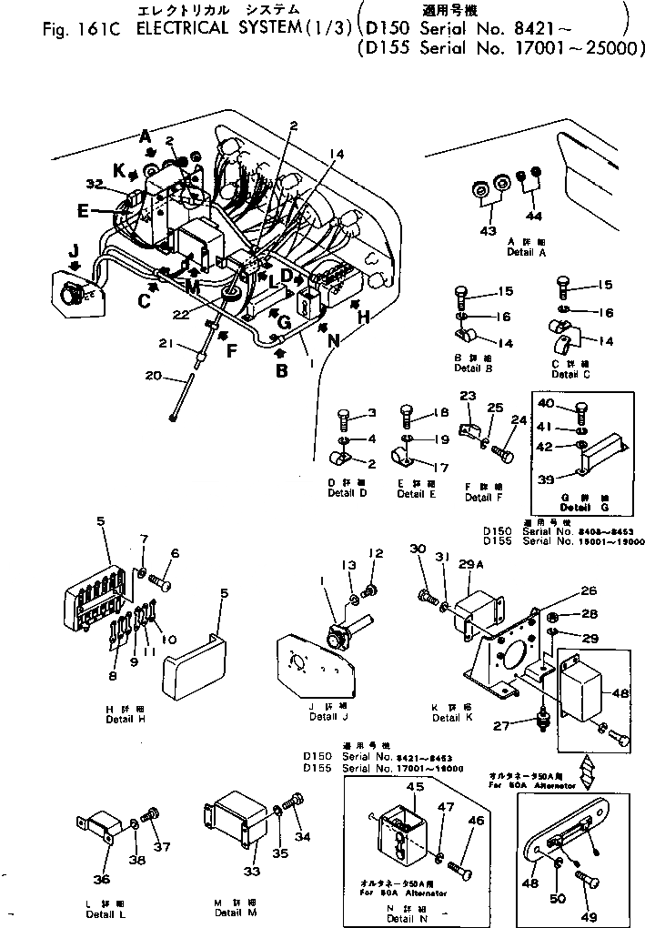
Запчасти Komatsu D150A-1 ЭЛЕКТРИКА (/)(№8-) КОМПОНЕНТЫ ДВИГАТЕЛЯ И ЭЛЕКТРИКА

Схема запчастей Komatsu D150A-1 - ЭЛЕКТРИКА (/)(№8-) КОМПОНЕНТЫ ДВИГАТЕЛЯ И ЭЛЕКТРИКА
FIT
1:1
100%

Артикул

Название

Примечание

Количество

1

195-06-23240

WIRE ASS'Y

SN: 8497-UP

1шт.

1

195-06-21558

WIRE ASS'Y

SN: 8454-8496

1шт.

1

195-06-21555

WIRE ASS'Y

SN: 8421-8453

1шт.

2

08036-01814

CLIP

SN: 8421-UP

3шт.

3

01010-31016

BOLT

SN: 8421-UP

3шт.

4

01602-01030

WASHER

SN: 8421-UP

3шт.

5

175-06-35430

BOX

SN: 8329-UP

1шт.

6

01220-30616

SCREW

SN: 8329-UP

2шт.

7

01611-06063

WASHER

SN: 8329-UP

2шт.

8

175-06-35420

FUSE, 10A

SN: 8329-UP

3шт.

9

175-06-35410

FUSE, 20A

SN: 8329-UP

1шт.

10

175-06-35390

FUSE, 30A

SN: 8329-UP

1шт.

11

175-06-35380

FUSE, 40A

SN: 8329-UP

1шт.

12

01220-30312

SCREW

SN: 8421-UP

4шт.

13

01601-00307

WASHER

SN: 8421-UP

4шт.

14

08036-01414

CLIP

SN: 8421-UP

5шт.

15

01010-31020

BOLT

SN: 8421-UP

4шт.

16

01602-01030

WASHER

SN: 8421-UP

4шт.

17

08036-02514

CLIP

SN: 8421-UP

1шт.

18

01010-31016

BOLT

SN: 8421-UP

1шт.

19

01602-01030

WASHER

SN: 8421-UP

1шт.

20

175-06-39542

CABLE ASS'Y

SN: 8421-UP

1шт.

20

175-06-39541

CABLE ASS'Y

SN: 8408-8420

1шт.

21

175-54-33470

PLUG

SN: 8421-UP

1шт.

22

08037-02512

GROMMET

SN: 8421-UP

1шт.

23

08035-01510

CLIP

SN: 8421-UP

1шт.

23

154-06-33110

CLAMP

SN: 8329-8420

1шт.

24

01010-31016

BOLT

SN: 8329-UP

1шт.

25

01602-01030

WASHER

SN: 8329-UP

1шт.

26

175-06-35214

BRACKET

SN: 8408-UP

1шт.

27

154-06-13910

ISOLATOR

SN: 8329-UP

4шт.

28

01582-01008

NUT

SN: 8421-UP

4шт.

29

01602-01030

WASHER

SN: 8421-UP

4шт.

29A

600-824-8110

SAFETY RELAY A.

SN: 8421-UP

1шт.

30

01010-30616

BOLT

SN: 8421-UP

4шт.

31

01602-00619

WASHER

SN: 8421-UP

4шт.

32

195-06-22561

WIRE ASS'Y

SN: 8421-UP

1шт.

33

6128-81-4880

APS CONTROLLER ASS'Y

SN: 8421-UP

1шт.

34

01010-30616

BOLT

SN: 8421-UP

4шт.

35

01602-00619

WASHER

SN: 8421-UP

4шт.

36

600-815-2520

SWITCH

SN: 8421-UP

1шт.

37

01220-30512

SCREW

SN: 8421-UP

2шт.

38

01601-00513

WASHER

SN: 8408-8453

2шт.

39

08640-00000

INVERTER ASS'Y

SN: 8408-8453

1шт.

39

08040-00050

FUSE, 0.5A

SN: 8408-8453

1шт.

40

01010-30616

BOLT

SN: 8408-8453

2шт.

41

01602-00619

WASHER

SN: 8408-8453

2шт.

42

01640-20610

WASHER

SN: 8408-8453

2шт.

43

09415-02512

CAP

SN: 8408-UP

2шт.

44

175-06-38570

CAP

SN: 8408-UP

2шт.

45

195-06-21810

BOX

SN: 8421-8453

1шт.

46

01220-30825

SCREW

SN: 8421-8453

1шт.

47

01602-00825

WASHER

SN: 8421-8453

1шт.

48

600-822-8110

REGULATOR ASS'Y

SN: 8421-UP

1шт.

48

198-06-19140

SHUNT

SN: 8421-UP

1шт.

49

01220-30516

SCREW

SN: 8421-UP

2шт.

50

01601-00513

WASHER

SN: 8421-UP

2шт.

Выбрано товаров: 57