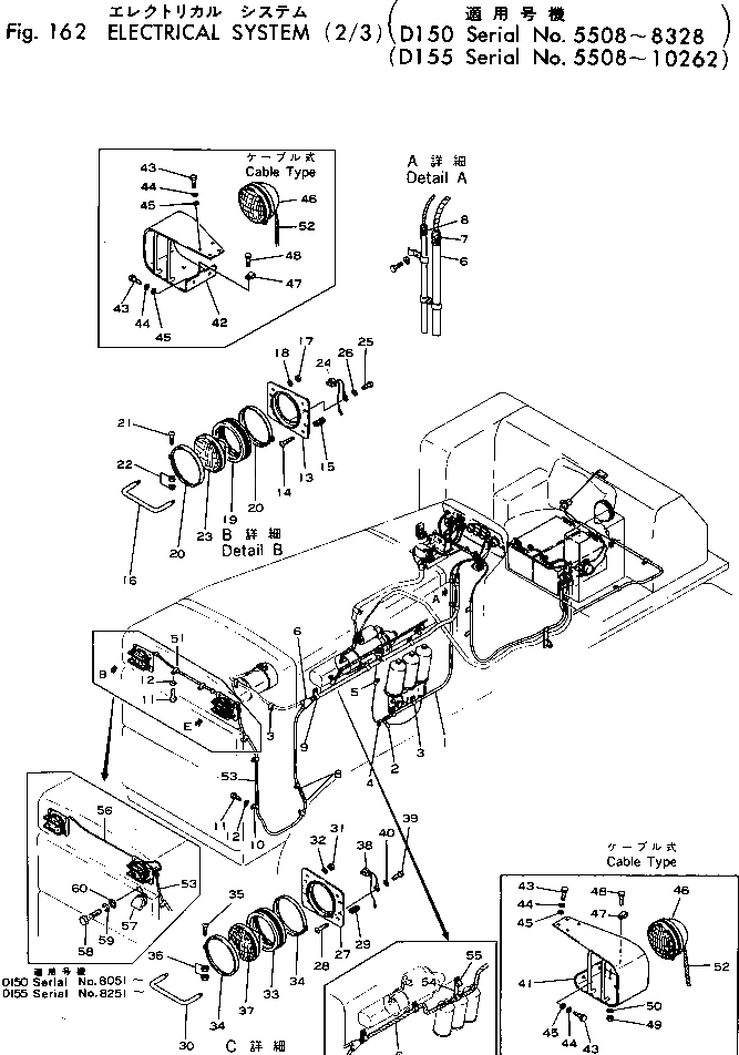
Запчасти Komatsu D150A-1 ЭЛЕКТРИКА (/)(№8-88) КОМПОНЕНТЫ ДВИГАТЕЛЯ И ЭЛЕКТРИКА

Схема запчастей Komatsu D150A-1 - ЭЛЕКТРИКА (/)(№8-88) КОМПОНЕНТЫ ДВИГАТЕЛЯ И ЭЛЕКТРИКА
FIT
1:1
100%

Артикул

Название

Примечание

Количество

1

175-06-37154

WIRE ASS'Y

SN: 7001-8328

1шт.

1

175-06-37153

WIRE ASS'Y

SN: 6843-7000

1шт.

1

0

WIRE ASS'Y

SN: 6415-6842

1шт.

1

175-06-37151

WIRE ASS'Y

SN: 5508-6414

1шт.

2

08019-01014

CLIP

SN: 6843-8328

2шт.

2

154-06-13740

RING

SN: 5508-6842

2шт.

3

154-06-33130

CLAMP

SN: 6843-@

2шт.

3

154-06-33130

CLAMP

SN: 5508-6842

4шт.

4

08036-10610

CLIP

SN: 5508-8328

1шт.

5

08036-10614

CLIP

SN: 5508-8328

1шт.

6

175-06-37143

WIRE ASS'Y

SN: 8051-8328

1шт.

6

175-06-37142

WIRE ASS'Y

SN: 7190-8050

1шт.

6

175-06-37141

WIRE ASS'Y

SN: 6843-7189

1шт.

6

175-06-37140

WIRE ASS'Y

SN: 5508-6842

1шт.

7

08019-01926

CLIP

SN: 6843-8328

1шт.

7

0

RING

SN: 5508-6842

1шт.

8

08019-01014

CLIP

SN: 6843-8328

1шт.

8

154-06-13740

RING

SN: 5508-6842

1шт.

9

154-06-33140

CLAMP

SN: 7266-@

2шт.

9

154-06-33140

CLAMP

SN: 5508-7265

3шт.

10

175-06-26150

CLAMP

SN: H6843-@

5шт.

10

175-06-26150

CLAMP

SN: H5508-3842

4шт.

10

175-06-26150

CLAMP

SN: M6843-10262

6шт.

10

175-06-26150

CLAMP

SN: M5508-6842

5шт.

11

01010-31016

BOLT

SN: H6843-@

5шт.

11

01010-31016

BOLT

SN: H5508-6842

4шт.

11

01010-31016

BOLT

SN: M6843-10262

8шт.

11

01010-31016

BOLT

SN: M5508-6842

7шт.

12

01602-01030

WASHER

SN: H6843-@

5шт.

12

01602-01030

WASHER

SN: H5508-6842

4шт.

12

01602-01030

WASHER

SN: M6843-10262

8шт.

12

01602-01030

WASHER

SN: M5508-6842

7шт.

12

175-06-23101

LAMP ASS'Y

SN: H6091-@

1шт.

12

175-06-23100

LAMP ASS'Y

SN: H5508-6090

1шт.

13

175-06-23171

BASE

SN: H6091-@

1шт.

13

175-06-23170

BASE

SN: H5508-6090

1шт.

14

175-06-23190

SCREW

SN: H5508-@

4шт.

15

175-06-23210

SPRING

SN: H5508-@

4шт.

16

175-06-23220

GUARD

SN: H5508-@

2шт.

17

01580-00806

NUT

SN: H6091-@

4шт.

17

01500-30807

NUT

SN: H5508-6090

4шт.

18

01602-00825

WASHER

SN: H5508-@

4шт.

19

08128-00003

HOLDER

SN: H5508-@

1шт.

20

08128-00004

BAND

SN: H6091-@

2шт.

21

01220-40420

SCREW

SN: H5508-@

2шт.

22

01500-50404

NUT

SN: H5508-6090

4шт.

22

01580-10403

NUT

SN: H6091-@

4шт.

23

08113-02480

BULB, 80W

SN: H5508-@

1шт.

24

175-06-23230

SOCKET

SN: H5508-@

1шт.

25

01220-30408

SCREW

SN: H5508-@

1шт.

26

01601-00410

WASHER

SN: H5508-@

1шт.

26

175-06-23201

LAMP ASS'Y

SN: H6091-@

1шт.

26

175-06-23200

LAMP ASS'Y

SN: H5508-6090

1шт.

27

175-06-23181

BASE

SN: H6091-@

1шт.

27

175-06-23180

BASE

SN: H5508-6090

1шт.

28

175-06-23190

SCREW

SN: H5508-@

4шт.

29

175-06-23210

SPRING

SN: H5508-@

4шт.

30

175-06-23220

GUARD

SN: H5508-@

2шт.

31

01580-00806

NUT

SN: H6091-@

4шт.

31

01500-30807

NUT

SN: H5508-6090

4шт.

32

01602-00825

WASHER

SN: H5508-@

4шт.

33

08128-00003

HOLDER

SN: H5508-@

1шт.

34

08128-00004

BAND

SN: H5508-@

2шт.

35

01220-40420

SCREW

SN: H5508-@

2шт.

36

01580-10403

NUT

SN: H6091-@

4шт.

36

01500-50404

NUT

SN: H5508-6090

4шт.

37

08113-02480

BULB, 80W

SN: H5508-@

1шт.

38

175-06-23230

SOCKET

SN: H5508-@

1шт.

39

01220-30408

SCREW

SN: H5508-@

1шт.

40

01601-00410

WASHER

SN: H5508-@

1шт.

41

175-06-23121

COVER,L.H.

SN: M5508-10262

1шт.

42

175-06-33510

COVER,R.H.

SN: M5508-10262

1шт.

43

01010-31240

BOLT

SN: M5508-10262

12шт.

44

01602-01236

WASHER

SN: M5508-10262

12шт.

45

01643-01232

WASHER

SN: M5508-10262

12шт.

46

08128-32400

LAMP

SN: M6091-10262

2шт.

46

08128-12400

LAMP

SN: M5508-6090

2шт.

46

08128-30000

BODY,HEAD

SN: M6091-10262

1шт.

46

08128-10000

BODY

SN: M5508-6090

1шт.

46

08113-02480

BULB, 80W

SN: M5508-10262

1шт.

47

08036-11214

CLIP

SN: M5508-10262

2шт.

48

01010-31225

BOLT

SN: M5508-10262

2шт.

49

01580-01210

NUT

SN: M6091-10262

2шт.

49

01503-31210

NUT

SN: M5508-6090

2шт.

50

01602-01236

WASHER

SN: M5508-10262

2шт.

51

08036-10614

CLIP

SN: M5508-10262

2шт.

52

175-06-18910

CABLE

SN: M5508-10262

2шт.

53

175-06-37242

WIRE ASS'Y

SN: 8329-@

1шт.

53

175-06-37241

WIRE ASS'Y

SN: 8051-8328

1шт.

53

175-06-37240

WIRE ASS'Y

SN: 5508-8050

1шт.

54

175-06-36250

CLAMP

SN: 7266-8328

1шт.

55

08036-10614

CLIP

SN: 7266-@

1шт.

56

175-06-37391

WIRE

SN: 8329-@

1шт.

56

175-06-37390

WIRE

SN: 8051-8328

1шт.

57

08160-22400

HORN

SN: 8051-@

1шт.

58

01010-30820

BOLT

SN: 8051-@

2шт.

59

01602-00825

WASHER

SN: 8051-@

2шт.

60

01640-00816

WASHER

SN: 8051-@

2шт.

Выбрано товаров: 98