Запчасти Komatsu D150A-1 ЭЛЕКТРИКА (/)(№8-) КОМПОНЕНТЫ ДВИГАТЕЛЯ И ЭЛЕКТРИКА

Схема запчастей Komatsu D150A-1 - ЭЛЕКТРИКА (/)(№8-) КОМПОНЕНТЫ ДВИГАТЕЛЯ И ЭЛЕКТРИКА
FIT
1:1
100%

Артикул

Название

Примечание

Количество

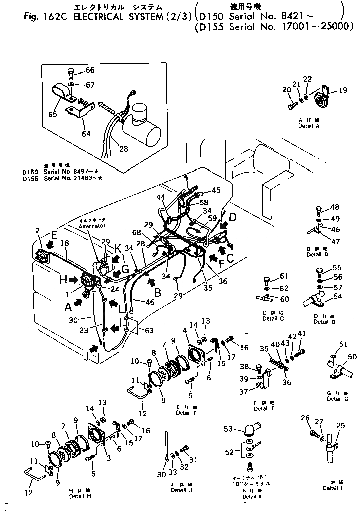
1

175-06-23101

LAMP ASS'Y

SN: 6091-UP

1шт.

2

175-06-23201

LAMP ASS'Y

SN: 6091-UP

1шт.

3

175-06-23171

BASE

SN: 6091-UP

1шт.

4

175-06-23181

BASE

SN: 6091-UP

1шт.

5

175-06-23190

SCREW

SN: 5508-UP

4шт.

6

175-06-23210

SPRING

SN: 5508-UP

4шт.

7

08128-00003

HOLDER

SN: 5508-UP

1шт.

8

08113-02480

BULB, 80W

SN: 5508-UP

1шт.

9

08128-00004

BAND

SN: 5508-UP

2шт.

10

01220-40420

SCREW

SN: 5508-UP

2шт.

11

01580-10403

NUT

SN: 6091-UP

4шт.

12

175-06-23220

GUARD

SN: 5508-UP

2шт.

13

01580-00806

NUT

SN: 6091-UP

4шт.

14

01602-00825

WASHER

SN: 5508-UP

4шт.

15

175-06-23230

SOCKET

SN: 5508-UP

1шт.

16

01220-30408

SCREW

SN: 5508-UP

1шт.

17

01601-00410

WASHER

SN: 5508-UP

1шт.

18

175-06-37392

WIRE

SN: 8421-UP

1шт.

19

175-06-39170

HORN

SN: 8408-UP

1шт.

20

01010-30820

BOLT

SN: 8051-UP

2шт.

21

01602-00825

WASHER

SN: 8051-UP

2шт.

22

01640-20816

WASHER

SN: 8051-UP

2шт.

23

175-06-37243

WIRE ASS'Y

SN: 8421-UP

1шт.

24

08035-01514

CLIP

SN: 8421-UP

1шт.

25

175-06-25160

CLIP

SN: 8421-UP

2шт.

26

01010-31220

BOLT

SN: 8421-UP

2шт.

27

01602-01236

WASHER

SN: 8421-UP

2шт.

28

175-06-39229

WIRE ASS'Y

SN: 8497-UP

1шт.

28

175-06-39228

WIRE ASS'Y

SN: 8475-8496

1шт.

28

175-06-39227

WIRE ASS'Y

SN: 8454-8474

1шт.

28

175-06-39226

WIRE ASS'Y

SN: 8421-8453

1шт.

29

140-06-18260

CAP

SN: 8421-UP

4шт.

30

175-06-39760

WIRE

SN: 8421-UP

1шт.

31

01010-31020

BOLT

SN: 8421-UP

1шт.

32

01602-01030

WASHER

SN: 8421-8512

1шт.

33

01641-01016

WASHER

SN: 8421-UP

1шт.

34

08035-03010

CLIP

SN: 8421-UP

6шт.

35

154-01-11321

TUBE

SN: 8421-UP

1шт.

36

154-06-36360

TUBE

SN: 8421-UP

1шт.

37

175-06-37511

BRACKET

SN: 8421-UP

1шт.

38

01010-31425

BOLT

SN: 8421-UP

1шт.

39

01602-01442

WASHER

SN: 8421-UP

1шт.

40

195-06-13370

CLAMP

SN: 8421-UP

2шт.

41

01220-30420

SCREW

SN: 8421-UP

2шт.

42

01641-20405

WASHER

SN: 8421-UP

2шт.

43

01601-00410

WASHER

SN: 8421-UP

2шт.

44

175-06-25220

PLATE

SN: 8421-UP

1шт.

45

07213-50510

CONNECTOR

SN: 8421-UP

3шт.

46

175-06-39532

CABLE ASS'Y

SN: 8421-UP

1шт.

46

175-06-39531

CABLE ASS'Y

SN: 8408-8420

1шт.

47

08035-01514

CLIP

SN: 8421-UP

2шт.

48

01010-31425

BOLT

SN: 8329-UP

2шт.

49

01602-01442

WASHER

SN: 8329-UP

1шт.

50

175-06-25150

CLIP

SN: 8421-UP

1шт.

51

01641-21423

WASHER

SN: 8421-UP

1шт.

52

154-06-36790

WASHER

SN: 8421-UP

2шт.

53

08038-02027

CAP

SN: 8421-UP

2шт.

54

175-06-25150

CLIP

SN: 8421-UP

1шт.

55

01010-31625

BOLT

SN: 8421-UP

1шт.

56

01602-01648

WASHER

SN: 8421-UP

1шт.

57

01640-21626

WASHER

SN: 8421-UP

1шт.

58

175-06-25230

NIPPLE

SN: 8421-UP

1шт.

59

08620-00000

SENSOR

SN: 8454-UP

2шт.

59

198-06-11941

SENSOR

SN: 8421-8453

2шт.

60

08036-10614

CLIP

SN: 8421-UP

1шт.

61

01010-31020

BOLT

SN: 8421-UP

1шт.

62

01641-21016

WASHER

SN: 8421-UP

1шт.

63

08034-00519

BAND

SN: 8421-UP

2шт.

64

175-06-39990

BRACKET

SN: 8497-UP

1шт.

65

155-06-15180

CLAMP

SN: 8497-UP

1шт.

66

01010-31020

BOLT

SN: 8497-UP

1шт.

67

01602-01030

WASHER

SN: 8497-8512

1шт.

68

175-06-39180

WIRING HARNESS,(WITH APS)

SN: 8497-UP

1шт.

Выбрано товаров: 73