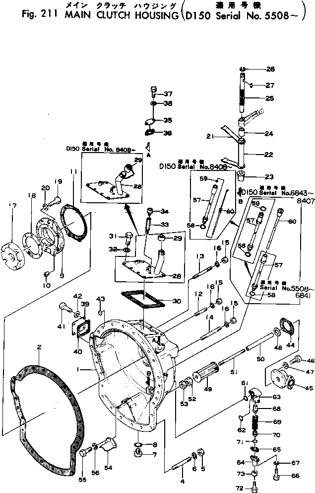
Запчасти Komatsu D150A-1 ОСНОВН. МУФТА КОЖУХ ОСНОВН. МУФТА И ТРАНСМИССИЯ

Схема запчастей Komatsu D150A-1 - ОСНОВН. МУФТА КОЖУХ ОСНОВН. МУФТА И ТРАНСМИССИЯ
FIT
1:1
100%

Артикул

Название

Примечание

Количество

1

175-10-12113

HOUSING

SN: 8372-UP

1шт.

1

175-10-12112

HOUSING

SN: 5508-8371

1шт.

2

175-10-12182

GASKET

SN: .-UP

1шт.

2

0

GASKET

SN: 8372-.

1шт.

2

175-10-12120

GASKET

SN: 5508-8371

1шт.

4

01140-31235

STUD

SN: 8372-UP

27шт.

4

01140-31230

STUD

SN: 5508-8371

20шт.

5

01582-01210

NUT

SN: 8372-UP

27шт.

5

01582-01210

NUT

SN: 5508-8371

20шт.

6

01602-01236

WASHER

SN: 8372-UP

27шт.

6

01602-01236

WASHER

SN: 5508-8371

20шт.

7

07044-03620

PLUG

SN: 5508-UP

1шт.

8

07000-03032

O-RING

SN: 5508-UP

1шт.

|$13

175-10-00311

COVER ASS'Y

SN: 5537-UP

1шт.

|$14

175-10-00310

COVER ASS'Y

SN: 5508-5536

1шт.

9

0

COVER

SN: 5537-UP

1шт.

9

0

COVER

SN: 5508-5536

1шт.

10

07043-50617

PLUG

SN: 5508-UP

2шт.

11

175-10-12140

GASKET

SN: 5508-UP

1шт.

12

01140-31035

STUD

SN: 5508-UP

5шт.

13

01140-31080

STUD

SN: 5508-UP

1шт.

14

01140-31095

STUD

SN: 5508-UP

1шт.

15

01582-01008

NUT

SN: 5508-UP

7шт.

16

01602-01030

WASHER

SN: 5508-UP

7шт.

17

175-10-12151

RETAINER

SN: 5537-UP

1шт.

17

175-10-12150

RETAINER

SN: 5508-5536

1шт.

18

175-10-12161

GASKET

SN: 5537-UP

1шт.

18

175-10-12160

GASKET

SN: 5508-5536

1шт.

19

01010-31050

BOLT

SN: 5508-UP

6шт.

20

01602-01030

WASHER

SN: 5508-UP

6шт.

21

175-10-12220

SLEEVE

SN: 5508-UP

1шт.

22

0

YOKE (WELDED)

SN: 5508-UP

2шт.

23

175-10-12230

BUSHING

SN: 5508-UP

1шт.

24

170-10-16120

BUSHING

SN: 5508-UP

1шт.

25

150-11-12420

SHAFT

SN: 5508-UP

1шт.

26

130-09-16420

RING

SN: 5508-UP

1шт.

27

04010-00732

KEY

SN: 5508-UP

1шт.

28

175-10-31121

COVER

SN: 8408-UP

1шт.

28

175-10-31120

COVER

SN: 5508-8407

1шт.

29

175-10-31231

CAP

SN: 6091-8407

1шт.

29

175-10-31230

CAP

SN: 5508-6090

1шт.

30

175-10-12321

GASKET

SN: 5508-UP

1шт.

31

01010-31025

BOLT

SN: 5508-UP

8шт.

32

01602-01030

WASHER

SN: 5508-UP

8шт.

33

170-10-14130

PIPE

SN: 5508-UP

1шт.

34

07030-00252

BREATHER

SN: 5508-UP

1шт.

35

175-10-12330

COVER

SN: 5508-UP

1шт.

36

170-10-16440

GASKET

SN: 5508-UP

1шт.

37

01010-30820

BOLT

SN: 6091-UP

2шт.

37

01000-30820

BOLT

SN: 5508-6090

2шт.

38

01602-00825

WASHER

SN: 5508-UP

2шт.

39

175-10-12351

COVER

SN: 5508-UP

1шт.

40

175-10-12361

GASKET

SN: 5508-UP

1шт.

41

01010-31025

BOLT

SN: 5508-UP

4шт.

42

01602-01030

WASHER

SN: 5508-UP

4шт.

43

07046-03520

PLUG

SN: 5508-UP

1шт.

44

175-10-12420

GASKET

SN: 5508-UP

1шт.

45

170-49-13280

FLANGE

SN: 5508-UP

1шт.

46

01010-31030

BOLT

SN: 5508-UP

4шт.

47

01602-01030

WASHER

SN: 5508-UP

4шт.

48

170-10-16490

GASKET

SN: 5508-UP

1шт.

49

170-10-16351

SCREEN

SN: 5508-UP

1шт.

50

170-10-16361

SPACER

SN: 5508-UP

1шт.

51

170-10-16373

STUD

SN: 5508-UP

1шт.

52

01582-31008

NUT

SN: 5508-UP

1шт.

53

01583-31006

NUT

SN: 5508-UP

1шт.

54

175-10-12430

COVER

SN: 5508-UP

1шт.

55

01010-30820

BOLT

SN: 6091-UP

3шт.

55

01000-30820

BOLT

SN: 5508-6090

3шт.

56

01602-00825

WASHER

SN: 5508-UP

3шт.

57

175-10-31133

GUIDE

SN: 8408-UP

1шт.

57

175-10-31132

GUIDE

SN: 6843-8407

1шт.

57

175-10-31131

GUIDE

SN: 6091-6842

1шт.

57

175-10-31130

GUIDE

SN: 5508-6090

1шт.

58

07000-02015

O-RING

SN: 5508-UP

1шт.

59

07000-01008

O-RING

SN: 8408-UP

1шт.

59

07000-02014

O-RING

SN: 6843-8407

1шт.

60

175-10-31141

GAUGE

SN: 8408-UP

1шт.

60

175-10-31140

GAUGE

SN: 5508-8407

1шт.

61

07000-03032

O-RING

SN: 5508-UP

1шт.

62

07000-03022

O-RING

SN: 5508-UP

1шт.

|$81

175-10-00231

RELIEF VALVE ASS'Y

SN: 6091-UP

1шт.

|$82

0

RELIEF VALVE ASS'Y

SN: 5508-6090

1шт.

63

175-10-12610

BODY

SN: 5508-UP

1шт.

64

175-10-12620

COVER

SN: 6091-UP

1шт.

64

0

COVER

SN: 5508-6090

1шт.

65

175-10-12630

GASKET

SN: 5508-UP

1шт.

66

01010-30825

BOLT

SN: 6091-UP

2шт.

66

01000-30825

BOLT

SN: 5508-6090

2шт.

67

01602-00825

WASHER

SN: 5508-UP

2шт.

68

175-10-12640

VALVE

SN: 5508-UP

1шт.

69

175-10-12651

SPRING

SN: 5508-UP

1шт.

70

175-10-12660

RETAINER

SN: 5508-UP

1шт.

71

07000-02018

O-RING

SN: 5508-UP

1шт.

72

175-10-12670

BOLT

SN: 5508-UP

1шт.

73

01580-01008

NUT

SN: 5508-UP

1шт.

Выбрано товаров: 0