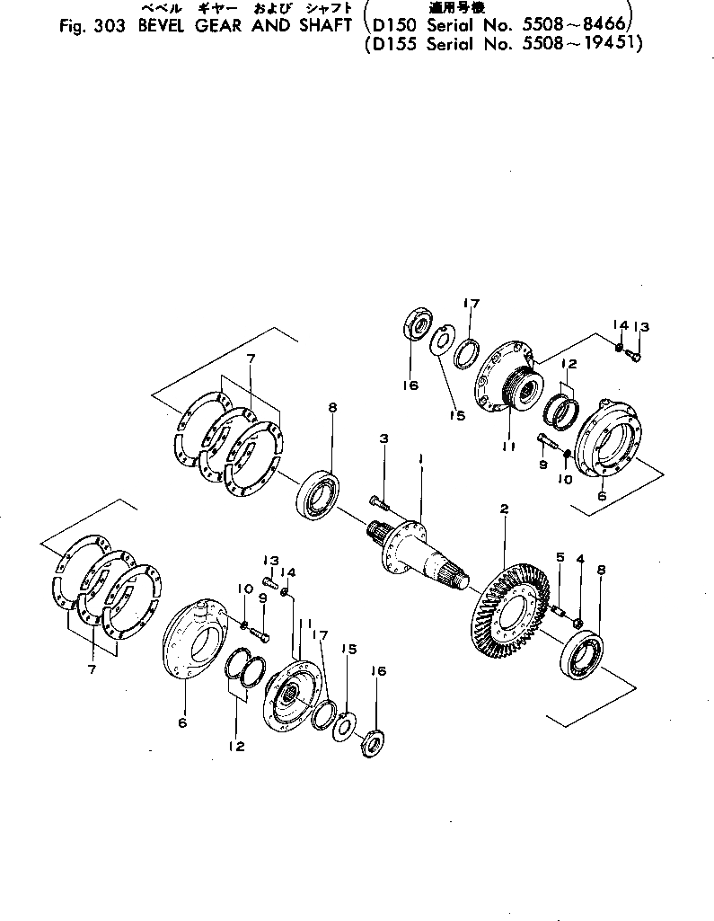
Запчасти Komatsu D150A-1 КОНИЧЕСКАЯ ПЕРЕДАЧА С ВАЛОМ(№8-8) СИСТЕМАУПРАВЛЕНИЯ ПОВОРОТОМ И КОНЕЧНАЯ ПЕРЕДАЧА

Схема запчастей Komatsu D150A-1 - КОНИЧЕСКАЯ ПЕРЕДАЧА С ВАЛОМ(№8-8) СИСТЕМАУПРАВЛЕНИЯ ПОВОРОТОМ И КОНЕЧНАЯ ПЕРЕДАЧА
FIT
1:1
100%

Артикул

Название

Примечание

Количество

1

175-21-32112

SHAFT

SN: 5508-@

1шт.

|$1

175-21-00080

PINION & GEAR ASS'Y

SN: 5508-@

1шт.

|$2

0

SHAFT,BEVEL

SN: 5508-@

1шт.

2

0

GEAR,BEVEL

SN: 5508-@

1шт.

3

170-21-12170

BOLT

SN: 5508-@

12шт.

4

01580-01613

NUT

SN: 6091-@

12шт.

4

01503-31613

NUT

SN: 5508-6090

12шт.

5

170-21-12160

PLATE

SN: 5508-@

6шт.

6

175-21-32190

CAGE

SN: 5513-@

2шт.

6

175-21-12160

CAGE

SN: 5508-5512

2шт.

7

175-21-00032

SHIM ASS'Y

SN: 5513-@

2шт.

7

0

SHIM, 0.1MM

SN: 5513-@

10шт.

7

0

SHIM, 0.2MM

SN: 5513-@

10шт.

7

0

SHIM, 0.5MM

SN: 5513-@

8шт.

7

175-21-00031

SHIM ASS'Y

SN: 5508-5512

2шт.

7

0

SHIM, 0.1MM

SN: 5508-5512

10шт.

7

0

SHIM, 0.2MM

SN: 5508-5512

10шт.

7

0

SHIM, 0.5MM

SN: 5508-5512

8шт.

8

06000-32219

BEARING

SN: 5508-@

2шт.

9

01010-31440

BOLT

SN: 6091-@

16шт.

9

01040-31440

BOLT

SN: 5508-6090

16шт.

10

01602-01442

WASHER

SN: 5508-@

16шт.

11

175-21-32162

HUB

SN: 5508-8466

2шт.

12

170-22-11130

RING

SN: 5508-@

4шт.

12

154-21-12242

RING

SN: 5508-5649

4шт.

13

01010-31645

BOLT

SN: 6091-@

24шт.

13

01040-31645

BOLT

SN: 5508-6090

24шт.

14

01602-01648

WASHER

SN: 5508-@

24шт.

15

170-21-12240

PLATE

SN: 5508-8466

2шт.

16

170-21-12141

NUT

SN: 5508-@

2шт.

17

154-21-22211

PACKING

SN: 5508-@

2шт.

Выбрано товаров: 31