Запчасти Komatsu D155A-1 PRESSURE РЕГУЛИР. КЛАПАН(№8-87) ГИДРОТРАНСФОРМАТОР И ТРАНСМИССИЯ

Схема запчастей Komatsu D155A-1 - PRESSURE РЕГУЛИР. КЛАПАН(№8-87) ГИДРОТРАНСФОРМАТОР И ТРАНСМИССИЯ
FIT
1:1
100%

Артикул

Название

Примечание

Количество

|$0

175-15-00219

TRANSMISSION ASS'Y

SN: 29765-30837

1шт.

|$1

0

TRANSMISSION ASS'Y

SN: 29765-(24879)

1шт.

|$2

0

TRANSMISSION ASS'Y

SN: 19001-29764

1шт.

|$3

175-15-00217

TRANSMISSION ASS'Y

SN: (20694)-19000

1шт.

|$4

0

TRANSMISSION ASS'Y

SN: (6237)-(20693)

1шт.

|$5

175-15-00215

TRANSMISSION ASS'Y

SN: 8647-(6236)

1шт.

|$6

175-15-00214

TRANSMISSION ASS'Y

SN: 7190-8646

1шт.

|$7

0

TRANSMISSION ASS'Y

SN: 6843-7189

1шт.

|$8

0

TRANSMISSION ASS'Y

SN: 6082-6842

1шт.

|$9

0

TRANSMISSION ASS'Y

SN: 5508-6081

1шт.

|$$11

THESE ASSEMBLIES CONSIST OF ALL PARTS SHOWN IN FIGS.251 TO 263.

-1шт.

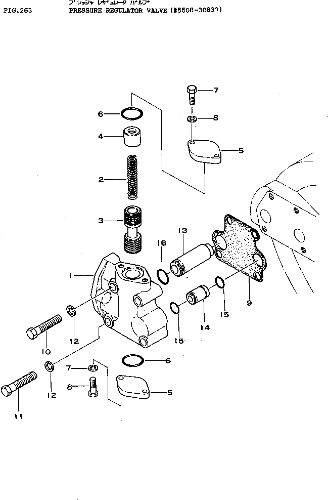
|$11

175-15-00352

VALVE ASS'Y

SN: 6082-@

1шт.

|$12

0

VALVE ASS'Y

SN: 5508-6081

1шт.

1

175-15-14111

BODY

SN: 5508-@

1шт.

2

175-15-14120

SPRING

SN: 5508-@

1шт.

3

175-15-14130

SPOOL

SN: 5508-@

1шт.

4

175-15-14141

GUIDE

SN: 15001-@

1шт.

4

0

GUIDE

SN: 5508-15000

1шт.

5

175-15-14150

COVER

SN: 5508-@

2шт.

6

07000-03032

O-RING (KIT)

SN: 5508-@

2шт.

7

01010-30825

BOLT

SN: 6082-30837

4шт.

7

01000-30825

BOLT

SN: 5508-6081

4шт.

8

01602-00825

WASHER

SN: 5508-30837

4шт.

9

175-15-14161

GASKET

SN: 5508-@

1шт.

10

01010-31055

BOLT

SN: 6082-30837

2шт.

10

01040-41055

BOLT

SN: 5508-6081

2шт.

11

01010-31065

BOLT

SN: 6082-30837

2шт.

11

01040-31065

BOLT

SN: 5508-6081

2шт.

12

01602-01030

WASHER,SPRING

SN: 5508-30837

4шт.

13

175-15-44190

SLEEVE

SN: 5508-@

1шт.

14

175-15-44180

SLEEVE

SN: 5508-@

1шт.

15

07000-02018

O-RING (KIT)

SN: 5508-@

2шт.

16

07000-03022

O-RING (KIT)

SN: 5508-@

1шт.

Выбрано товаров: 33