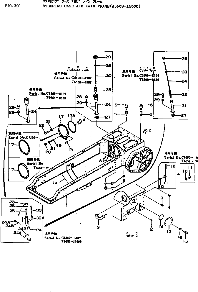
Запчасти Komatsu D155A-1 КОРПУС БЛОКА УПРАВЛЕНИЯ ПОВОРОТОМ И ОСНОВНАЯ РАМА(№8-) СИСТЕМАУПРАВЛЕНИЯ ПОВОРОТОМ И КОНЕЧНАЯ ПЕРЕДАЧА

Схема запчастей Komatsu D155A-1 - КОРПУС БЛОКА УПРАВЛЕНИЯ ПОВОРОТОМ И ОСНОВНАЯ РАМА(№8-) СИСТЕМАУПРАВЛЕНИЯ ПОВОРОТОМ И КОНЕЧНАЯ ПЕРЕДАЧА
FIT
1:1
100%

Артикул

Название

Примечание

Количество

|$0

175-21-00059

CASE ASS'Y

SN: 10263-15000

1шт.

|$1

0

CASE ASS'Y

SN: 10263-12067

1шт.

|$2

175-21-00057

CASE ASS'Y

SN: 8651-10262

1шт.

1

175-21-31109

CASE

SN: 10268-15000

1шт.

1

0

CASE

SN: 10263-12067

1шт.

1

175-21-31107

CASE

SN: 8651-10262

1шт.

1

175-21-31105

CASE

SN: 6988-8650

1шт.

1

175-21-31104

CASE

SN: 6843-6987

1шт.

1

175-21-31103

CASE

SN: 5513-6842

1шт.

1

175-21-31102

CASE

SN: 5508-5512

1шт.

1A

175-21-31541

BAR

SN: 10263-15000

1шт.

1A

175-21-31540

BAR

SN: 5508-10262

1шт.

2

07049-02025

PLUG

SN: 5508-15000

2шт.

3

07049-02430

PLUG

SN: 5508-15000

4шт.

4

07049-03949

PLUG

SN: 5508-15000

22шт.

5

170-21-11190

NIPPLE

SN: 5508-@

2шт.

6

07030-00252

BREATHER

SN: 5508-@

2шт.

7

07044-13620

PLUG

SN: 10263-@

1шт.

7

07044-13620

PLUG

SN: 6091-10262

3шт.

7

07044-03620

PLUG

SN: 5508-6090

3шт.

8

07000-03032

O-RING

SN: 10263-@

1шт.

8

07000-03032

O-RING

SN: 5508-10262

3шт.

9

175-21-11181

COVER

SN: 5508-@

1шт.

10

01602-01236

WASHER

SN: 8651-@

3шт.

10

01640-01223

WASHER

SN: 5508-8650

3шт.

11

01580-01210

NUT

SN: 8651-@

3шт.

11

01590-01215

NUT

SN: 5508-8650

3шт.

12

04050-03020

PIN

SN: 5508-8650

3шт.

13

175-21-32170

COVER

SN: 5508-@

1шт.

14

07000-05195

O-RING

SN: 5508-@

1шт.

15

01010-32040

BOLT

SN: 6091-@

6шт.

15

01040-32040

BOLT

SN: 5508-6090

6шт.

16

01602-02060

WASHER

SN: 5508-@

6шт.

17

175-21-32135

GASKET

SN: 10263-@

1шт.

17

175-21-32134

GASKET

SN: 8651-10262

1шт.

17

175-21-32132

GASKET

SN: 7190-8650

1шт.

17

0

GASKET

SN: 5508-7189

1шт.

17A

07000-05470

O-RING

SN: 10263-@

1шт.

18

04020-01842

PIN

SN: 5508-@

1шт.

19

01120-32050

STUD

SN: 5508-@

5шт.

20

01582-02016

NUT

SN: 6091-@

5шт.

20

01580-32016

NUT

SN: 5508-6090

5шт.

21

01602-02060

WASHER

SN: 7190-@

11шт.

21

01602-02060

WASHER

SN: 5508-7189

10шт.

22

01010-32050

BOLT

SN: 7190-@

6шт.

22

01010-32050

BOLT

SN: 6091-7189

5шт.

22

01040-32050

BOLT

SN: 5508-6090

5шт.

23

195-49-12110

CAP ASS'Y

SN: H8651-@

1шт.

23

07050-00000

CAP

SN: H5508-8650

1шт.

23

175-21-35230

CAP,(FOR VANDALISM PROTECTION)

SN: H8651-@

1шт.

24

175-21-00060

TUBE ASS'Y

SN: 8651-15000

1шт.

24

175-21-32142

TUBE

SN: H6988-8650

1шт.

24

0

TUBE

SN: H5508-6987

1шт.

24

175-79-31410

TUBE,(FOR GIANT RIPPER)

SN: H5508-8650

1шт.

24

175-79-33251

TUBE,(FOR VARIABLE GIANT RIPPER)

SN: H5508-8650

1шт.

24

175-21-32143

TUBE

SN: 8651-15000

1шт.

24A

195-78-22640

PLUG

SN: 8651-15000

2шт.

24B

07002-02034

O-RING

SN: 8651-15000

2шт.

25

154-21-11610

STRAINER

SN: H9027-15000

1шт.

25

0

STRAINER

SN: H8651-9026

1шт.

25

101-04-11270

STRAINER

SN: H6568-8650

1шт.

25

0

STRAINER

SN: H5508-6567

1шт.

26

150-60-22410

RING

SN: H8651-15000

1шт.

26

101-04-11260

RING

SN: H5508-8650

1шт.

27

154-21-11581

GASKET

SN: 5508-@

1шт.

28

01010-31230

BOLT

SN: 6091-@

3шт.

28

01040-31230

BOLT

SN: 5508-6090

3шт.

29

01602-01236

WASHER

SN: 5508-@

3шт.

30

175-21-32152

GAUGE

SN: H8651-15000

1шт.

30

175-21-32151

GAUGE

SN: H5508-8650

1шт.

30A

07000-02018

O-RING

SN: H8651-@

1шт.

31

175-21-31510

TUBE

SN: M5508-8650

1шт.

32

130-60-13241

STRAINER

SN: M5508-8650

1шт.

33

150-60-22410

RING

SN: M5508-8650

1шт.

34

175-21-31520

GAUGE

SN: M5508-8650

1шт.

35

154-21-11640

CAP ASS'Y

SN: M5508-8650

1шт.

Выбрано товаров: 76