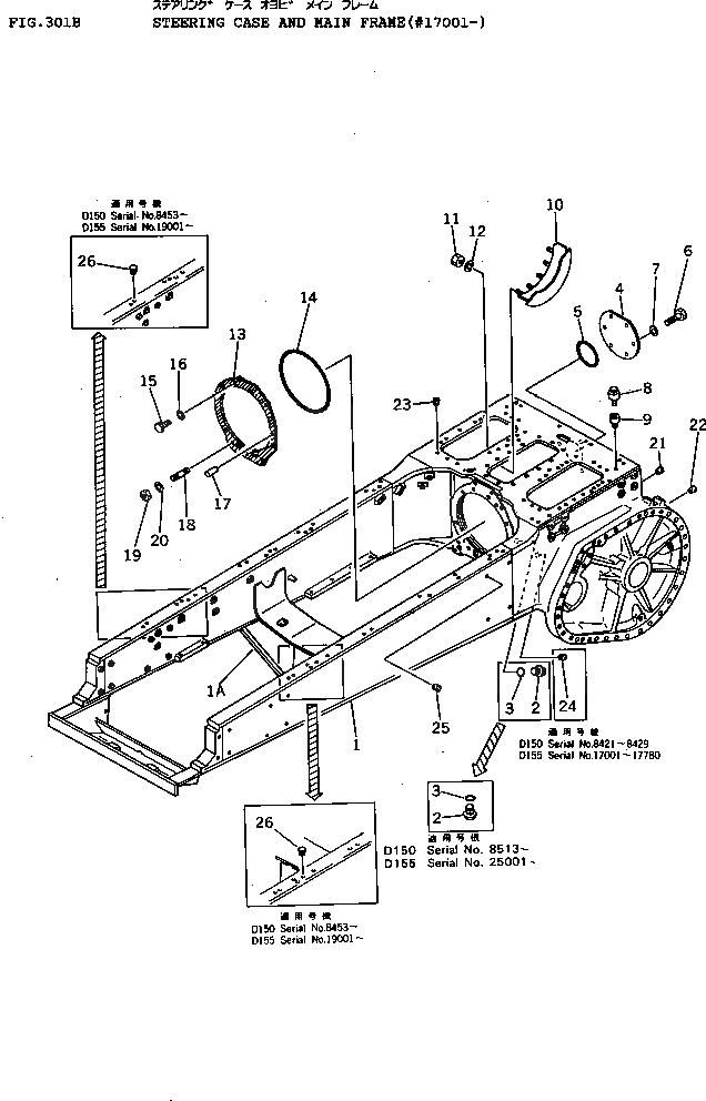
Запчасти Komatsu D155A-1 КОРПУС БЛОКА УПРАВЛЕНИЯ ПОВОРОТОМ И ОСНОВНАЯ РАМА(№7-) СИСТЕМАУПРАВЛЕНИЯ ПОВОРОТОМ И КОНЕЧНАЯ ПЕРЕДАЧА

Схема запчастей Komatsu D155A-1 - КОРПУС БЛОКА УПРАВЛЕНИЯ ПОВОРОТОМ И ОСНОВНАЯ РАМА(№7-) СИСТЕМАУПРАВЛЕНИЯ ПОВОРОТОМ И КОНЕЧНАЯ ПЕРЕДАЧА
FIT
1:1
100%

Артикул

Название

Примечание

Количество

1

175-21-34106

STEERING CASE ASS'Y

SN: 25001-UP

1шт.

1

175-21-34105

STEERING CASE ASS'Y

SN: 19001-25000

1шт.

1

175-21-34104

STEERING CASE ASS'Y

SN: 17001-19000

1шт.

1A

175-21-31543

BAR (WELDED)

SN: 25001-UP

1шт.

1A

175-21-31542

BAR (WELDED)

SN: 15001-25000

1шт.

2

07044-13620

PLUG

SN: 10263-UP

1шт.

3

07002-03634

O-RING

SN: 17001-UP

1шт.

4

175-21-32170

COVER

SN: 5508-UP

1шт.

5

07000-05195

O-RING

SN: 5508-UP

1шт.

6

01010-32040

BOLT

SN: 7091-UP

6шт.

7

01643-32060

WASHER

SN: 25001-UP

6шт.

7

0

WASHER,SPRING

SN: 5508-25000

6шт.

8

07030-00252

BREATHER

SN: 5508-UP

2шт.

9

170-21-11190

NIPPLE

SN: 5508-UP

2шт.

10

175-21-11181

COVER

SN: 5508-UP

1шт.

11

01580-01210

NUT

SN: 8651-UP

3шт.

12

01602-01236

WASHER

SN: 8651-UP

3шт.

13

175-21-32185

GASKET

SN: 31271-UP

1шт.

13

0

GASKET

SN: 10263-31270

1шт.

13

175-21-32132

GASKET

SN: 5507-5507

1шт.

14

07000-05470

O-RING

SN: 10263-UP

1шт.

15

01010-32050

BOLT

SN: 7190-UP

6шт.

16

01643-32060

WASHER

SN: 8513-UP

6шт.

16

0

WASHER,SPRING

SN: 7190-8512

6шт.

17

04020-01842

PIN

SN: 5508-UP

1шт.

18

01120-32050

STUD

SN: 5508-UP

5шт.

19

01582-02016

NUT

SN: 6091-UP

5шт.

20

01643-32060

WASHER

SN: 8513-UP

5шт.

20

0

WASHER,SPRING

SN: 7190-8512

5шт.

21

07049-02025

PLUG

SN: 17001-UP

2шт.

22

07049-03949

PLUG,(WITH RIPPER)

SN: 17001-UP

8шт.

22

07049-03949

PLUG,(WITH DRAWBAR)

SN: 17001-UP

12шт.

23

07049-01620

PLUG

SN: 17001-UP

1шт.

24

07049-02734

PLUG

SN: 17001-17780

6шт.

25

07049-03038

PLUG

SN: 17452-UP

8шт.

25

07049-03342

PLUG

SN: 17001-17451

8шт.

26

07049-01418

PLUG

SN: 25001-UP

4шт.

26

07049-01215

PLUG

SN: 19001-25000

4шт.

Выбрано товаров: 38