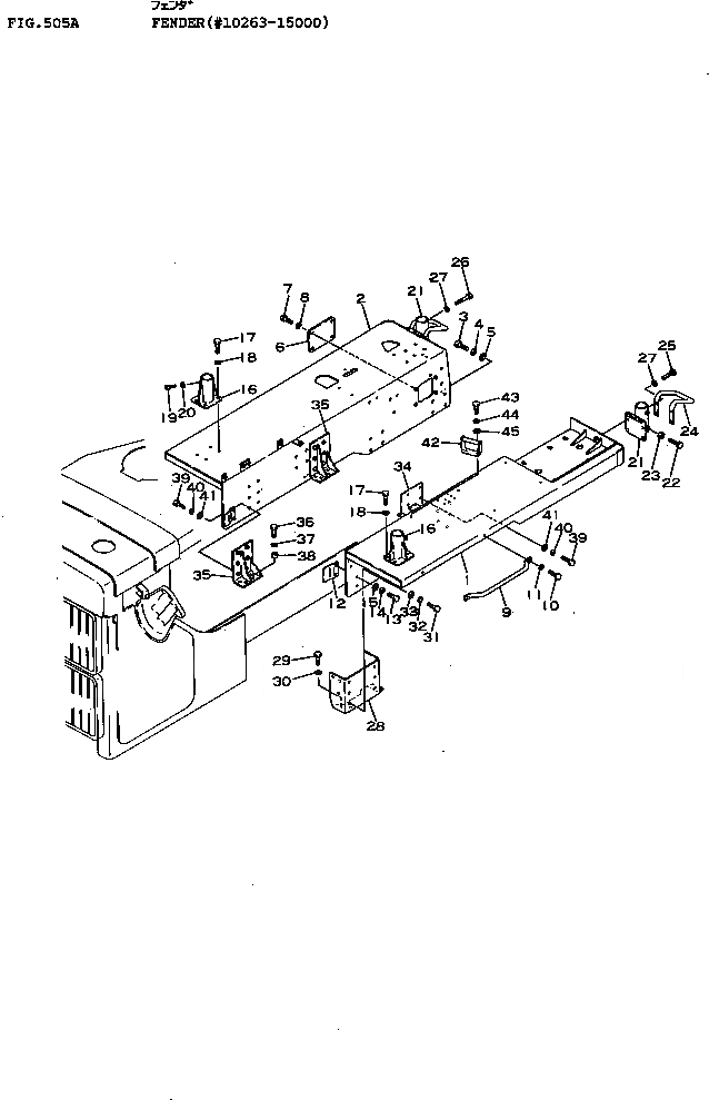
Запчасти Komatsu D155A-1 КРЫЛО(№-) ЧАСТИ КОРПУСА

Схема запчастей Komatsu D155A-1 - КРЫЛО(№-) ЧАСТИ КОРПУСА
FIT
1:1
100%

Артикул

Название

Примечание

Количество

1

175-54-22119

FENDER

SN: 11161-15000

1шт.

1

175-54-22118

COVER

SN: 10263-11160

1шт.

2

175-54-22128

FENDER

SN: 10263-15000

1шт.

3

01010-31850

BOLT

SN: 10263-15000

16шт.

4

01602-01854

WASHER

SN: 10263-15000

16шт.

5

01643-31845

WASHER

SN: 10263-15000

16шт.

6

175-54-22420

COVER

SN: 5508-@

2шт.

7

01010-31235

BOLT

SN: 5508-@

8шт.

8

01602-01236

WASHER

SN: 5508-@

8шт.

9

175-54-22840

HANDLE

SN: 10263-@

2шт.

10

01010-31445

BOLT

SN: 10263-@

4шт.

11

01602-01442

WASHER

SN: 10263-@

4шт.

12

175-54-21390

PLATE

SN: 5508-@

2шт.

13

01010-31240

BOLT

SN: 5508-@

4шт.

14

01602-01236

WASHER

SN: 5508-@

4шт.

15

01643-31232

WASHER

SN: 5508-@

4шт.

16

09470-06420

BRACKET

SN: 5508-@

2шт.

16

0

BRACKET

SN: 5508-@

2шт.

17

01010-31440

BOLT

SN: 6091-@

8шт.

18

01602-01442

WASHER

SN: 5508-@

8шт.

19

01016-31450

BOLT

SN: 6091-@

4шт.

20

01580-01411

NUT

SN: 6091-@

4шт.

21

09470-06425

BRACKET

SN: 10263-@

2шт.

21

0

BRACKET

SN: 10263-@

2шт.

22

01016-31450

BOLT

SN: 6091-@

4шт.

23

01580-01411

NUT

SN: 6091-@

4шт.

24

175-54-22562

HANDLE

SN: 10263-@

2шт.

25

01010-31865

BOLT

SN: 10263-15000

4шт.

26

01010-31870

BOLT

SN: 10263-15000

4шт.

27

01602-01854

WASHER

SN: 10263-15000

8шт.

28

175-54-22434

BRACKET

SN: 10263-15000

1шт.

29

01010-31640

BOLT

SN: 5508-15000

4шт.

30

01602-01648

WASHER

SN: 5508-15000

4шт.

31

01010-31650

BOLT

SN: 6843-@

6шт.

32

01602-01648

WASHER

SN: 5508-@

6шт.

33

01643-31645

WASHER

SN: 5508-@

6шт.

34

175-54-22770

BRACKET

SN: 6843-15000

1шт.

35

175-54-22443

BRACKET

SN: 6843-15000

2шт.

36

01010-31665

BOLT

SN: 6091-15000

12шт.

37

01602-01648

WASHER

SN: 5508-15000

12шт.

38

175-54-22490

SPACER

SN: 5513-15000

12шт.

39

01010-31650

BOLT

SN: 6843-15000

18шт.

40

01602-01648

WASHER

SN: 5508-15000

18шт.

41

01643-31645

WASHER

SN: 5508-15000

18шт.

42

150-54-16191

REST

SN: 5508-15000

1шт.

43

01010-31235

BOLT

SN: 5508-15000

2шт.

44

01602-01236

WASHER

SN: 5508-15000

2шт.

45

01643-31232

WASHER

SN: 5508-15000

2шт.

Выбрано товаров: 48