Запчасти Komatsu D155A-1 КОМПРЕССОР И ПАНЕЛЬ УПРАВЛЕНИЯ (ДЛЯ IRAQ)(№87-) ЧАСТИ КОРПУСА

Схема запчастей Komatsu D155A-1 - КОМПРЕССОР И ПАНЕЛЬ УПРАВЛЕНИЯ (ДЛЯ IRAQ)(№87-) ЧАСТИ КОРПУСА
FIT
1:1
100%

Артикул

Название

Примечание

Количество

|$0

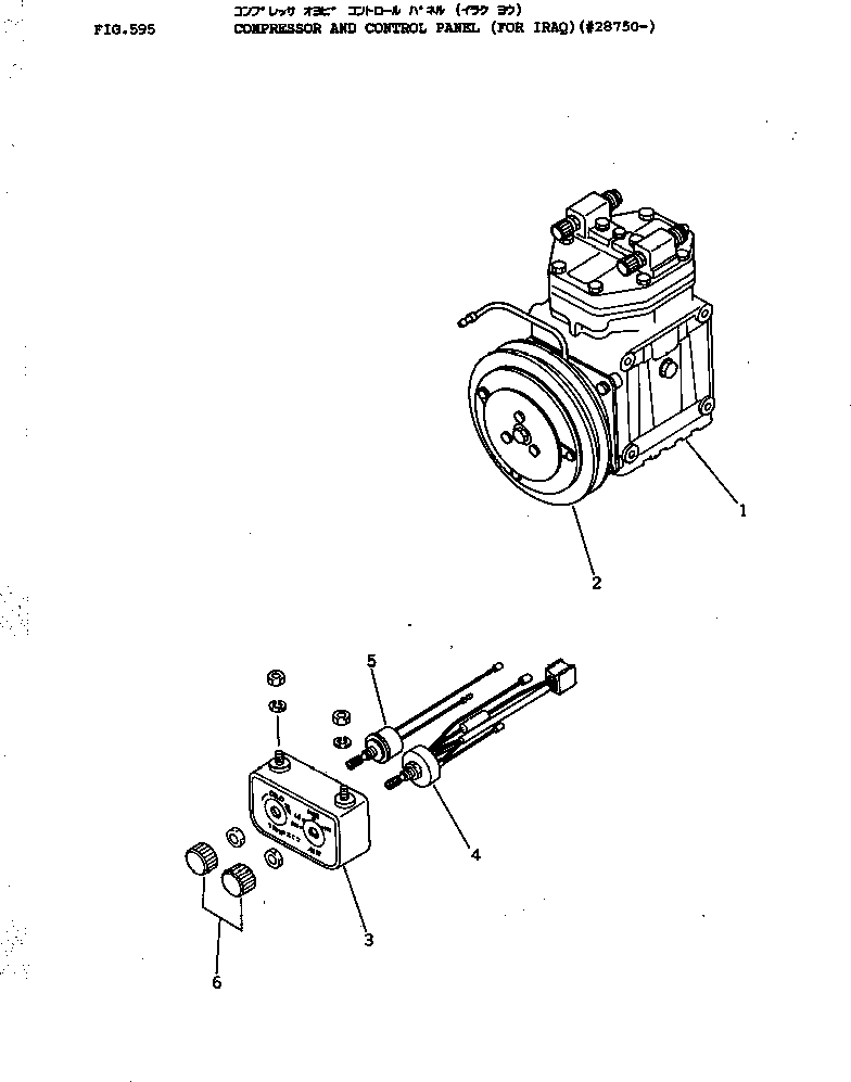
175-911-5700

COMPRESSOR ASS'Y

SN: 28935-UP

1шт.

|$1

205-981-5130

COMPRESSOR ASS'Y

SN: 28750-28934

1шт.

1

205-978-6510

COMPRESSOR

SN: 28750-UP

1шт.

2

205-978-6520

CLUTCH

SN: 28935-UP

1шт.

2

581-07-14700

CLUTCH

SN: 28750-28934

1шт.

|$5

205-981-5150

PANEL ASS'Y

SN: 28750-UP

1шт.

3

205-978-6460

CASE ASS'Y

SN: 28750-UP

1шт.

4

205-978-6470

SWITCH

SN: 28750-UP

1шт.

5

205-978-6480

RESISTOR

SN: 28750-UP

1шт.

6

205-978-6490

KNOB

SN: 28750-UP

2шт.

Выбрано товаров: 0