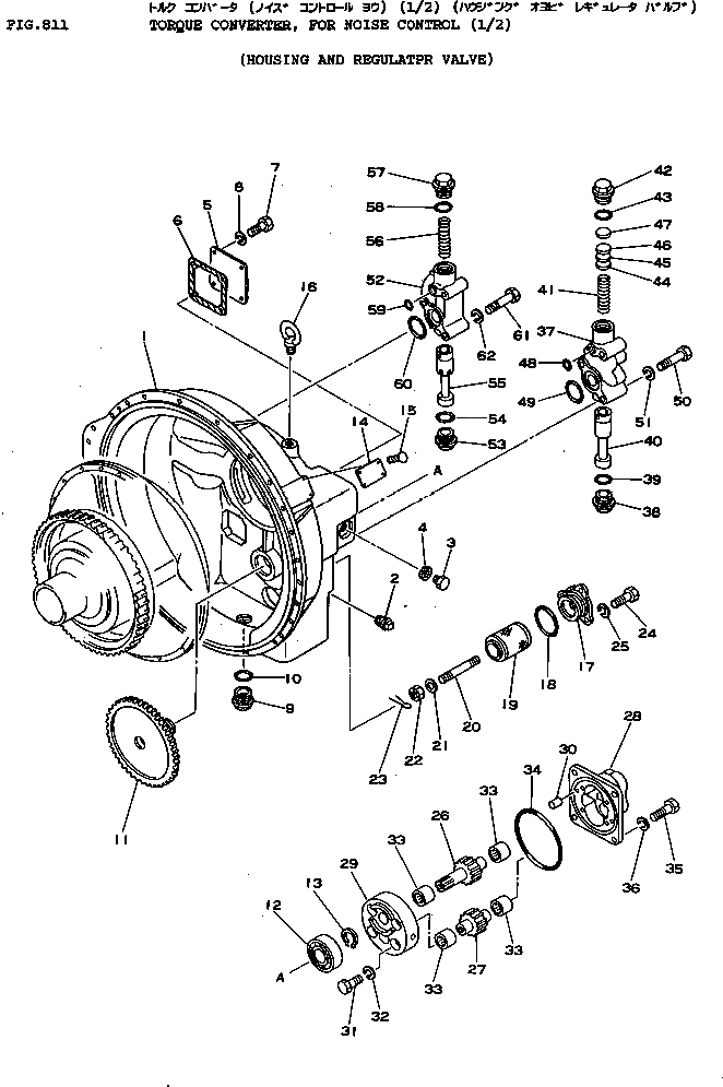
Запчасти Komatsu D155A-1 ГИДРОТРАНСФОРМАТОР¤ ДЛЯ NOISE CNTROL (/)(КОЖУХ И REGULATPR КЛАПАН) ОПЦИОННЫЕ КОМПОНЕНТЫ

Схема запчастей Komatsu D155A-1 - ГИДРОТРАНСФОРМАТОР¤ ДЛЯ NOISE CNTROL (/)            (КОЖУХ И REGULATPR КЛАПАН) ОПЦИОННЫЕ КОМПОНЕНТЫ
FIT
1:1
100%

Артикул

Название

Примечание

Количество

|$0

175-13-51000

TORQUE CONVERTER A.

SN: K1001-UP

1шт.

|$$2

THIS ASSEMBLY CONSISTS OF ALL PARTS SHOWN IN FIGS.811 AND 812.

-1шт.

1

195-13-13114

HOUSING

SN: K1001-UP

1шт.

2

07042-20415

PLUG

SN: K1001-UP

3шт.

3

175-13-23290

PLUG

SN: K1001-UP

1шт.

4

07005-01612

GASKET

SN: K1001-UP

1шт.

5

175-13-23220

COVER

SN: K1001-UP

1шт.

6

175-13-23231

GASKET

SN: K1001-UP

1шт.

7

01010-51225

BOLT

SN: K1001-UP

4шт.

8

01602-21236

WASHER

SN: K1001-UP

4шт.

9

07044-13620

PLUG

SN: K1001-UP

1шт.

10

07000-33032

O-RING

SN: K1001-UP

1шт.

11

175-13-24111

GEAR

SN: K1001-UP

1шт.

12

06030-05206

BEARING

SN: K1001-UP

1шт.

13

04064-03015

RING

SN: K1001-UP

1шт.

14

09607-05080

PLATE, NAME

SN: K1001-UP

1шт.

15

04418-03060

SCREW

SN: K1001-UP

4шт.

16

04530-11628

BOLT

SN: K1001-UP

2шт.

|$18

134-13-13400

FILTER ASS'Y

SN: .-UP

1шт.

|$19

0

FILTER ASS'Y

SN: K1001-.

1шт.

17

195-13-13410

COVER

SN: K1001-.

1шт.

17

134-13-13410

COVER

SN: K1001-.

1шт.

18

07000-62070

O-RING

SN: K1001-UP

1шт.

19

195-13-13420

FILTER

SN: K1001-UP

1шт.

20

134-13-13430

STUD

SN: .-UP

1шт.

20

195-13-13431

STUD

SN: K1001-.

1шт.

21

01641-20608

WASHER

SN: K1001-UP

1шт.

22

01590-10607

NUT

SN: K1001-UP

1шт.

23

04050-11212

PIN

SN: K1001-UP

1шт.

24

01010-51230

BOLT

SN: K1001-UP

3шт.

25

01643-31232

WASHER

SN: .-UP

3шт.

25

01602-21236

WASHER

SN: K1001-.

3шт.

|$32

138-13-13500

PUMP ASS'Y

SN: K1001-UP

1шт.

26

195-13-13510

GEAR

SN: K1001-UP

1шт.

27

195-13-13520

GEAR

SN: K1001-UP

1шт.

28

138-13-13530

CASE

SN: K1001-UP

1шт.

29

195-13-13540

COVER

SN: K1001-UP

1шт.

30

04020-00820

PIN

SN: K1001-UP

2шт.

31

01010-50830

BOLT

SN: K1001-UP

4шт.

32

01602-20825

WASHER

SN: K1001-UP

4шт.

33

195-13-13550

BEARING

SN: K1001-UP

4шт.

34

07000-62115

O-RING

SN: K1001-UP

1шт.

35

01010-51235

BOLT

SN: K1001-UP

4шт.

36

01602-21236

WASHER

SN: K1001-UP

4шт.

|$44

195-13-16100

RELIEF VALVE ASS'Y

SN: K1001-UP

1шт.

37

195-13-16110

BODY

SN: K1001-UP

1шт.

38

195-13-16450

PLUG

SN: K1001-UP

1шт.

39

07000-33032

O-RING

SN: K1001-UP

1шт.

40

195-13-16120

SPOOL

SN: K1001-UP

1шт.

41

195-13-16131

SPRING

SN: K1001-UP

1шт.

42

195-13-16141

PLUG

SN: K1001-UP

1шт.

43

07000-33032

O-RING

SN: K1001-UP

1шт.

44

195-13-16190

SHIM, 1.0MM (KIT)

SN: K1001-UP

3шт.

45

195-13-16210

SHIM, 0.3MM (KIT)

SN: K1001-UP

3шт.

46

195-13-16220

SHIM, 0.1MM (KIT)

SN: K1001-UP

2шт.

47

195-13-16230

SPACER

SN: K1001-UP

1шт.

48

07000-62018

O-RING

SN: K1001-UP

1шт.

49

07000-63045

O-RING

SN: K1001-UP

1шт.

50

01010-51290

BOLT

SN: K1001-UP

3шт.

51

01602-21236

WASHER

SN: K1001-UP

3шт.

|$60

175-13-26401

REGULATOR VALVE A.

SN: K1001-UP

1шт.

52

175-13-26410

BODY

SN: K1001-UP

1шт.

53

195-13-16450

PLUG

SN: K1001-UP

1шт.

54

07000-33032

O-RING

SN: K1001-UP

1шт.

55

195-13-16420

SPOOL

SN: K1001-UP

1шт.

56

195-13-16430

SPRING

SN: K1001-UP

1шт.

57

195-13-16141

PLUG

SN: K1001-UP

1шт.

58

07000-33032

O-RING

SN: K1001-UP

1шт.

59

07000-62018

O-RING

SN: K1001-UP

1шт.

60

07000-63045

O-RING

SN: K1001-UP

1шт.

61

01010-51295

BOLT

SN: K1001-UP

3шт.

62

01602-21236

WASHER,SPRING

SN: K1001-UP

3шт.

Выбрано товаров: 72