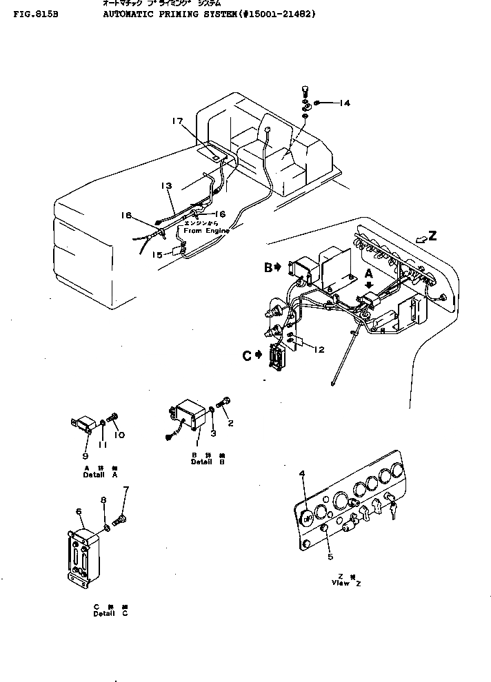
Запчасти Komatsu D155A-1 АВТОМАТИЧ. PОБОД КОЛЕСАING СИСТЕМА(№-8) ОПЦИОННЫЕ КОМПОНЕНТЫ

Схема запчастей Komatsu D155A-1 - АВТОМАТИЧ. PОБОД КОЛЕСАING СИСТЕМА(№-8) ОПЦИОННЫЕ КОМПОНЕНТЫ
FIT
1:1
100%

Артикул

Название

Примечание

Количество

|$0

6128-81-4680

APS CONTROLLER ASS'Y

SN: 10263-21482

1шт.

1

08040-00500

FUSE, 5A

SN: 10263-21482

1шт.

2

01010-30616

BOLT

SN: 10263-21482

4шт.

3

01602-00619

WASHER

SN: 10263-21482

4шт.

4

195-06-21610

CAP

SN: 10263-21482

1шт.

5

09415-01008

CAP

SN: 10263-21482

1шт.

6

600-815-2550

RESISTOR

SN: 15001-21482

1шт.

7

01010-30616

BOLT

SN: 15001-21482

4шт.

8

01602-00619

WASHER

SN: 10263-21482

4шт.

9

600-815-2520

SWITCH

SN: 10263-21482

1шт.

10

01220-40512

SCREW

SN: 15001-21482

2шт.

11

0

WASHER

SN: (15001-21482)

2шт.

12

0

PLUG

SN: 15001-21482

2шт.

13

175-06-39690

CABLE

SN: 15001-21482

1шт.

14

0

PLUG

SN: 10263-21482

1шт.

15

08036-10814

CLIP

SN: 10263-21482

2шт.

16

08034-00414

BAND

SN: 15001-21482

5шт.

17

195-98-12810

PLATE, CAUTION,(JAPANESE)

SN: 10263-21482

1шт.

17

195-98-12820

PLATE, CAUTION,(ENGLISH)

SN: 10263-21482

1шт.

17

195-98-12840

PLATE, CAUTION,(GERMAN)

SN: 10263-21482

1шт.

17

195-98-12850

PLATE, CAUTION,(SPANISH)

SN: 10263-21482

1шт.

17

195-98-12860

PLATE, CAUTION,(FRENCH)

SN: 10263-21482

1шт.

17

195-98-12870

PLATE, CAUTION,(PORTUGUESE)

SN: 10263-21482

1шт.

Выбрано товаров: 23