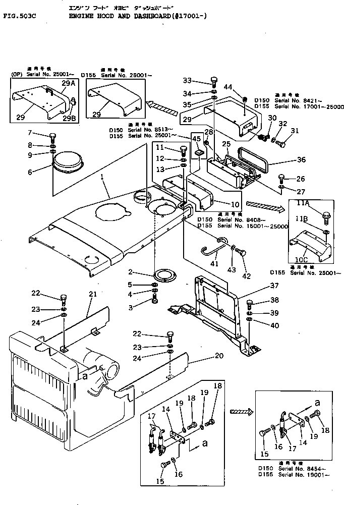
Запчасти Komatsu D155A-1 КАПОТ И ПРИБОРНАЯ ПАНЕЛЬ(№7-) ЧАСТИ КОРПУСА

Схема запчастей Komatsu D155A-1 - КАПОТ И ПРИБОРНАЯ ПАНЕЛЬ(№7-) ЧАСТИ КОРПУСА
FIT
1:1
100%

Артикул

Название

Примечание

Количество

1

175-54-21167

HOOD

SN: 17001-UP

1шт.

2

175-54-21682

COVER

SN: 17001-UP

1шт.

3

01010-30820

BOLT

SN: 15001-UP

4шт.

4

01602-00825

WASHER,SPRING

SN: 15001-25000

4шт.

5

01643-30823

WASHER

SN: 15001-UP

4шт.

6

175-862-3530

COVER

SN: 15001-UP

1шт.

7

01010-31020

BOLT

SN: 15001-UP

4шт.

8

01602-01030

WASHER,SPRING

SN: 15001-25000

4шт.

9

01643-31032

WASHER

SN: 15001-UP

4шт.

10

175-54-21841

COVER,(WITHOUT CAB)

SN: 25001-UP

1шт.

|10

175-54-21840

COVER

SN: 15001-25000

1шт.

11

01010-31235

BOLT

SN: 25001-UP

5шт.

|11

01010-31235

BOLT

SN: 15001-25000

9шт.

11A

195-54-26230

BOLT,(WITHOUT CAB)

SN: 25001-UP

5шт.

11B

175-54-34170

WASHER,(WITHOUT CAB)

SN: 25001-UP

5шт.

12

01602-01236

WASHER,SPRING

SN: 15001-25000

9шт.

13

175-54-34170

WASHER

SN: 25001-UP

5шт.

|13

175-54-34170

WASHER

SN: 19001-25000

9шт.

|13

0

WASHER

SN: 15001-19000

9шт.

14

175-54-21811

PLATE

SN: 19001-UP

2шт.

|14

175-54-21810

PLATE

SN: 15001-19000

2шт.

15

01010-31230

BOLT

SN: 15001-UP

4шт.

16

01602-01236

WASHER,SPRING

SN: 15001-UP

4шт.

17

175-54-21361

CATCH ASS'Y

SN: 19001-UP

2шт.

|17

0

CATCH ASS'Y

SN: 5508-19000

4шт.

18

01010-31025

BOLT

SN: 19001-UP

6шт.

|18

01010-31025

BOLT

SN: 15001-19000

12шт.

19

01602-01030

WASHER,SPRING

SN: 19001-UP

6шт.

|19

01602-01030

WASHER,SPRING

SN: 15001-19000

12шт.

20

175-54-31170

COVER

SN: 19001-UP

1шт.

|20

175-54-21179

COVER

SN: 17001-19000

1шт.

21

175-54-31180

COVER

SN: 19001-UP

1шт.

|21

175-54-21187

COVER

SN: 17001-19000

1шт.

22

01010-31250

BOLT

SN: 25001-UP

4шт.

|22

01010-31235

BOLT

SN: 17001-25000

4шт.

23

01602-01236

WASHER,SPRING

SN: 17001-25000

4шт.

24

175-54-21340

WASHER

SN: 17001-UP

4шт.

25

175-54-33345

DASHBOARD

SN: 25001-UP

1шт.

|25

175-54-33344

DASHBOARD

SN: 21483-25000

1шт.

|25

0

DASHBOARD

SN: 17001-21482

1шт.

26

01010-31225

BOLT

SN: 25001-UP

6шт.

|26

01010-31230

BOLT

SN: 19001-25000

4шт.

|26

01010-31225

BOLT

SN: 17001-19000

4шт.

27

01602-01236

WASHER,SPRING

SN: 17001-25000

4шт.

27A

01643-31232

WASHER

SN: 25001-UP

6шт.

|27A

01643-31232

WASHER

SN: 19001-25000

4шт.

28

09415-02512

CAP

SN: 17001-25000

2шт.

29

175-54-33443

COVER

SN: 25001-UP

1шт.

|29

175-54-33442

COVER

SN: 22146-25000

1шт.

|29

0

COVER

SN: 17001-22145

1шт.

|29

175-54-25732

COVER ASS'Y,(FOR VANDALISM PROTECTION)

SN: 25001-UP

1шт.

|29

175-54-33443

COVER

SN: 25001-UP

1шт.

29A

175-54-25653

COVER

SN: 25001-UP

1шт.

29B

09460-00000

LOCK

SN: 25001-UP

1шт.

30

175-54-33940

LOCK ASS'Y

SN: 17001-25000

1шт.

31

01010-30816

BOLT

SN: 17001-25000

1шт.

32

01602-00825

WASHER,SPRING

SN: 17001-25000

1шт.

33

195-54-26230

BOLT

SN: 25001-UP

6шт.

|33

0

BOLT

SN: 17001-25000

6шт.

34

01602-01236

WASHER,SPRING

SN: 17001-25000

6шт.

35

01643-31232

WASHER

SN: 17001-25000

6шт.

36

175-54-21533

STRIP

SN: 17001-25000

1шт.

37

175-54-34130

BRACKET

SN: 17001-UP

1шт.

38

01010-31650

BOLT

SN: 19001-UP

8шт.

|38

01010-31655

BOLT

SN: 17001-19000

8шт.

39

01602-01648

WASHER,SPRING

SN: 17001-21375

8шт.

40

01643-31645

WASHER

SN: 17001-UP

8шт.

41

09420-01903

HANDLE

SN: 19001-UP

2шт.

|41

0

HANDLE

SN: 17001-19000

2шт.

42

01010-31235

BOLT

SN: 17001-UP

4шт.

43

01602-01236

WASHER,SPRING

SN: 17001-UP

4шт.

44

07049-01215

PLUG

SN: 17001-25000

1шт.

45

175-54-34280

CAP

SN: 25001-UP

1шт.

Выбрано товаров: 0