Запчасти Komatsu D155A-1 РАДИАТОР(№7-) КОМПОНЕНТЫ ДВИГАТЕЛЯ И ЭЛЕКТРИКА

Схема запчастей Komatsu D155A-1 - РАДИАТОР(№7-) КОМПОНЕНТЫ ДВИГАТЕЛЯ И ЭЛЕКТРИКА
FIT
1:1
100%

Артикул

Название

Примечание

Количество

|1

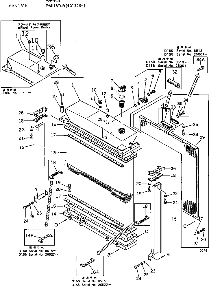
175-03-00296

RADIATOR ASS'Y

SN: 31271-UP

1шт.

|1

0

RADIATOR ASS'Y

SN: .-31270

1шт.

|1

0

RADIATOR ASS'Y

SN: 28854-.

1шт.

|1

0

RADIATOR ASS'Y

SN: 26522-28853

1шт.

|1

0

RADIATOR ASS'Y

SN: 21376-26521

1шт.

|1

175-03-00302

UPPER TANK ASS'Y

SN: .-UP

1шт.

|1

0

UPPER TANK ASS'Y

SN: 21376-.

1шт.

1

175-03-32921

TANK,UPPER

SN: .-UP

1шт.

|1

0

TANK,UPPER

SN: 21376-.

1шт.

2

154-03-11682

VALVE

SN: 15850-.

1шт.

3

07000-43045

O-RING

SN: 21376-.

1шт.

4

175-03-32570

SCREEN

SN: 15850-.

1шт.

5

01010-31025

BOLT

SN: 5508-.

2шт.

6

01602-01030

WASHER

SN: 5508-.

2шт.

7

07053-10000

CAP

SN: 5508-UP

1шт.

|7

07093-20000

CAP,(FOR VANDALISM PROTECTION)

SN: 5508-UP

1шт.

8

07057-03271

RING

SN: 5508-UP

1шт.

9

07056-00048

STRAINER

SN: 5508-UP

1шт.

10

07040-13618

PLUG

SN: 21376-UP

1шт.

11

07002-43634

O-RING

SN: .-UP

1шт.

|11

0

O-RING

SN: 21376-.

1шт.

12

07049-01012

PLUG

SN: 21376-UP

1шт.

13

175-03-32262

CORE

SN: 28854-UP

1шт.

|13

0

CORE

SN: 21376-28853

1шт.

14

175-03-31133

TANK

SN: 21376-UP

1шт.

15

175-03-32930

PLATE,L.H.

SN: 21376-UP

1шт.

|15

175-03-32940

PLATE,R.H.

SN: 21376-UP

1шт.

16

175-03-31563

GASKET

SN: 31271-UP

2шт.

|16

0

PACKING

SN: 21376-31270

2шт.

17

175-03-31181

PLATE

SN: 21376-UP

4шт.

18

175-03-32990

PLATE

SN: 26522-UP

2шт.

|18

175-03-32990

PLATE

SN: 21376-26521

4шт.

18A

175-03-32660

PLATE

SN: 26522-UP

2шт.

19

01010-31030

BOLT

SN: 21376-UP

100шт.

20

01602-01030

WASHER,SPRING

SN: 21376-UP

100шт.

21

01010-31020

BOLT

SN: 21376-UP

4шт.

22

01602-01030

WASHER,SPRING

SN: 21376-UP

4шт.

23

195-03-22160

SEAT

SN: 21376-UP

2шт.

24

01010-31030

BOLT

SN: 21376-UP

2шт.

25

01602-01030

WASHER,SPRING

SN: 21376-UP

2шт.

26

195-03-11570

SHIM¤ 1.0MM

SN: 21376-UP

8шт.

27

175-03-32650

COLLAR

SN: 21376-UP

4шт.

28

01011-31835

BOLT

SN: 21376-UP

4шт.

29

175-03-32612

GRID

SN: 21376-UP

1шт.

30

01010-31025

BOLT

SN: 21376-UP

7шт.

31

01643-31032

WASHER

SN: 21376-UP

7шт.

32

198-03-22390

BRACKET

SN: 25001-UP

3шт.

|32

0

BRACKET

SN: 21376-25000

3шт.

33

198-03-22410

PLATE

SN: 21376-UP

3шт.

34

01010-31020

BOLT

SN: 25001-UP

6шт.

|34

01010-31020

BOLT

SN: 21376-25000

12шт.

34A

01010-31035

BOLT

SN: 25001-UP

6шт.

35

01602-01030

WASHER,SPRING

SN: 21376-UP

12шт.

36

125-03-21210

CAP

SN: .-UP

1шт.

Выбрано товаров: 54