Запчасти Komatsu D155A-1 КРЕПЛЕНИЕ РАДИАТОРА(№7-) КОМПОНЕНТЫ ДВИГАТЕЛЯ И ЭЛЕКТРИКА

Схема запчастей Komatsu D155A-1 - КРЕПЛЕНИЕ РАДИАТОРА(№7-) КОМПОНЕНТЫ ДВИГАТЕЛЯ И ЭЛЕКТРИКА
FIT
1:1
100%

Артикул

Название

Примечание

Количество

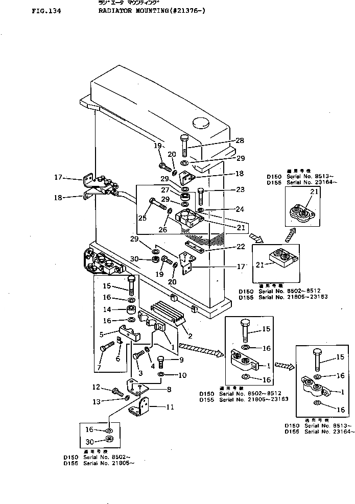
1

195-03-22501

ISOLATOR ASS'Y

SN: 23164-UP

2шт.

|1

0

ISOLATOR ASS'Y

SN: 21805-23163

2шт.

|1

198-03-22320

BRACKET

SN: 21376-21804

2шт.

2

195-03-22270

SHIM¤ 1.0MM

SN: 21376-UP

12шт.

3

01010-31245

BOLT

SN: 21376-UP

4шт.

4

01643-31232

WASHER

SN: 21376-UP

4шт.

5

198-03-22330

BRACKET

SN: 21376-21804

2шт.

6

198-03-22450

WASHER

SN: 21376-21804

2шт.

7

01010-31260

BOLT

SN: 21376-21804

2шт.

8

175-03-32972

BRACKET,L.H.

SN: 21805-UP

2шт.

|8

175-03-32971

BRACKET,L.H.

SN: 21376-21804

1шт.

|8

175-03-32981

BRACKET,R.H.

SN: 21376-21804

1шт.

9

01010-31435

BOLT

SN: 21376-UP

4шт.

10

01643-31445

WASHER

SN: 21376-UP

4шт.

11

175-03-32760

BRACKET,L.H.

SN: 21376-UP

1шт.

|11

175-03-32770

BRACKET,R.H.

SN: 21376-UP

1шт.

12

01010-31230

BOLT

SN: 21805-UP

6шт.

|12

0

BOLT

SN: 21376-21804

6шт.

13

01643-31232

WASHER

SN: 21376-UP

6шт.

14

198-03-28290

ISOLATOR

SN: 21376-21804

4шт.

15

01091-32220

BOLT

SN: 21805-UP

4шт.

|15

01090-32295

BOLT

SN: 21376-21804

4шт.

16

01643-32260

WASHER

SN: 21805-UP

12шт.

|16

01643-32260

WASHER

SN: 21376-21804

8шт.

17

175-03-32951

BRACKET

SN: 21376-UP

2шт.

18

175-03-32961

BRACKET

SN: 21376-UP

2шт.

19

01010-31230

BOLT

SN: 21805-UP

8шт.

|19

0

BOLT

SN: 21376-21804

8шт.

20

01643-31232

WASHER

SN: 21376-UP

8шт.

21

195-03-22401

ISOLATOR ASS'Y

SN: 23164-UP

2шт.

|21

0

ISOLATOR ASS'Y

SN: 21805-23163

2шт.

|21

198-03-22270

BRACKET

SN: 21376-21804

2шт.

22

198-03-21530

PLATE

SN: 21376-UP

2шт.

23

01010-31075

BOLT

SN: 21376-UP

6шт.

24

01643-01032

WASHER

SN: 21376-UP

6шт.

25

01011-31225

BOLT

SN: 21376-21804

2шт.

26

01602-01236

WASHER,SPRING

SN: 21376-21804

2шт.

27

198-03-22290

ISOLATOR

SN: 21376-21804

4шт.

28

01091-32220

BOLT

SN: 21376-UP

4шт.

29

01643-32260

WASHER

SN: 21376-UP

16шт.

30

01582-02218

NUT

SN: 21805-UP

8шт.

|30

01582-02218

NUT

SN: 21376-21804

4шт.

Выбрано товаров: 42