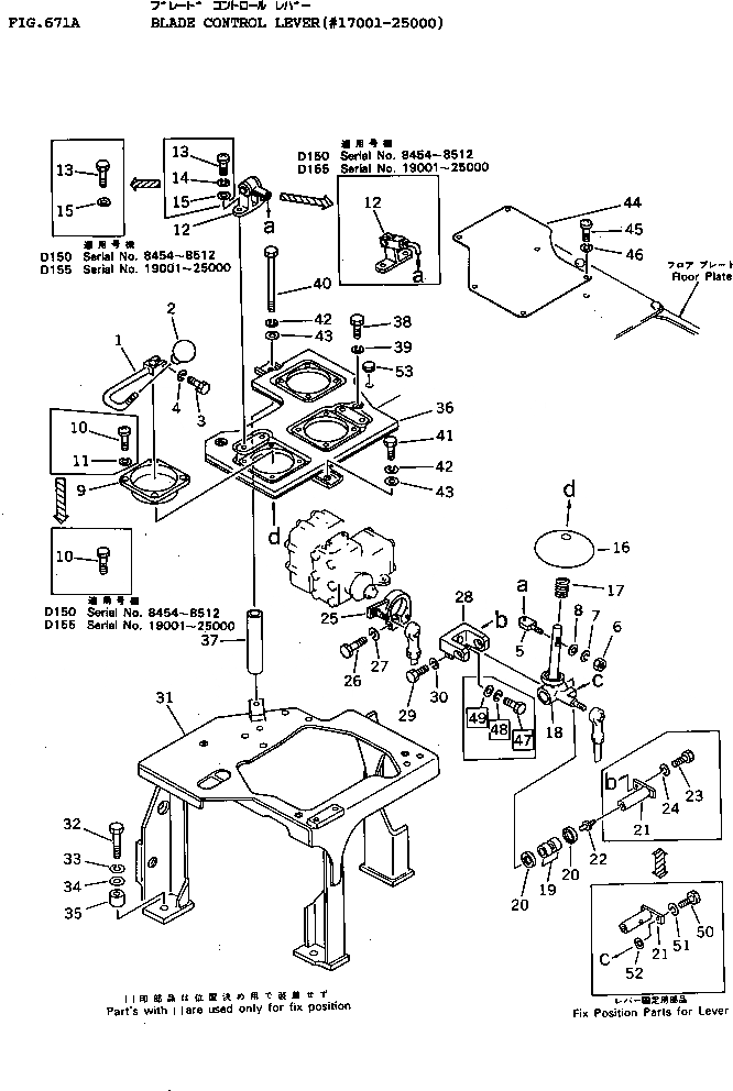
Запчасти Komatsu D155A-1 РЫЧАГ УПРАВЛЕНИЯ ОТВАЛОМ(№7-) УПРАВЛ-Е РАБОЧИМ ОБОРУДОВАНИЕМ

Схема запчастей Komatsu D155A-1 - РЫЧАГ УПРАВЛЕНИЯ ОТВАЛОМ(№7-) УПРАВЛ-Е РАБОЧИМ ОБОРУДОВАНИЕМ
FIT
1:1
100%

Артикул

Название

Примечание

Количество

1

175-61-13930

LEVER

SN: 15001-@

1шт.

|1

175-61-13561

LEVER

SN: 5507-5507

1шт.

2

09304-01250

KNOB

SN: 15001-@

1шт.

3

01010-30825

BOLT

SN: 15001-25000

1шт.

4

01602-00825

WASHER

SN: 15001-25000

1шт.

5

154-61-16460

HOOK

SN: 15001-@

1шт.

6

01580-00605

NUT

SN: 15001-@

1шт.

7

01602-00619

WASHER

SN: 15001-@

1шт.

8

01643-30623

WASHER

SN: 17001-@

1шт.

9

154-61-16421

COVER

SN: 17001-25000

1шт.

10

01010-30820

BOLT

SN: 19001-25000

4шт.

|10

0

SCREW

SN: 17001-19000

4шт.

11

01602-00825

WASHER

SN: 15001-19000

4шт.

12

195-61-21401

LOCK ASS'Y

SN: 19001-25000

1шт.

|12

0

LOCK ASS'Y

SN: 17001-19000

1шт.

13

01010-30820

BOLT

SN: 19001-25000

2шт.

|13

0

SCREW

SN: 17001-19000

2шт.

14

01602-00825

WASHER

SN: 15001-19000

2шт.

15

01643-30823

WASHER

SN: 17001-25000

2шт.

16

175-61-13580

SEAL

SN: 15001-@

1шт.

17

175-61-13570

SPRING

SN: 15001-@

1шт.

18

175-61-13610

LEVER

SN: 15001-25000

1шт.

19

06120-02520

BEARING

SN: 15001-25000

2шт.

20

06122-02504

SEAL

SN: 15001-25000

2шт.

21

175-61-13630

SHAFT

SN: 15001-25000

1шт.

22

07020-00000

FITTING

SN: 17001-25000

1шт.

23

01010-30820

BOLT

SN: 15001-@

1шт.

24

01602-00825

WASHER

SN: 15001-@

1шт.

25

195-61-13641

BRACKET

SN: 17001-@

1шт.

26

01010-30840

BOLT

SN: 17001-@

1шт.

27

01602-00825

WASHER

SN: 15001-@

1шт.

28

175-61-13621

YOKE

SN: 17001-@

1шт.

29

01010-30830

BOLT

SN: 17001-@

1шт.

30

01602-00825

WASHER

SN: 15001-@

1шт.

31

175-61-13882

FRAME

SN: 17001-@

1шт.

32

01010-31465

BOLT

SN: 17001-25000

3шт.

33

01602-01442

WASHER

SN: 17001-25000

3шт.

34

01643-31445

WASHER

SN: 17001-@

3шт.

35

198-21-12240

BOSS

SN: 17001-@

3шт.

36

195-61-21500

SEAT ASS'Y

SN: 17001-25000

1шт.

37

195-61-21440

SPACER

SN: 17001-@

1шт.

38

01010-30816

BOLT

SN: 17001-@

2шт.

39

01602-00825

WASHER

SN: 17001-@

2шт.

40

01011-31280

BOLT

SN: 17001-@

1шт.

41

01010-31225

BOLT

SN: 17001-25000

1шт.

42

01602-01236

WASHER

SN: 17001-25000

2шт.

43

01643-31232

WASHER

SN: 17001-@

2шт.

44

175-61-13861

COVER

SN: 17001-25000

1шт.

45

195-61-21520

SCREW

SN: 17001-25000

6шт.

46

01602-00825

WASHER

SN: 17001-25000

6шт.

47

01010-30835

BOLT

SN: 17001-@

1шт.

48

01602-00825

WASHER

SN: 15001-25000

1шт.

49

01643-30823

WASHER

SN: 15001-@

1шт.

50

01010-30820

BOLT

SN: 15001-@

1шт.

51

01602-00825

WASHER

SN: 15001-@

1шт.

52

01643-30823

WASHER

SN: 15001-@

1шт.

53

09415-01008

CAP

SN: 15078-@

1шт.

Выбрано товаров: 57