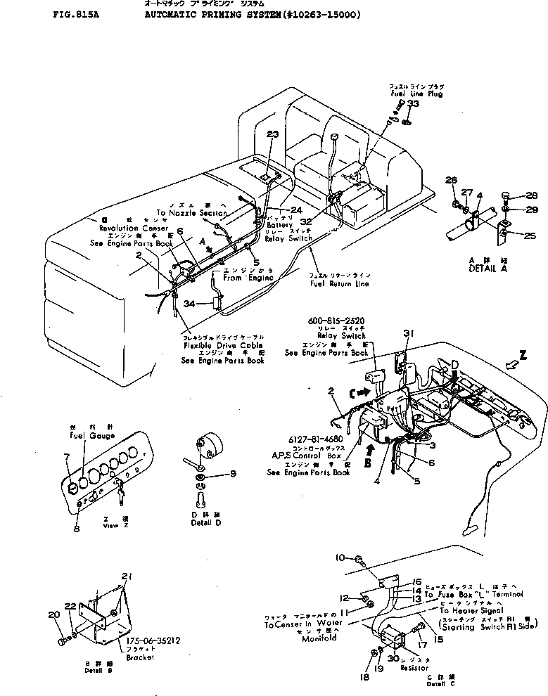
Запчасти Komatsu D155A-1 АВТОМАТИЧ. PОБОД КОЛЕСАING СИСТЕМА(№-) ОПЦИОННЫЕ КОМПОНЕНТЫ

Схема запчастей Komatsu D155A-1 - АВТОМАТИЧ. PОБОД КОЛЕСАING СИСТЕМА(№-) ОПЦИОННЫЕ КОМПОНЕНТЫ
FIT
1:1
100%

Артикул

Название

Примечание

Количество

1

195-06-21670

PLATE

SN: 10263-15000

1шт.

2

08034-00414

BAND

SN: 10263-15000

6шт.

3

08036-01814

CLIP

SN: 10263-15000

1шт.

4

154-06-33110

CLAMP

SN: 10263-15000

1шт.

5

08034-00519

BAND

SN: 10263-15000

10шт.

6

175-06-39420

WIRE ASS'Y

SN: 10263-15000

1шт.

7

195-06-21610

CAP

SN: 10263-15000

1шт.

8

09415-01008

CAP

SN: 10263-15000

1шт.

9

01642-20508

WASHER

SN: 10263-15000

1шт.

10

01016-20515

BOLT

SN: 10263-15000

2шт.

11

01580-10504

NUT

SN: 10263-15000

2шт.

12

01602-20513

WASHER

SN: 10263-15000

2шт.

13

195-06-21650

WIRE

SN: 10263-15000

1шт.

14

195-06-21640

WIRE

SN: 10263-15000

1шт.

15

195-06-21630

WIRE

SN: 10263-15000

1шт.

16

195-06-21660

WIRE

SN: 10263-15000

1шт.

17

01010-50612

BOLT

SN: 10263-15000

4шт.

18

01580-10605

NUT

SN: 10263-15000

4шт.

19

01602-20619

WASHER

SN: 10263-15000

4шт.

20

01010-50616

BOLT

SN: 10263-15000

4шт.

21

01580-10605

NUT

SN: 10263-15000

4шт.

22

01602-20619

WASHER

SN: 10263-15000

4шт.

23

195-98-12810

PLATE¤ CAUTION

SN: 10263-15000

1шт.

24

195-06-15960

CABLE

SN: 10263-15000

1шт.

25

175-06-37510

PLATE

SN: 10263-15000

1шт.

26

01010-51016

BOLT

SN: 10263-15000

1шт.

27

01602-21030

WASHER

SN: 10263-15000

1шт.

28

01010-51435

BOLT

SN: 10263-15000

1шт.

29

01602-21442

WASHER

SN: 10263-15000

1шт.

30

600-815-2540

RESISTOR

SN: 10263-15000

1шт.

31

08040-00300

FUSE¤ 3A

SN: 10263-15000

1шт.

32

08088-10000

SWITCH

SN: 10263-15000

1шт.

33

07042-00108

PLUG

SN: 10263-15000

1шт.

34

08036-10814

CLIP

SN: 10263-15000

2шт.

Выбрано товаров: 0