Запчасти Komatsu D155A-1 ОБОГРЕВАТЕЛЬ. (ДЛЯ КАБИНЫ) (/)(№8-) ОПЦИОННЫЕ КОМПОНЕНТЫ

Схема запчастей Komatsu D155A-1 - ОБОГРЕВАТЕЛЬ. (ДЛЯ КАБИНЫ) (/)(№8-) ОПЦИОННЫЕ КОМПОНЕНТЫ
FIT
1:1
100%

Артикул

Название

Примечание

Количество

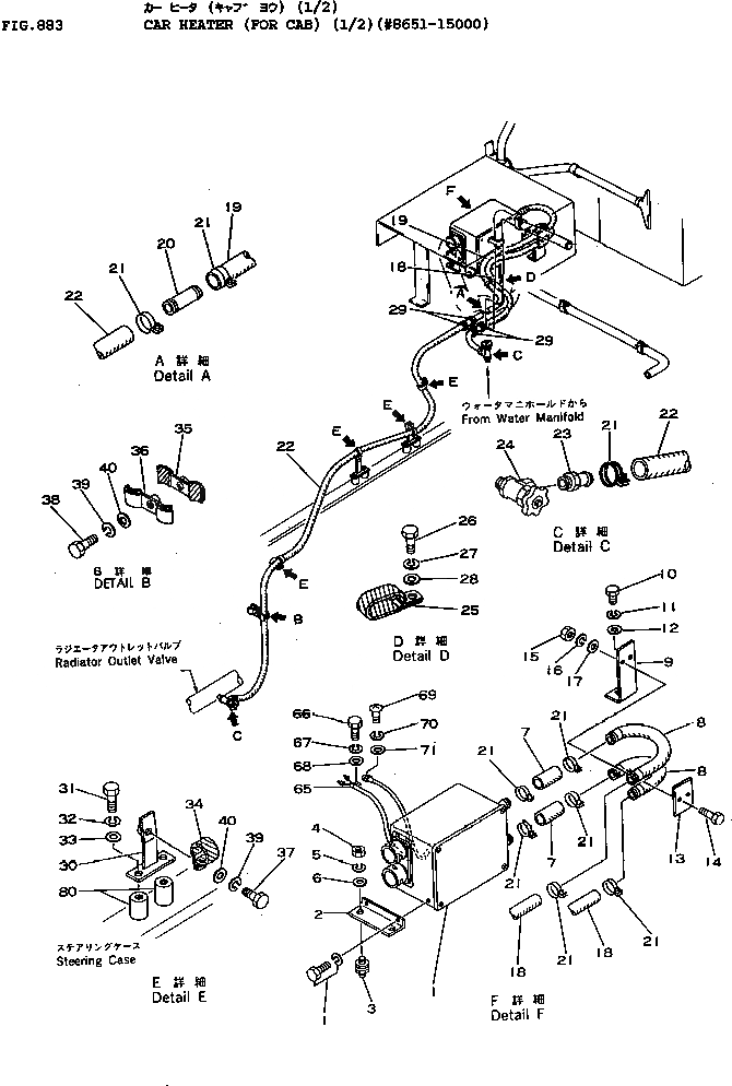
1

195-911-4250

CAR HEATER ASS'Y

SN: 8651-15000

1шт.

2

195-904-6140

BRACKET

SN: 8651-15000

2шт.

3

454-06-13910

CUSHION

SN: 8651-15000

4шт.

4

01582-01008

NUT

SN: 8651-15000

4шт.

5

01602-01030

WASHER

SN: 8651-15000

4шт.

6

01641-21016

WASHER

SN: 8651-15000

4шт.

7

195-911-5680

HOSE

SN: 8651-15000

2шт.

8

195-904-6280

TUBE

SN: 8651-15000

2шт.

9

195-904-6290

PLATE

SN: 8651-15000

1шт.

10

01010-31235

BOLT

SN: 8651-15000

1шт.

11

01602-01236

WASHER

SN: 8651-15000

1шт.

12

01643-01232

WASHER

SN: 8651-15000

1шт.

13

195-904-6310

PLATE

SN: 8651-15000

1шт.

14

01010-31050

BOLT

SN: 8651-15000

2шт.

15

01580-01008

NUT

SN: 8651-15000

2шт.

16

01602-01030

WASHER

SN: 8651-15000

2шт.

17

01643-01032

WASHER

SN: 8651-15000

2шт.

18

175-904-6250

HOSE

SN: 8651-15000

1шт.

19

175-904-6260

HOSE

SN: 8651-15000

1шт.

20

195-904-6260

JOINT

SN: 8651-15000

1шт.

21

07280-03826

CLAMP

SN: 8651-15000

10шт.

22

195-904-6270

HOSE

SN: 8651-15000

1шт.

23

113-899-7970

JOINT

SN: 8651-15000

2шт.

24

195-904-6190

VALVE

SN: 8651-15000

2шт.

25

195-911-4350

CLIP

SN: 8651-15000

1шт.

26

01010-31030

BOLT

SN: 8651-15000

1шт.

27

01602-01030

WASHER

SN: 8651-15000

1шт.

28

01643-01032

WASHER

SN: 8651-15000

1шт.

29

195-904-6170

GROMMET

SN: 8651-15000

4шт.

30

175-904-6210

BRACKET

SN: 8651-15000

2шт.

31

01010-31030

BOLT

SN: 8651-15000

4шт.

32

01602-01030

WASHER

SN: 8651-15000

4шт.

33

01643-01032

WASHER

SN: 8651-15000

4шт.

34

113-899-7950

CLIP

SN: 8651-15000

4шт.

35

175-904-6130

CLAMP

SN: 8651-15000

1шт.

36

175-904-6140

CLAMP

SN: 8651-15000

1шт.

37

01010-31020

BOLT

SN: 8651-15000

4шт.

38

01010-31035

BOLT

SN: 8651-15000

1шт.

39

01602-01030

WASHER

SN: 8651-15000

5шт.

40

01643-01032

WASHER

SN: 8651-15000

5шт.

65

08036-30614

CLIP

SN: 8651-15000

1шт.

66

01010-31020

BOLT

SN: 8651-15000

1шт.

67

01602-01030

WASHER

SN: 8651-15000

1шт.

68

01643-01032

WASHER

SN: 8651-15000

1шт.

69

01220-30412

SCREW

SN: 8651-15000

1шт.

70

01601-00410

WASHER

SN: 8651-15000

1шт.

71

01642-00405

WASHER

SN: 8651-15000

1шт.

80

195-904-6230

BOSS

SN: 8651-15000

5шт.

Выбрано товаров: 48