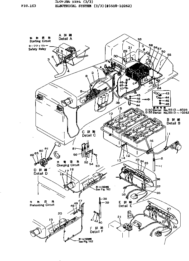
Запчасти Komatsu D155A-1 ЭЛЕКТРИКА (/)(№8-) КОМПОНЕНТЫ ДВИГАТЕЛЯ И ЭЛЕКТРИКА

Схема запчастей Komatsu D155A-1 - ЭЛЕКТРИКА (/)(№8-) КОМПОНЕНТЫ ДВИГАТЕЛЯ И ЭЛЕКТРИКА
FIT
1:1
100%

Артикул

Название

Примечание

Количество

1

175-06-37132

WIRE ASS'Y

SN: 8651-@

1шт.

|1

175-06-37131

WIRE ASS'Y

SN: 5508-8650

1шт.

2

08019-01926

CLIP

SN: 6843-@

2шт.

|2

0

RING

SN: 5508-6842

2шт.

3

175-06-37121

WIRE ASS'Y

SN: 5508-10262

1шт.

4

08019-01521

CLIP

SN: 5508-@

2шт.

5

175-06-36150

CLIP

SN: 5508-10262

1шт.

6

01010-31020

BOLT

SN: 5508-10262

1шт.

7

01602-01030

WASHER

SN: 5508-10262

1шт.

8

175-06-36150

CLIP

SN: 5508-10262

1шт.

9

154-06-13130

CAP

SN: 5508-@

1шт.

10

154-06-13570

CABLE

SN: 5508-8650

1шт.

11

08038-06031

CAP

SN: 5508-@

1шт.

12

175-06-36140

CLAMP

SN: 5508-8650

1шт.

13

01580-00605

NUT

SN: 6091-8650

1шт.

|13

01580-30605

NUT

SN: 5508-6090

1шт.

14

01602-00619

WASHER

SN: 5508-8650

1шт.

15

154-06-13580

WIRE

SN: 5508-8650

1шт.

16

170-43-11370

GROMMET

SN: 5508-@

1шт.

17

154-06-13740

RING

SN: 5508-6842

1шт.

19

140-06-18260

CAP

SN: 7001-@

5шт.

|19

140-06-18260

CAP

SN: 5508-7000

7шт.

20

175-06-27170

WIRE

SN: 5508-7000

2шт.

21

195-06-15190

WIRE

SN: 5508-10262

1шт.

22

154-06-31220

WIRE

SN: 5508-10262

1шт.

23

08036-10614

CLIP

SN: 8257-@

3шт.

|23

08036-10614

CLIP

SN: 5508-8256

1шт.

24

01010-31016

BOLT

SN: 8257-@

3шт.

|24

01010-31016

BOLT

SN: 5508-8256

1шт.

25

01602-01030

WASHER

SN: 8257-@

3шт.

|25

01602-01030

WASHER

SN: 5508-8256

1шт.

26

01640-21016

WASHER

SN: 8257-10262

3шт.

|26

01640-21016

WASHER

SN: 5508-8256

1шт.

27

145-06-34571

WIRE

SN: 5508-10262

1шт.

28

175-06-37220

WIRE

SN: 5508-6842

1шт.

29

08037-01610

GROMMET

SN: 8257-@

2шт.

30

08064-10000

SWITCH

SN: 8257-@

1шт.

31

175-06-37411

WIRE

SN: 8651-10262

1шт.

|31

175-06-37410

WIRE

SN: 8257-8650

1шт.

32

175-06-37480

WIRE

SN: 8651-10262

1шт.

33

08022-04004

CONNECTOR

SN: 5508-5512

2шт.

34

175-06-37190

WIRE

SN: 5508-5512

1шт.

35

175-06-26150

CLAMP

SN: 5508-@

4шт.

36

01010-31016

BOLT

SN: 5508-@

2шт.

37

01602-01030

WASHER

SN: 5508-@

2шт.

38

175-06-37164

WIRE ASS'Y

SN: 8257-10262

1шт.

|38

175-06-37162

WIRE ASS'Y

SN: 5508-8256

1шт.

39

08019-01014

CLIP

SN: 6843-10262

2шт.

|39

154-06-13740

RING

SN: 5508-6842

2шт.

40

175-06-26150

CLAMP

SN: 7001-10262

2шт.

|40

154-06-13630

CLAMP

SN: 5508-7000

2шт.

41

01010-30816

BOLT

SN: 6091-10262

2шт.

|41

01000-30816

BOLT

SN: 5508-6090

2шт.

42

01602-00825

WASHER

SN: 5508-10262

2шт.

43

175-06-36121

PLATE

SN: 5513-10262

2шт.

|43

175-06-36120

PLATE

SN: 5508-5512

2шт.

44

175-49-22470

CLAMP

SN: 5513-@

2шт.

|44

07283-03450

CLIP

SN: 5508-5512

2шт.

45

01010-31230

BOLT

SN: 5513-@

2шт.

|45

01500-31008

NUT

SN: 5508-5512

4шт.

46

01602-01236

WASHER

SN: 5513-@

2шт.

|46

01602-01030

WASHER

SN: 5508-5512

4шт.

47

154-06-21190

CLAMP

SN: 5508-10262

4шт.

48

01010-30816

BOLT

SN: 6091-@

4шт.

|48

01040-30816

BOLT

SN: 5508-6090

4шт.

49

01602-00825

WASHER

SN: 5508-@

4шт.

50

175-06-37171

WIRE ASS'Y

SN: 8651-10262

1шт.

|50

175-06-37170

WIRE ASS'Y

SN: 5508-8650

1шт.

51

08019-01014

CLIP

SN: 6843-@

2шт.

|51

154-06-13740

RING

SN: 5508-6842

2шт.

52

154-06-33170

CLAMP

SN: 5508-10262

1шт.

53

01010-30816

BOLT

SN: 6091-@

2шт.

|53

01040-30816

BOLT

SN: 5508-6090

2шт.

54

01602-00825

WASHER

SN: 5508-@

2шт.

55

154-06-33130

CLAMP

SN: 5508-10262

3шт.

56

154-06-31160

WIRE

SN: 5508-@

1шт.

57

08037-01610

GROMMET

SN: 5508-@

1шт.

58

08128-32400

LAMP

SN: 6091-@

1шт.

|58

08128-12400

LAMP

SN: 5508-6090

1шт.

|58

08128-30000

BODY

SN: 6091-@

1шт.

|58

08128-10000

BODY

SN: 5508-6090

1шт.

|58

08113-02480

BULB¤ 80W

SN: 5508-@

1шт.

59

175-06-37230

WIRE ASS'Y

SN: 5508-6842

1шт.

60

175-06-35192

GAUGE UNIT

SN: 8651-@

1шт.

|60

175-06-35191

GAUGE UNIT

SN: 6843-8650

1шт.

|60

175-06-35190

GAUGE UNIT

SN: 5508-6842

1шт.

61

07000-02085

O-RING

SN: 5508-@

4шт.

62

01010-31025

BOLT

SN: 5508-@

4шт.

63

01602-01030

WASHER

SN: 5508-@

4шт.

Выбрано товаров: 89