Запчасти Komatsu S6D155-4B - -

Схема запчастей Komatsu S6D155-4B - - -
FIT
1:1
100%

Артикул

Название

Примечание

Количество

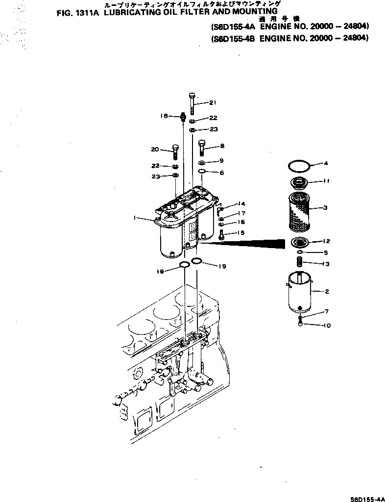
|1

6127-51-5401

SN: 21169-24804

1шт.

|1

6127-51-5400

SN: 20000-21168

1шт.

1

6127-51-5411

SN: 21169-24804

1шт.

|1

6127-51-5410

SN: 20000-21168

1шт.

2

600-211-1111

SN: 21169-24804

3шт.

|2

600-211-1110

SN: 20000-21168

3шт.

|3

6127-51-5040

SN: 20000-24804

3шт.

3

0

SN: 20000-24804

1шт.

4

6162-52-5170

SN: 20000-24804

1шт.

5

07000-03022

SN: 20000-24804

1шт.

6

600-211-1420

SN: 20000-24804

1шт.

7

07005-01412

SN: 20000-24804

3шт.

8

600-211-1510

SN: 20000-24804

3шт.

9

600-211-1540

SN: 20000-24804

3шт.

10

6110-53-5910

SN: 20000-24804

3шт.

11

600-211-1621

SN: 20006-24804

3шт.

|11

600-211-1620

SN: 20000-20005

3шт.

12

600-211-1650

SN: 20000-24804

3шт.

13

600-211-1640

SN: 20000-24804

3шт.

14

600-211-1610

SN: 20000-24804

6шт.

15

01010-30820

SN: 20000-24804

6шт.

16

01602-00825

SN: 20000-24804

6шт.

17

01640-20816

SN: 20000-24804

6шт.

18

07213-50510

SN: 20000-@

1шт.

19

07000-65055

SN: 20000-@

2шт.

20

01010-31240

SN: 20000-@

6шт.

21

01010-31285

SN: 20000-@

4шт.

22

01602-01236

SN: 20000-@

10шт.

23

01640-21223

SN: 20000-@

10шт.

24

09645-00120

SN: 20000-24804

1шт.

25

6127-81-5230

SN: 20000-24804

1шт.

|1

6127-51-5401

SN: 21169-24804

1шт.

|1

6127-51-5400

SN: 20000-21168

1шт.

1

6127-51-5411

SN: 21169-24804

1шт.

|1

6127-51-5410

SN: 20000-21168

1шт.

2

600-211-1111

SN: 21169-24804

3шт.

|2

600-211-1110

SN: 20000-21168

3шт.

|3

6127-51-5040

SN: 20000-24804

3шт.

3

0

SN: 20000-24804

1шт.

4

6162-52-5170

SN: 20000-24804

1шт.

5

07000-03022

SN: 20000-24804

1шт.

6

600-211-1420

SN: 20000-24804

1шт.

7

07005-01412

SN: 20000-24804

3шт.

8

600-211-1510

SN: 20000-24804

3шт.

9

600-211-1540

SN: 20000-24804

3шт.

10

6110-53-5910

SN: 20000-24804

3шт.

11

600-211-1621

SN: 20006-24804

3шт.

|11

600-211-1620

SN: 20000-20005

3шт.

12

600-211-1650

SN: 20000-24804

3шт.

13

600-211-1640

SN: 20000-24804

3шт.

14

600-211-1610

SN: 20000-24804

6шт.

15

01010-30820

SN: 20000-24804

6шт.

16

01602-00825

SN: 20000-24804

6шт.

17

01640-20816

SN: 20000-24804

6шт.

18

07213-50510

SN: 20000-@

1шт.

19

07000-65055

SN: 20000-@

2шт.

20

01010-31240

SN: 20000-@

6шт.

21

01010-31285

SN: 20000-@

4шт.

22

01602-01236

SN: 20000-@

10шт.

23

01640-21223

SN: 20000-@

10шт.

24

09645-00120

SN: 20000-24804

1шт.

25

6127-81-5230

SN: 20000-24804

1шт.

Выбрано товаров: 62