Запчасти Komatsu D155A-2 БЛОК КОНДИЦИОНЕРА (/) ЧАСТИ КОРПУСА

Схема запчастей Komatsu D155A-2 - БЛОК КОНДИЦИОНЕРА (/) ЧАСТИ КОРПУСА
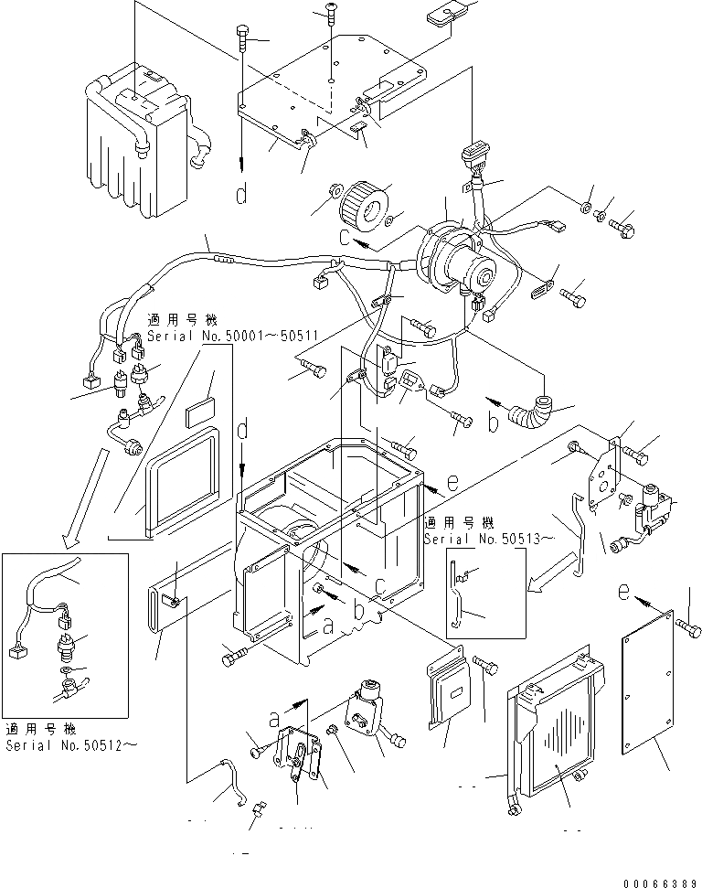
1
2
3
4
5
6
7
8
9
10
10
11
11
12
13
14
15
16
16
16
17
17
17
17
17
18
19
19
20
21
22
23
24
25
26
26A
27
27
27A
28
28
29
29
30
31
31A
32
33
33A
34
35
36
37
38
39
40
41
41
42
43
FIT
1:1
100%

Артикул

Название

Примечание

Количество

|$0

195-911-7211

UNIT ASS'Y

SN: 52793-UP

1шт.

|$1

195-911-7210

UNIT ASS'Y

SN: 52058-52792

1шт.

|$2

195-Z11-5704

UNIT ASS'Y

SN: 50661-52057

1шт.

|$3

0

UNIT ASS'Y

SN: 50512-50660

1шт.

|$4

195-Z11-5702

UNIT ASS'Y

SN: 50001-50511

1шт.

|$5

175-911-8281

UNIT ASS'Y,(FOR SLAG HANDLING)

SN: 52793-UP

1шт.

|$6

0

UNIT ASS'Y,(FOR SLAG HANDLING)

SN: 52058-52792

1шт.

|$7

175-911-7500

UNIT ASS'Y,(FOR SLAG HANDLING)

SN: 50001-52057

1шт.

|$$9

THESE ASSEMBLIES CONSIST OF ALL PARTS SHOWN IN FIGS.5915 AND 5916.

-1шт.

1

195-Z11-5540

MOTOR ASS'Y

SN: 50001-UP

1шт.

2

195-Z11-5560

PACKING

SN: 50001-UP

1шт.

3

145-Z79-6660

BOLT

SN: 50001-UP

3шт.

4

145-Z79-6670

INSERT

SN: 50001-UP

3шт.

5

145-Z79-6680

BUSHING

SN: 50001-UP

3шт.

6

195-Z11-5570

FAN

SN: 50001-UP

1шт.

7

198-911-5540

WASHER

SN: 50001-UP

1шт.

8

198-911-5530

NUT

SN: 50001-UP

1шт.

9

195-Z11-5580

PIPE

SN: 50001-UP

1шт.

10

195-911-7330

WIRING HARNESS

SN: 52058-UP

1шт.

10

195-Z11-5962

WIRING HARNESS

SN: 50512-52057

1шт.

10

195-Z11-5961

WIRING HARNESS

SN: 50001-50511

1шт.

11

195-911-7340

SWITCH

SN: 52058-UP

1шт.

11

195-Z11-5691

SWITCH

SN: 50512-52057

1шт.

11

195-Z11-5690

SWITCH

SN: 50001-50511

1шт.

12

198-911-5630

SWITCH

SN: 50001-50511

1шт.

13

195-Z11-5590

RESISTOR

SN: 50001-UP

1шт.

14

01220-40416

SCREW

SN: 50001-UP

1шт.

15

195-Z11-5840

RELAY ASS'Y

SN: 50001-UP

1шт.

16

195-Z11-6150

CLAMP

SN: 50001-UP

2шт.

17

01010-50616

BOLT

SN: 50001-UP

6шт.

18

195-Z11-5892

COVER

SN: 50001-UP

1шт.

19

195-Z11-5880

CLAMP

SN: 50001-UP

2шт.

20

195-Z11-5810

GROMMET

SN: 50001-UP

1шт.

21

195-Z11-5940

SCREW

SN: 50001-UP

2шт.

22

195-Z11-7160

CLAMP

SN: 50001-UP

2шт.

23

01010-50816

BOLT

SN: 50001-UP

11шт.

24

ND113104-0310

PLATE, NAME

SN: 50512-UP

1шт.

24

ND113104-0160

PLATE, NAME

SN: 50001-50511

1шт.

25

195-Z11-7180

ACTUATOR ASS'Y

SN: 50001-UP

1шт.

26

195-Z11-6210

LINK

SN: 50001-UP

1шт.

26A

ND146625-1920

BUSHING

SN: 50001-UP

1шт.

27

195-Z11-6252

SHAFT

SN: 50512-UP

1шт.

27

195-Z11-6251

SHAFT

SN: 50001-50511

1шт.

27A

195-Z11-6270

SPRING

SN: 50512-UP

1шт.

28

195-Z11-6280

BUSHING

SN: 50001-UP

2шт.

29

01370-00412

SCREW

SN: 50001-UP

8шт.

30

195-Z11-7190

ACTUATOR ASS'Y

SN: 50001-UP

1шт.

31

195-Z11-6220

LINK

SN: 50001-UP

1шт.

31A

ND146690-1990

CLAMP

SN: 50001-UP

1шт.

32

01010-50616

BOLT

SN: 50001-UP

3шт.

33

195-Z11-6191

DAMPER

SN: 50001-UP

1шт.

33A

ND146625-1920

BUSHING

SN: 50001-UP

1шт.

34

195-Z11-6260

SHAFT

SN: 50001-UP

1шт.

35

ND146669-4940

PACKING

SN: 50001-50511

1шт.

36

195-Z11-6240

PACKING

SN: 50001-50511

1шт.

37

195-Z11-6182

AMP ASS'Y

SN: 52793-UP

1шт.

37

0

AMP ASS'Y

SN: 50661-52792

1шт.

37

0

AMP ASS'Y

SN: 50001-50660

1шт.

38

195-Z11-5862

HOLDER

SN: 50001-UP

1шт.

39

195-Z11-5870

FILTER

SN: 50001-UP

1шт.

40

195-Z11-5920

COVER

SN: 50001-UP

1шт.

41

01010-50816

BOLT

SN: 50001-UP

10шт.

42

195-Z11-6270

SPRING

SN: 50001-UP

1шт.

43

ND146649-1170

PACKING

SN: 50512-UP

1шт.

Выбрано товаров: 0