Запчасти Komatsu D155A-2 МЕХ-М ОТБОРА МОЩНОСТИ ВАЛ (ДЛЯ ЗАДН. P.C.U.) РАБОЧЕЕ ОБОРУДОВАНИЕ

Схема запчастей Komatsu D155A-2 - МЕХ-М ОТБОРА МОЩНОСТИ ВАЛ (ДЛЯ ЗАДН. P.C.U.) РАБОЧЕЕ ОБОРУДОВАНИЕ
FIT
1:1
100%

Артикул

Название

Примечание

Количество

G-1

0

REAR P.C.U. GROUP

SN: 50001-UP

1шт.

|$$2

====================

-1шт.

|$2

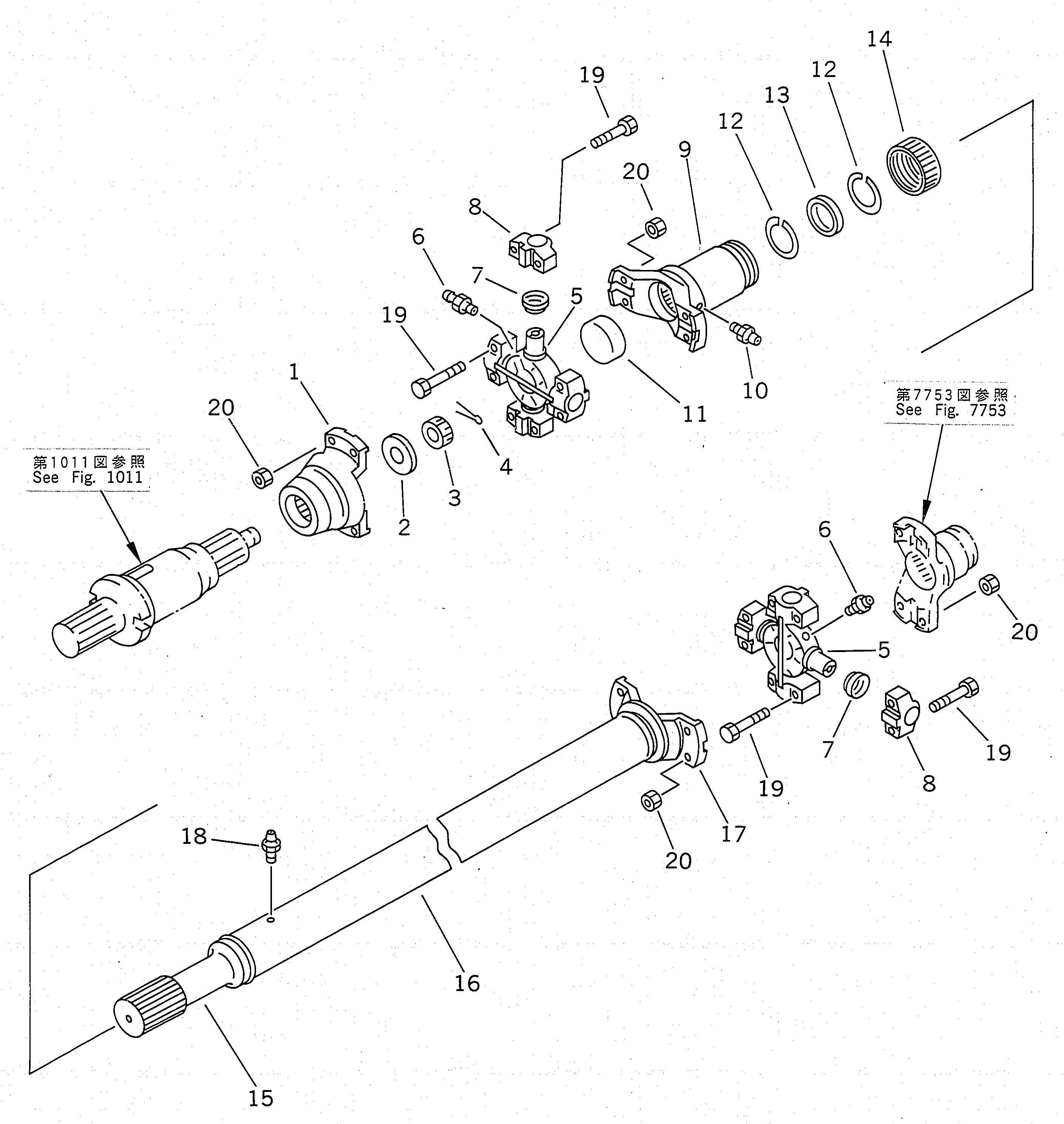
175-65-00311

SHAFT ASS'Y

SN: 50001-UP

1шт.

1

154-67-11144

COUPLING

SN: 50001-UP

1шт.

2

154-67-11150

PLATE

SN: 50001-UP

1шт.

3

01593-01813

NUT

SN: 50001-UP

1шт.

4

04050-04030

PIN,COTTER

SN: 50001-UP

1шт.

|$7

145-14-35110

SPIDER ASS'Y

SN: 50001-UP

2шт.

5

0

SPIDER

SN: 50001-UP

1шт.

6

0

FITTING,GREASE

SN: 50001-UP

1шт.

7

0

SEAL,DUST

SN: 50001-UP

4шт.

8

0

BEARING

SN: 50001-UP

4шт.

9

154-67-11192

COUPLING

SN: 50001-UP

1шт.

10

07020-00000

FITTING,GREASE

SN: 50001-UP

1шт.

11

175-67-31350

CUP,DUST

SN: 50001-UP

1шт.

12

175-67-31330

RETAINER,WASHER

SN: 50001-UP

2шт.

13

175-67-31320

WASHER,FELT

SN: 50001-UP

1шт.

14

175-67-31340

CAP,RETAINER

SN: 50001-UP

1шт.

|$18

175-67-31301

JOINT ASS'Y

SN: 50001-UP

1шт.

15

0

SHAFT

SN: 50001-UP

1шт.

16

0

PIPE

SN: 50001-UP

1шт.

17

0

COUPLING

SN: 50001-UP

1шт.

18

175-67-31361

FITTING,GREASE

SN: 50001-UP

1шт.

19

154-67-32120

BOLT

SN: 50001-UP

16шт.

20

01580-11008

NUT

SN: 50001-UP

16шт.

|$$26

====================

-1шт.

Выбрано товаров: 26