Запчасти Komatsu D155A-2 УПРАВЛ-Е ТРАНСМИССИЕЙ МЕХАНИЗМ (/) СИСТЕМА УПРАВЛЕНИЯ

Схема запчастей Komatsu D155A-2 - УПРАВЛ-Е ТРАНСМИССИЕЙ МЕХАНИЗМ (/) СИСТЕМА УПРАВЛЕНИЯ
FIT
1:1
100%

Артикул

Название

Примечание

Количество

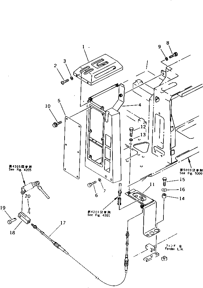
1

154-43-43110

GUIDE

SN: 50001-UP

1шт.

2

01220-40816

SCREW

SN: 50001-UP

4шт.

3

01643-30823

WASHER

SN: 50001-UP

4шт.

4

154-43-43120

COVER

SN: 50001-UP

1шт.

5

154-43-43270

COVER

SN: 50001-UP

1шт.

6

01010-51290

BOLT

SN: 50001-UP

2шт.

7

01643-31232

WASHER

SN: 50001-UP

2шт.

8

01010-51225

BOLT

SN: 50001-UP

3шт.

9

01643-31232

WASHER

SN: 50001-UP

3шт.

10

01439-00814

BOLT

SN: 52345-UP

6шт.

|10

0

BOLT

SN: 50001-52344

6шт.

11

175-43-54351

BRACKET

SN: 50001-UP

1шт.

12

01010-51230

BOLT

SN: 50001-UP

3шт.

13

01643-31232

WASHER

SN: 50001-UP

3шт.

14

175-61-14490

SPACER

SN: 50001-UP

2шт.

15

01010-51240

BOLT

SN: 50001-UP

2шт.

16

175-54-34170

WASHER

SN: 50001-UP

2шт.

17

154-43-43160

CABLE

SN: 50001-UP

1шт.

18

04211-20844

YOKE

SN: 50001-UP

1шт.

19

04205-10822

PIN

SN: 50001-UP

1шт.

20

04050-12015

PIN,COTTER

SN: 50001-UP

1шт.

Выбрано товаров: 21