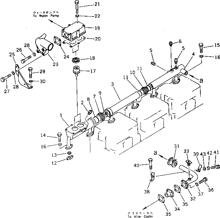
Запчасти Komatsu S6D155-4S ВОДЯНОЙ КОЛЛЕКТОР И ТЕРМОСТАТ (С ПОСЛЕОХЛАДИТЕЛЬ) ГОЛОВКА ЦИЛИНДРОВ

Схема запчастей Komatsu S6D155-4S - ВОДЯНОЙ КОЛЛЕКТОР И ТЕРМОСТАТ (С ПОСЛЕОХЛАДИТЕЛЬ) ГОЛОВКА ЦИЛИНДРОВ
FIT
1:1
100%

Артикул

Название

Примечание

Количество

1

6127-11-6121

MANIFOLD,WATER¤ FRONT

SN: 52707-UP

1шт.

2

07042-00211

PLUG

SN: 52707-UP

1шт.

3

6128-11-6210

MANIFOLD,WATER¤ CENTER

SN: 52707-UP

1шт.

4

6128-11-6312

MANIFOLD,WATER¤ REAR

SN: 52707-UP

1шт.

5

07042-00415

PLUG

SN: 52707-UP

2шт.

6

07042-00312

PLUG

SN: 52707-UP

1шт.

7

6128-11-6270

JOINT

SN: 52707-UP

1шт.

8

07000-05075

O-RING

SN: 52707-UP

1шт.

9

07000-05065

O-RING

SN: 52707-UP

1шт.

10

6128-11-6280

JOINT

SN: 52707-UP

1шт.

11

07000-05055

O-RING

SN: 52707-UP

2шт.

|12

6128-11-6800

GASKET ASS'Y

SN: 52707-UP

6шт.

12

6128-11-6810

GASKET

SN: 52707-UP

1шт.

13

6128-11-6820

SEAL,RING

SN: 52707-UP

1шт.

14

01010-31030

BOLT

SN: 52707-UP

3шт.

15

01010-31035

BOLT

SN: 52707-UP

9шт.

16

01602-01030

WASHER,SPRING

SN: 52707-UP

12шт.

17

6127-11-6520

THERMOSTAT

SN: 52707-UP

2шт.

18

6710-11-6451

SEAL

SN: 52707-UP

2шт.

19

6128-11-6410

HOUSING,THERMOSTAT

SN: 52707-UP

1шт.

20

6127-11-6430

GASKET

SN: 52707-UP

1шт.

21

01011-31000

BOLT

SN: 52707-UP

6шт.

22

01602-01030

WASHER,SPRING

SN: 52707-UP

6шт.

23

6128-11-6470

CONNECTOR

SN: 52707-UP

1шт.

24

6127-11-6470

GASKET

SN: 52707-UP

1шт.

25

6127-11-6872

BRACKET

SN: 52707-UP

1шт.

26

01010-31080

BOLT

SN: 52707-UP

2шт.

27

01010-31095

BOLT

SN: 52707-UP

2шт.

28

01602-01030

WASHER,SPRING

SN: 52707-UP

4шт.

29

01011-31210

BOLT

SN: 52707-UP

2шт.

30

01602-01236

WASHER,SPRING

SN: 52707-UP

2шт.

31

07332-01200

COUPLING

SN: 52707-UP

1шт.

|31

07332-51200

GASKET

SN: 52707-UP

2шт.

32

6128-61-6470

PIPE

SN: 52707-UP

1шт.

33

6600-01-3920

VALVE

SN: 52707-UP

1шт.

34

6128-61-6370

JOINT

SN: 52707-UP

1шт.

35

6128-61-6830

GASKET

SN: 52707-UP

2шт.

36

01010-30840

BOLT

SN: 52707-UP

4шт.

37

01602-00825

WASHER,SPRING

SN: 52707-UP

4шт.

38

6128-61-6580

CLAMP

SN: 52707-UP

1шт.

39

6128-61-6590

CLAMP

SN: 52707-UP

1шт.

40

01011-31210

BOLT

SN: 52707-UP

1шт.

41

01010-31045

BOLT

SN: 52707-UP

1шт.

42

01602-01030

WASHER,SPRING

SN: 52707-UP

1шт.

43

01643-31232

WASHER

SN: 52707-UP

1шт.

1

6127-11-6121

MANIFOLD,WATER¤ FRONT

SN: 52707-UP

1шт.

2

07042-00211

PLUG

SN: 52707-UP

1шт.

3

6128-11-6210

MANIFOLD,WATER¤ CENTER

SN: 52707-UP

1шт.

4

6128-11-6312

MANIFOLD,WATER¤ REAR

SN: 52707-UP

1шт.

5

07042-00415

PLUG

SN: 52707-UP

2шт.

6

07042-00312

PLUG

SN: 52707-UP

1шт.

7

6128-11-6270

JOINT

SN: 52707-UP

1шт.

8

07000-05075

O-RING

SN: 52707-UP

1шт.

9

07000-05065

O-RING

SN: 52707-UP

1шт.

10

6128-11-6280

JOINT

SN: 52707-UP

1шт.

11

07000-05055

O-RING

SN: 52707-UP

2шт.

|12

6128-11-6800

GASKET ASS'Y

SN: 52707-UP

6шт.

12

6128-11-6810

GASKET

SN: 52707-UP

1шт.

13

6128-11-6820

SEAL,RING

SN: 52707-UP

1шт.

14

01010-31030

BOLT

SN: 52707-UP

3шт.

15

01010-31035

BOLT

SN: 52707-UP

9шт.

16

01602-01030

WASHER,SPRING

SN: 52707-UP

12шт.

17

6127-11-6520

THERMOSTAT

SN: 52707-UP

2шт.

18

6710-11-6451

SEAL

SN: 52707-UP

2шт.

19

6128-11-6410

HOUSING,THERMOSTAT

SN: 52707-UP

1шт.

20

6127-11-6430

GASKET

SN: 52707-UP

1шт.

21

01011-31000

BOLT

SN: 52707-UP

6шт.

22

01602-01030

WASHER,SPRING

SN: 52707-UP

6шт.

23

6128-11-6470

CONNECTOR

SN: 52707-UP

1шт.

24

6127-11-6470

GASKET

SN: 52707-UP

1шт.

25

6127-11-6872

BRACKET

SN: 52707-UP

1шт.

26

01010-31080

BOLT

SN: 52707-UP

2шт.

27

01010-31095

BOLT

SN: 52707-UP

2шт.

28

01602-01030

WASHER,SPRING

SN: 52707-UP

4шт.

29

01011-31210

BOLT

SN: 52707-UP

2шт.

30

01602-01236

WASHER,SPRING

SN: 52707-UP

2шт.

31

07332-01200

COUPLING

SN: 52707-UP

1шт.

|31

07332-51200

GASKET

SN: 52707-UP

2шт.

32

6128-61-6470

PIPE

SN: 52707-UP

1шт.

33

6600-01-3920

VALVE

SN: 52707-UP

1шт.

34

6128-61-6370

JOINT

SN: 52707-UP

1шт.

35

6128-61-6830

GASKET

SN: 52707-UP

2шт.

36

01010-30840

BOLT

SN: 52707-UP

4шт.

37

01602-00825

WASHER,SPRING

SN: 52707-UP

4шт.

38

6128-61-6580

CLAMP

SN: 52707-UP

1шт.

39

6128-61-6590

CLAMP

SN: 52707-UP

1шт.

40

01011-31210

BOLT

SN: 52707-UP

1шт.

41

01010-31045

BOLT

SN: 52707-UP

1шт.

42

01602-01030

WASHER,SPRING

SN: 52707-UP

1шт.

43

01643-31232

WASHER

SN: 52707-UP

1шт.

Выбрано товаров: 90