Запчасти Komatsu D155A-2A МАСЛОНАЛИВНОЙ ПАТРУБОК И ЩУП ОСНОВН. РАМА И КОМПОНЕНТЫ

Схема запчастей Komatsu D155A-2A - МАСЛОНАЛИВНОЙ ПАТРУБОК И ЩУП ОСНОВН. РАМА И КОМПОНЕНТЫ
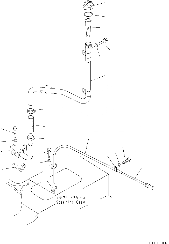
1
2
3
4
5
6
7
8
9
10
11
12
13
14
15
16
17
18
19
20
20
FIT
1:1
100%

Артикул

Название

Примечание

Количество

1

175-21-47170

TUBE

SN: 57001-UP

1шт.

2

175-21-47181

GASKET

SN: 57001-UP

1шт.

3

01010-81275

BOLT

SN: 57001-UP

3шт.

4

01643-31232

WASHER

SN: 57001-UP

3шт.

5

01010-81225

BOLT

SN: 57001-UP

3шт.

6

01643-31232

WASHER

SN: 57001-UP

3шт.

7

175-21-47141

GASKET

SN: 57001-UP

1шт.

8

01010-81230

BOLT

SN: 57001-UP

2шт.

9

01643-31232

WASHER

SN: 57001-UP

2шт.

10

08036-21414

CLIP

SN: 57001-UP

1шт.

11

01010-81220

BOLT

SN: 57001-UP

1шт.

12

01643-31232

WASHER

SN: 57001-UP

1шт.

13

07051-01000

CAP

SN: 57001-UP

1шт.

14

07051-00005

GASKET

SN: 57001-UP

1шт.

15

175-21-47160

TUBE

SN: 57001-UP

1шт.

16

07056-10045

STRAINER

SN: 57001-UP

1шт.

17

175-21-47130

GAUGE,OIL LEVEL

SN: 57001-UP

1шт.

18

175-21-47120

TUBE

SN: 57001-UP

1шт.

19

07260-24111

HOSE

SN: 57001-UP

1шт.

20

07289-00055

CLAMP

SN: 57001-UP

2шт.

Выбрано товаров: 20