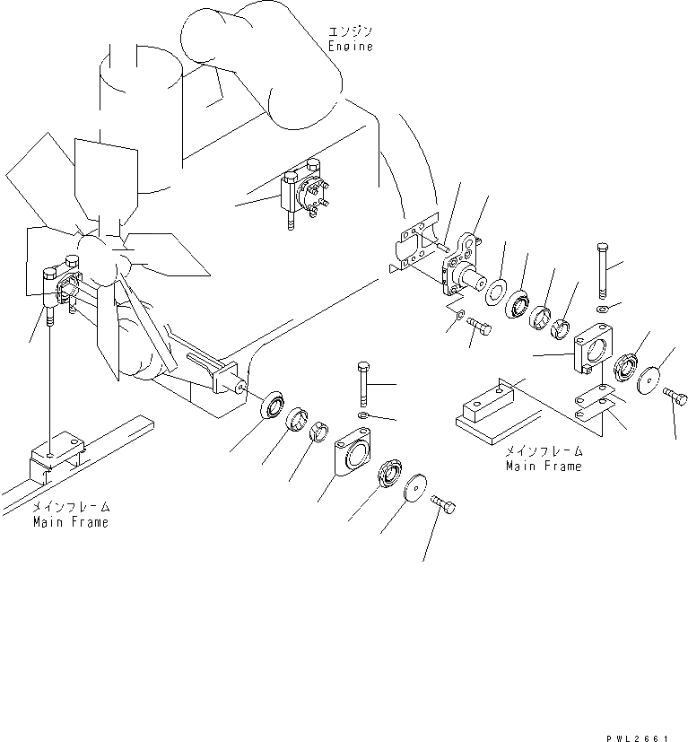
Запчасти Komatsu D155A-2A КРЕПЛЕНИЕ ДВИГАТЕЛЯ КОМПОНЕНТЫ ДВИГАТЕЛЯ

Схема запчастей Komatsu D155A-2A - КРЕПЛЕНИЕ ДВИГАТЕЛЯ КОМПОНЕНТЫ ДВИГАТЕЛЯ
1
1
2
2
3
4
5
6
7
8
8
9
9
10
11
12
13
14
15
16
17
18
19
20
21
22
23
FIT
1:1
100%

Артикул

Название

Примечание

Количество

1

175-01-71141

CAP

SN: 57001-UP

2шт.

2

154-01-21310

CUSHION

SN: 57001-UP

4шт.

3

154-01-21320

CUSHION

SN: 57001-UP

2шт.

4

154-01-21330

CUSHION

SN: 57001-UP

2шт.

5

14X-01-11140

SPACER

SN: 57001-UP

2шт.

6

154-01-21350

PLATE

SN: 57001-UP

2шт.

7

01010-81835

BOLT

SN: 57001-UP

2шт.

8

17A-21-12151

CAP

SN: 57001-UP

2шт.

9

154-01-21310

CUSHION

SN: 57001-UP

4шт.

10

154-01-21320

CUSHION

SN: 57001-UP

2шт.

11

154-01-21330

CUSHION

SN: 57001-UP

2шт.

12

154-01-21350

PLATE

SN: 57001-UP

2шт.

13

01010-81835

BOLT

SN: 57001-UP

2шт.

14

175-01-71131

PIN

SN: 57001-UP

2шт.

15

01010-81855

BOLT

SN: 57001-UP

8шт.

16

01643-31845

WASHER

SN: 57001-UP

8шт.

17

04020-01434

PIN,DOWEL

SN: 57001-UP

4шт.

18

01011-82485

BOLT

SN: 57001-UP

4шт.

19

01643-32460

WASHER

SN: 57001-UP

4шт.

20

207-70-13340

BOLT

SN: 57001-UP

4шт.

21

01643-32460

WASHER

SN: 57001-UP

4шт.

22

175-01-71150

SHIM, 1.0MM

SN: 57001-UP

4шт.

23

175-01-71160

SHIM, 0.2MM

SN: 57001-UP

20шт.

Выбрано товаров: 23