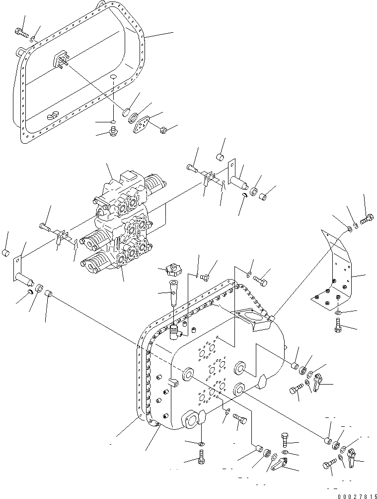
Запчасти Komatsu D155A-2A ГИДР. БАК. ЧАСТИ КОРПУСА

Схема запчастей Komatsu D155A-2A - ГИДР. БАК. ЧАСТИ КОРПУСА
1
2
3
4
5
6
7
8
9
10
11
12
13
14
15
16
17
18
19
20
21
22
22
23
23
24
24
25
25
26
26
27
27
28
28
28
28
28
29
29
29
30
30
30
31
31
32
32
32
33
33
33
34
35
36
37
38
39
40
41
42
43
44
FIT
1:1
100%

Артикул

Название

Примечание

Количество

|$16

175-60-00204

TANK VALVE ASS'Y

SN: 57001-UP

1шт.

1

701-41-11006

VALVE ASS'Y

SN: 57001-UP

1шт.

2

01010-81230

BOLT

SN: 57001-UP

3шт.

3

01602-31236

WASHER

SN: 57001-UP

3шт.

4

701-43-24002

VALVE ASS'Y

SN: 57001-UP

1шт.

5

01010-81230

BOLT

SN: 57001-UP

4шт.

6

01602-31236

WASHER

SN: 57001-UP

4шт.

7

175-60-58120

TANK

SN: 57001-UP

1шт.

8

175-60-58110

TANK

SN: 57001-UP

1шт.

9

175-60-27133

GASKET

SN: 57001-UP

1шт.

10

01010-81025

BOLT

SN: 57001-UP

55шт.

11

01602-31030

WASHER

SN: 57001-UP

55шт.

12

07715-11257

RING

SN: 57001-UP

1шт.

13

07715-00651

COVER

SN: 57001-UP

1шт.

14

07715-21074

CASE

SN: 57001-UP

1шт.

15

01598-11011

NUT

SN: 57001-UP

4шт.

16

07044-13620

PLUG

SN: 57001-UP

1шт.

17

07002-03634

O-RING

SN: 57001-UP

1шт.

18

07056-10045

STRAINER

SN: 57001-UP

1шт.

19

07051-00000

CAP

SN: 57001-UP

1шт.

19

07051-00003

GASKET

SN: 57001-UP

1шт.

20

701-30-63130

PLUG

SN: 57001-UP

1шт.

21

07002-02034

O-RING

SN: 57001-UP

1шт.

22

141-60-32170

YOKE

SN: 57001-UP

6шт.

23

04205-01028

PIN

SN: 57001-UP

6шт.

24

04050-03015

PIN

SN: 57001-UP

6шт.

25

175-60-29140

LEVER

SN: 57001-UP

3шт.

26

06600-01008

BUSHING

SN: 57001-UP

3шт.

27

04010-00519

KEY

SN: 57001-UP

3шт.

28

06120-02520

BEARING

SN: 57001-UP

6шт.

29

154-60-12370

SEAL

SN: 57001-UP

3шт.

30

01640-22440

WASHER

SN: 57001-UP

3шт.

31

175-60-29150

WASHER

SN: 57001-UP

3шт.

32

01010-81040

BOLT

SN: 57001-UP

3шт.

33

01602-21030

WASHER

SN: 57001-UP

3шт.

34

175-60-29120

LEVER

SN: 57001-UP

1шт.

35

195-60-13120

LEVER

SN: 57001-UP

1шт.

36

175-60-27310

LEVER

SN: 57001-UP

1шт.

37

175-60-27371

BRACKET

SN: 57001-UP

1шт.

38

01010-81235

BOLT

SN: 57001-UP

4шт.

39

01602-31236

WASHER

SN: 57001-UP

4шт.

40

01643-31232

WASHER

SN: 57001-UP

4шт.

41

01010-81850

BOLT

SN: 57001-UP

5шт.

42

01643-31845

WASHER

SN: 57001-UP

5шт.

43

01010-81440

BOLT

SN: 57001-UP

4шт.

44

01643-31445

WASHER

SN: 57001-UP

4шт.

Выбрано товаров: 46