Запчасти Komatsu D155A-2A VISCOUS КРЕПЛЕНИЕ И ЗАДН. КРЫШКА ЧАСТИ КОРПУСА

Схема запчастей Komatsu D155A-2A - VISCOUS КРЕПЛЕНИЕ И ЗАДН. КРЫШКА ЧАСТИ КОРПУСА
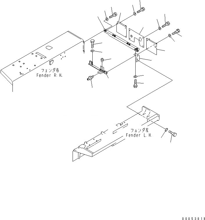
1
2
3
4
4
5
5
6
7
8
9
10
11
12
12
12
13
13
13
14
15
16
FIT
1:1
100%

Артикул

Название

Примечание

Количество

1

01010-81225

BOLT

SN: 57001-UP

2шт.

2

01643-31232

WASHER

SN: 57001-UP

2шт.

3

175-54-22196

STAY

SN: 57001-UP

1шт.

4

01010-81230

BOLT

SN: 57001-UP

3шт.

5

01643-31232

WASHER

SN: 57001-UP

3шт.

6

175-54-22273

BRACKET

SN: 57001-UP

1шт.

7

01010-81235

BOLT

SN: 57001-UP

2шт.

8

01643-31232

WASHER

SN: 57001-UP

2шт.

9

175-54-46660

COVER

SN: 57001-UP

1шт.

10

175-54-46670

COVER

SN: 57001-UP

1шт.

11

175-54-48710

COVER

SN: 57001-UP

1шт.

12

01010-81225

BOLT

SN: 57001-UP

10шт.

13

01643-31232

WASHER

SN: 57001-UP

10шт.

14

175-54-48720

BRACKET

SN: 57001-UP

1шт.

15

07042-30108

PLUG

SN: 57001-UP

4шт.

16

07213-50510

CONNECTOR

SN: 57001-UP

4шт.

Выбрано товаров: 16