Запчасти Komatsu D155A-3 ПОВОРОТН. ШКВОРЕНЬ (НАКЛОНЯЕМ. ОТВАЛ) ОСНОВН. РАМА И КОМПОНЕНТЫ

Схема запчастей Komatsu D155A-3 - ПОВОРОТН. ШКВОРЕНЬ (НАКЛОНЯЕМ. ОТВАЛ) ОСНОВН. РАМА И КОМПОНЕНТЫ
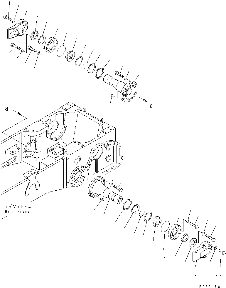
1
1
2
2
3
3
4
4
5
5
6
6
7
7
8
8
9
9
10
10
11
11
12
12
13
13
14
14
15
15
16
16
17
17
18
18
19
19
20
20
FIT
1:1
100%

Артикул

Название

Примечание

Количество

1

17A-50-11111

SHAFT

SN: 60001-UP

2шт.

1

0

SHAFT

SN: (60001-60220)

2шт.

2

01010-62475

BOLT

SN: 60001-UP

30шт.

3

01643-32460

WASHER

SN: 60001-UP

30шт.

4

07049-02430

PLUG

SN: 60001-UP

4шт.

5

17A-50-11151

RING

SN: 60001-UP

2шт.

5

0

RING

SN: (60001-60220)

2шт.

6

17A-50-11140

SEAL

SN: 60001-UP

2шт.

7

07000-12125

O-RING

SN: 60001-UP

2шт.

8

17A-50-11160

SPACER

SN: 60001-UP

2шт.

9

17A-50-11181

PLATE

SN: 60001-UP

2шт.

10

07000-15210

O-RING

SN: 60001-UP

2шт.

11

17A-50-11271

PLATE

SN: 60001-UP

2шт.

12

01010-61680

BOLT

SN: 60001-UP

12шт.

13

01643-31645

WASHER

SN: 60001-UP

12шт.

14

14Y-30-18150

SEAL

SN: 60001-UP

2шт.

15

17A-50-11190

COVER

SN: 60001-UP

2шт.

16

01011-61605

BOLT

SN: 60001-UP

12шт.

17

01643-31645

WASHER

SN: 60001-UP

12шт.

18

17A-50-11231

COVER

SN: 60001-UP

2шт.

19

01010-61645

BOLT

SN: 60001-UP

10шт.

20

01643-31645

WASHER

SN: 60001-UP

10шт.

Выбрано товаров: 22