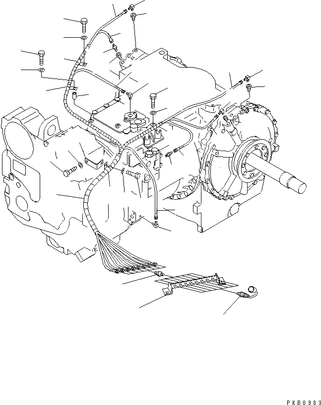
Запчасти Komatsu D155A-3 КОНЦЕНТР. ТРУБЫ СИЛОВАЯ ПЕРЕДАЧА И КОНЕЧНАЯ ПЕРЕДАЧА

Схема запчастей Komatsu D155A-3 - КОНЦЕНТР. ТРУБЫ СИЛОВАЯ ПЕРЕДАЧА И КОНЕЧНАЯ ПЕРЕДАЧА
1
2
3
4
5
6
7
8
9
10
11
12
13
14
15
15
16
16
17
18
19
20
21
22
23
24
25
26
27
28
29
30
31
32
33
34
35
36
FIT
1:1
100%

Артикул

Название

Примечание

Количество

|$$1

SERIAL NO. IN ( ) INDICATES POWER LINE SERIAL NO.

-1шт.

1

17A-49-17111

BLOCK

SN: 60001-UP

1шт.

2

195-49-36120

NIPPLE

SN: 60001-UP

7шт.

3

203-62-21740

NIPPLE

SN: 60001-UP

7шт.

4

17A-49-11811

HOSE ASS'Y

SN: 60001-UP

1шт.

5

17A-49-17510

HOSE, 1300MM

SN: 60001-UP

1шт.

6

17A-49-17521

HOSE

SN: 60001-UP

1шт.

7

17A-49-17571

HOSE

SN: 60001-UP

1шт.

8

17A-49-17141

HOSE

SN: 60001-UP

1шт.

9

17A-49-17710

HOSE

SN: 60001-UP

1шт.

10

17A-49-17151

HOSE, 1450MM

SN: 60001-UP

1шт.

11

17A-49-17721

HOSE, 1600MM

SN: 60001-UP

1шт.

12

202-62-21430

ELBOW

SN: 60001-UP

1шт.

13

203-62-21740

NIPPLE

SN: 60001-UP

1шт.

14

202-62-21430

ELBOW

SN: 60001-UP

1шт.

15

21T-38-11390

BUSHING

SN: 60001-UP

2шт.

16

202-62-21430

ELBOW

SN: 60001-UP

2шт.

17

21T-38-11390

BUSHING

SN: 60001-UP

1шт.

18

203-62-21740

NIPPLE

SN: 60001-UP

1шт.

19

21T-38-11390

BUSHING

SN: 60001-UP

1шт.

20

202-62-21430

ELBOW

SN: 60001-UP

1шт.

21

17A-49-11991

BRACKET

SN: 60001-UP

1шт.

22

01010-81245

BOLT

SN: (50850)-UP

1шт.

22

01010-81240

BOLT

SN: 60001-(50849)

1шт.

23

01643-31232

WASHER

SN: 60001-UP

1шт.

24

08036-03014

CLIP

SN: 60001-UP

1шт.

25

01010-81020

BOLT

SN: 60001-UP

1шт.

26

01643-31032

WASHER

SN: 60001-UP

1шт.

27

195-01-16140

SPACER

SN: 60001-UP

1шт.

28

08036-01814

CLIP

SN: 60001-UP

1шт.

29

01010-81270

BOLT

SN: 60001-UP

1шт.

30

01643-31232

WASHER

SN: 60001-UP

1шт.

31

08036-01814

CLIP

SN: 60001-UP

1шт.

32

01010-81016

BOLT

SN: 60001-UP

1шт.

33

01643-31032

WASHER

SN: 60001-UP

1шт.

34

08036-01814

CLIP

SN: 60001-UP

1шт.

35

01010-81285

BOLT

SN: 60001-UP

1шт.

36

01643-31232

WASHER

SN: 60001-UP

1шт.

Выбрано товаров: 38