Запчасти Komatsu D155A-3 ЛИНИЯ КОМПРЕССОРА (/) КОМПОНЕНТЫ ДВИГАТЕЛЯ

Схема запчастей Komatsu D155A-3 - ЛИНИЯ КОМПРЕССОРА (/) КОМПОНЕНТЫ ДВИГАТЕЛЯ
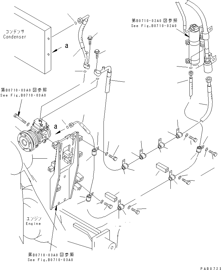
1
2
3
3
4
5
5
6
6
7
7
7
8
8
8
9
9
9
10
10
10
11
11
12
12
13
13
14
14
15
15
16
16
17
18
19
19
19
19
20
20
20
20
21
22
FIT
1:1
100%

Артикул

Название

Примечание

Количество

1

11Y-979-5450

AIR COMPRESSOR A.

SN: .-UP

1шт.

1

0

AIR COMPRESSOR A.

SN: 60874-.

1шт.

1

0

AIR COMPRESSOR A.

SN: 60001-60873

1шт.

2

17A-911-1441

HOSE

SN: 60001-UP

1шт.

3

20Y-979-3140

O-RING

SN: 60001-UP

2шт.

4

01435-00630

BOLT

SN: 60001-UP

1шт.

5

17A-911-1452

HOSE

SN: 60272-UP

1шт.

5

0

HOSE

SN: 60001-60271

1шт.

6

20Y-979-3150

O-RING

SN: 60001-UP

2шт.

7

04434-52511

CLIP

SN: 60001-UP

3шт.

8

07095-20318

CUSHION

SN: 60001-UP

3шт.

9

01010-81020

BOLT

SN: 60001-UP

3шт.

10

01643-31032

WASHER

SN: 60001-UP

3шт.

11

04434-52511

CLIP

SN: 60001-UP

2шт.

12

07095-20318

CUSHION

SN: 60001-UP

2шт.

13

175-06-25180

SPACER

SN: 60001-UP

2шт.

14

01010-81095

BOLT

SN: 60272-UP

2шт.

|$22

01011-81035

BOLT

SN: 60001-60271

2шт.

15

01643-31032

WASHER

SN: 60001-UP

2шт.

16

17A-911-1462

HOSE

SN: 60272-UP

1шт.

16

0

HOSE

SN: 60001-60271

1шт.

17

20Y-979-3130

O-RING

SN: 60001-UP

1шт.

18

01435-00630

BOLT

SN: 60001-UP

1шт.

19

04434-52712

CLIP

SN: 60004-UP

4шт.

19

04434-52511

CLIP

SN: 60001-60003

4шт.

20

07095-20420

CUSHION

SN: 60004-UP

4шт.

20

07095-20318

CUSHION

SN: 60001-60003

4шт.

21

01010-81020

BOLT

SN: 60001-UP

1шт.

22

01643-31032

WASHER

SN: 60001-UP

1шт.

Выбрано товаров: 29