Запчасти Komatsu D155A-5 ДЕРЖАТЕЛЬ АККУМ. И STARTING WВОЗД.ING Э/ПРОВОДКА (ДЛЯ ДОПОЛН. ОБОГРЕВАТ) (ХОЛОДН. (B) СПЕЦ-Я.)(№9-) ЧАСТИ КОРПУСА

Схема запчастей Komatsu D155A-5 - ДЕРЖАТЕЛЬ АККУМ. И STARTING WВОЗД.ING Э/ПРОВОДКА (ДЛЯ ДОПОЛН. ОБОГРЕВАТ) (ХОЛОДН. (B) СПЕЦ-Я.)(№9-) ЧАСТИ КОРПУСА
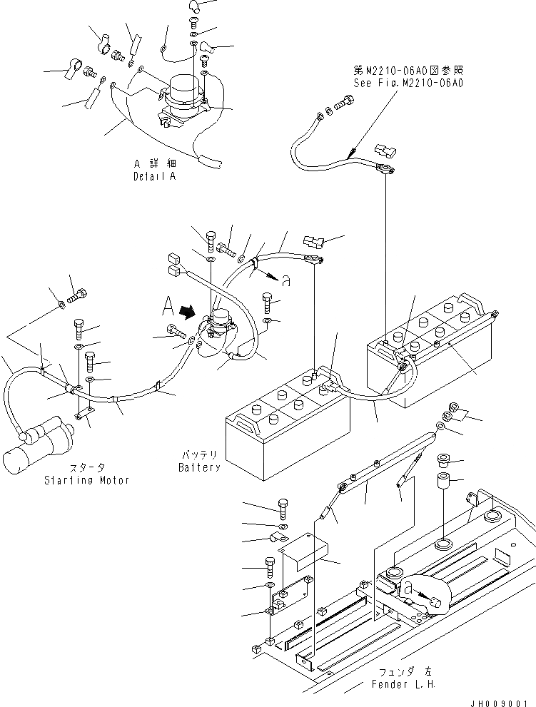
1
2
3
4
5
6
7
7
8
8
9
10
11
12
13
14
15
16
17
18
19
20
21
21
22
22
23
24
25
26
27
28
29
30
31
31
32
33
34
35
36
36
36
37
38
39
39
40
40
41
41
42
43
44
45
FIT
1:1
100%

Артикул

Название

Примечание

Количество

1

195-54-42550

CUSHION

SN: 65275-UP

6шт.

2

195-54-42560

BOSS

SN: 65275-UP

6шт.

3

04434-52712

CLIP

SN: 65275-UP

1шт.

4

07095-30420

CUSHION

SN: 65275-UP

1шт.

5

01010-81220

BOLT

SN: 65275-UP

1шт.

6

01643-31232

WASHER

SN: 65275-UP

1шт.

7

195-06-19461

HOLDER

SN: 65275-UP

1шт.

8

175-06-39621

ROD

SN: 65275-UP

4шт.

9

01580-11008

NUT

SN: 65275-UP

8шт.

10

01643-31032

WASHER

SN: 65275-UP

4шт.

11

08088-30000

SWITCH

SN: 65275-UP

1шт.

12

01010-80820

BOLT

SN: 65275-UP

2шт.

13

01643-30823

WASHER

SN: 65275-UP

2шт.

14

17A-06-11810

BRACKET

SN: 65275-UP

1шт.

15

01010-81225

BOLT

SN: 65275-UP

2шт.

16

01643-31232

WASHER

SN: 65275-UP

2шт.

17

17A-06-11820

PLATE

SN: 65275-UP

1шт.

18

01010-81220

BOLT

SN: 65275-UP

2шт.

19

01643-31232

WASHER

SN: 65275-UP

2шт.

20

08028-75040

CABLE, BATTERY

SN: 65275-UP

1шт.

21

08038-62511

CAP

SN: 65275-UP

2шт.

22

08028-75050

CABLE, BATTERY

SN: 65275-UP

1шт.

23

08038-62511

CAP

SN: 65275-UP

1шт.

24

08038-10035

CAP

SN: 65275-UP

1шт.

25

209-06-19680

WIRE

SN: 65275-UP

1шт.

26

08038-10519

CAP

SN: 65275-UP

1шт.

27

08038-12027

CAP

SN: 65275-UP

1шт.

28

01640-20408

WASHER

SN: 65275-UP

1шт.

29

01010-80816

BOLT

SN: 65275-UP

1шт.

30

01643-30823

WASHER

SN: 65275-UP

1шт.

31

17A-06-21590

WIRING HARNESS

SN: 65275-UP

1шт.

32

154-06-13130

CAP

SN: 65275-UP

1шт.

33

154-Z11-5340

BRACKET

SN: 66292-UP

1шт.

34

01010-81220

BOLT

SN: 66292-UP

1шт.

35

01643-31232

WASHER

SN: 66292-UP

1шт.

36

08035-03014

CLIP

SN: 65275-UP

3шт.

37

04434-53412

CLIP

SN: 65275-UP

1шт.

38

198-06-53630

CUSHION

SN: 65275-UP

1шт.

39

01010-81220

BOLT

SN: 65275-UP

4шт.

40

01643-31232

WASHER

SN: 65275-UP

4шт.

41

17A-06-21610

WIRING HARNESS

SN: 65275-UP

1шт.

42

04434-51412

CLIP

SN: 65275-UP

1шт.

43

04434-51812

CLIP

SN: 65275-UP

1шт.

44

01010-81220

BOLT

SN: 65275-UP

1шт.

45

01643-31232

WASHER

SN: 65275-UP

1шт.

Выбрано товаров: 45