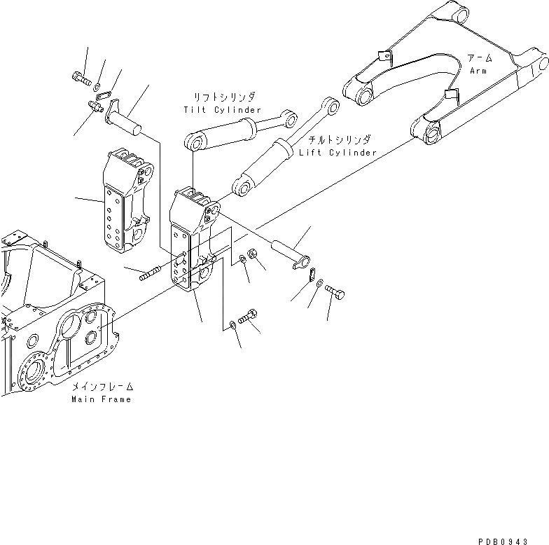
Запчасти Komatsu D155A-5 РЫХЛИТЕЛЬ КРЕПЛЕНИЕ РАБОЧЕЕ ОБОРУДОВАНИЕ

Схема запчастей Komatsu D155A-5 - РЫХЛИТЕЛЬ КРЕПЛЕНИЕ РАБОЧЕЕ ОБОРУДОВАНИЕ
1
2
3
4
5
6
7
8
9
10
11
12
13
14
15
16
FIT
1:1
100%

Артикул

Название

Примечание

Количество

1

17A-78-11111

BRACKET

SN: 65001-UP

1шт.

2

17A-78-11281

PIN

SN: 65001-UP

2шт.

3

195-78-21171

PLATE

SN: 65001-UP

2шт.

4

01010-62040

BOLT

SN: 65001-UP

4шт.

5

01643-32060

WASHER

SN: 65001-UP

4шт.

6

07020-00000

FITTING,GREASE

SN: 65001-UP

2шт.

7

17A-78-11170

PIN

SN: 65001-UP

2шт.

8

15A-78-11240

PLATE

SN: 65001-UP

2шт.

9

01010-62040

BOLT

SN: 65001-UP

4шт.

10

01643-32060

WASHER

SN: 65001-UP

4шт.

11

17A-78-11121

BRACKET

SN: 65001-UP

1шт.

12

01018-33990

BOLT

SN: 65001-UP

14шт.

13

195-69-11140

WASHER

SN: 65001-UP

14шт.

14

195-78-11270

STUD

SN: 65001-UP

4шт.

15

195-69-11131

NUT

SN: 65001-UP

4шт.

16

195-69-11140

WASHER

SN: 65001-UP

4шт.

Выбрано товаров: 16