Запчасти Komatsu SA6D140E-2A-7D ТОПЛ. НАСОС ЗАЩИТА(№887-) ДВИГАТЕЛЬ

Схема запчастей Komatsu SA6D140E-2A-7D - ТОПЛ. НАСОС ЗАЩИТА(№887-) ДВИГАТЕЛЬ
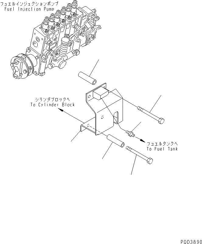
1
2
2
3
3
4
1
2
2
3
3
4
FIT
1:1
100%

Артикул

Название

Примечание

Количество

1

6210-72-3971

COVER,SAFETY

SN: 25887-UP

1шт.

2

6215-71-6190

SPACER

SN: 25887-UP

4шт.

3

01011-81010

BOLT

SN: 25887-UP

4шт.

4

07238-10210

CONNECTOR

SN: 25887-UP

1шт.

1

6210-72-3971

COVER,SAFETY

SN: 25887-UP

1шт.

2

6215-71-6190

SPACER

SN: 25887-UP

4шт.

3

01011-81010

BOLT

SN: 25887-UP

4шт.

4

07238-10210

CONNECTOR

SN: 25887-UP

1шт.

Выбрано товаров: 8