Запчасти Komatsu D155A-5 C.L.S.S. КЛАПАН ЧАСТИ КОРПУСА

Схема запчастей Komatsu D155A-5 - C.L.S.S. КЛАПАН ЧАСТИ КОРПУСА
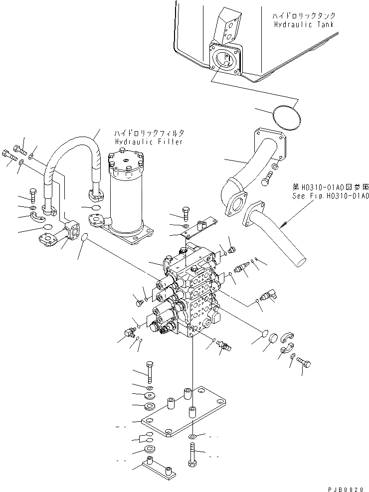
1
2
3
4
5
6
7
8
9
10
11
12
13
14
15
15
16
16
17
18
19
20
21
22
23
23
24
25
26
27
28
29
30
31
32
33
33
34
35
36
37
38
39
39
40
41
42
43
44
FIT
1:1
100%

Артикул

Название

Примечание

Количество

1

723-64-11200

CONTROL VALVE

SN: 65001-UP

1шт.

2

17A-61-16351

PLATE

SN: 65001-UP

1шт.

3

01010-80816

BOLT

SN: 65001-UP

2шт.

4

01643-30823

WASHER

SN: 65001-UP

2шт.

5

17A-49-16460

ELBOW

SN: 65001-UP

1шт.

6

07002-01423

O-RING

SN: 65001-UP

1шт.

7

20Y-62-22271

ELBOW

SN: 65001-UP

2шт.

8

201-60-11390

O-RING

SN: 65001-UP

1шт.

9

20Y-62-19560

O-RING

SN: 65001-UP

1шт.

10

07002-11423

O-RING

SN: 65001-UP

2шт.

11

20Y-62-25720

ELBOW

SN: 65001-UP

2шт.

12

201-60-11390

O-RING

SN: 65001-UP

1шт.

13

20Y-62-19560

O-RING

SN: 65001-UP

1шт.

14

07002-01423

O-RING

SN: 65001-UP

2шт.

15

07040-11409

PLUG

SN: 65001-UP

4шт.

16

07002-01423

O-RING

SN: 65001-UP

4шт.

17

17A-49-16460

ELBOW

SN: 65001-UP

1шт.

18

07002-01423

O-RING

SN: 65001-UP

1шт.

19

17A-60-13381

TUBE

SN: 65001-UP

1шт.

20

07000-73035

O-RING

SN: 65001-UP

1шт.

21

01010-81060

BOLT

SN: 65001-UP

2шт.

22

01010-81055

BOLT

SN: 65001-UP

2шт.

23

01643-31032

WASHER

SN: 65001-UP

4шт.

24

07371-31049

FLANGE

SN: 65001-UP

8шт.

25

07372-21035

BOLT

SN: 65001-UP

16шт.

26

01643-51032

WASHER

SN: 65001-UP

16шт.

27

07378-11000

HEAD

SN: 65001-UP

4шт.

28

07000-13032

O-RING

SN: 65001-UP

4шт.

29

17A-60-12311

BRACKET

SN: 65001-UP

1шт.

30

01010-81485

BOLT

SN: 65001-UP

3шт.

31

01643-31445

WASHER

SN: 65001-UP

3шт.

32

17A-60-12321

BRACKET

SN: 65001-UP

2шт.

33

14X-60-12120

CUSHION

SN: 65001-UP

8шт.

34

07000-13025

O-RING

SN: 65001-UP

8шт.

35

561-74-61750

WASHER

SN: 65001-UP

4шт.

36

01010-81280

BOLT

SN: 65001-UP

4шт.

37

01643-31232

WASHER

SN: 65001-UP

4шт.

38

07296-41208

HOSE

SN: 65001-UP

1шт.

39

07000-73038

O-RING

SN: 65001-UP

2шт.

40

07371-31255

FLANGE

SN: 65001-UP

4шт.

41

07372-21035

BOLT

SN: 65001-UP

8шт.

42

01643-51032

WASHER

SN: 65001-UP

8шт.

43

17A-60-14251

TUBE

SN: 65001-UP

1шт.

44

07000-12135

O-RING

SN: 65001-UP

1шт.

Выбрано товаров: 44