Запчасти Komatsu D155A-5 КЛАПАН КУЗОВ СИЛОВАЯ ПЕРЕДАЧА И КОНЕЧНАЯ ПЕРЕДАЧА

Схема запчастей Komatsu D155A-5 - КЛАПАН КУЗОВ СИЛОВАЯ ПЕРЕДАЧА И КОНЕЧНАЯ ПЕРЕДАЧА
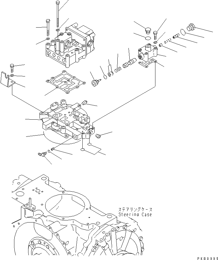
1
2
3
4
4
5
6
7
8
9
10
11
12
13
14
15
16
17
18
19
20
21
22
22
23
24
25
26
27
28
29
30
FIT
1:1
100%

Артикул

Название

Примечание

Количество

1

14X-40-11491

GASKET

SN: 65001-UP

1шт.

2

01011-81005

BOLT

SN: 65001-UP

7шт.

3

01011-81075

BOLT

SN: 65001-UP

2шт.

4

01643-31032

WASHER

SN: 65001-UP

9шт.

5

14X-49-13110

VALVE BODY

SN: 65001-UP

1шт.

6

14X-49-13120

SPOOL

SN: 65001-UP

1шт.

7

14X-40-11390

SPRING

SN: 65001-UP

1шт.

8

14Z-40-11350

SHIM, 0.05MM

SN: 65001-UP

2шт.

9

22W-75-18880

VALVE

SN: 65001-UP

1шт.

10

22W-75-18890

VALVE

SN: 65001-UP

1шт.

11

125-15-15290

SPRING

SN: 65001-UP

1шт.

12

14X-40-11251

PLUG

SN: 65001-UP

1шт.

13

07002-32434

O-RING

SN: 65001-UP

1шт.

14

07040-12412

PLUG

SN: 65001-UP

1шт.

15

07002-32434

O-RING

SN: 65001-UP

1шт.

16

07040-12012

PLUG

SN: 65001-UP

1шт.

17

07002-32034

O-RING

SN: 65001-UP

1шт.

18

14X-49-13130

GASKET

SN: 65001-UP

1шт.

19

01010-80870

BOLT

SN: 65001-UP

4шт.

20

01643-30823

WASHER

SN: 65001-UP

4шт.

21

17A-22-16130

COVER

SN: 65001-UP

1шт.

22

07042-70312

PLUG

SN: 65001-UP

6шт.

23

17A-22-16250

PLUG

SN: 65001-UP

1шт.

24

20B-62-31610

ELBOW

SN: 65001-UP

1шт.

25

07002-02034

O-RING

SN: 65001-UP

1шт.

26

17A-43-25320

BRACKET

SN: 65001-UP

1шт.

27

01010-81025

BOLT

SN: 65001-UP

2шт.

28

01643-31032

WASHER

SN: 65001-UP

2шт.

29

07000-05260

O-RING

SN: 65001-UP

1шт.

30

07000-71009

O-RING

SN: 65001-UP

2шт.

Выбрано товаров: 30