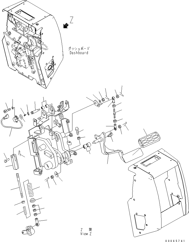
Запчасти Komatsu D155A-6 ПРИБОРНАЯ ПАНЕЛЬ (ПЕДАЛЬ УПРАВЛ-Е) (/)(№8-) КАБИНА ОПЕРАТОРА И СИСТЕМА УПРАВЛЕНИЯ

Схема запчастей Komatsu D155A-6 - ПРИБОРНАЯ ПАНЕЛЬ (ПЕДАЛЬ УПРАВЛ-Е) (/)(№8-) КАБИНА ОПЕРАТОРА И СИСТЕМА УПРАВЛЕНИЯ
1
2
3
4
5
6
7
8
9
10
11
12
13
14
15
16
17
18
19
20
21
22
23
24
25
26
27
28
29
30
31
32
33
34
35
36
37
38
39
40
FIT
1:1
100%

Артикул

Название

Примечание

Количество

1

17A-43-41531

YOKE

SN: 85001-UP

1шт.

2

04250-81056

END

SN: 85001-UP

1шт.

3

01582-11008

NUT

SN: 85001-UP

3шт.

4

17A-43-41521

GUIDE

SN: 85001-UP

1шт.

5

714-10-17151

SPRING

SN: 85001-UP

1шт.

6

202-970-1220

WASHER

SN: 85001-UP

1шт.

7

700-92-11690

SPRING

SN: 85001-UP

1шт.

8

17A-43-41511

ROD

SN: 85001-UP

1шт.

9

04205-11038

PIN

SN: 85001-UP

1шт.

10

04050-13020

PIN

SN: 85001-UP

1шт.

11

17A-43-41131

PEDAL

SN: 85001-UP

1шт.

12

06123-02020

BEARING

SN: 85001-UP

2шт.

13

01593-31008

NUT

SN: 85001-UP

1шт.

14

04050-12018

PIN

SN: 85001-UP

1шт.

15

175-54-88110

WASHER

SN: 85001-UP

1шт.

16

07020-00000

FITTING

SN: 85001-UP

1шт.

17

14X-43-13760

CAP

SN: 85001-UP

1шт.

18

09311-41237

BUMPER

SN: 85001-UP

1шт.

19

01580-11210

NUT

SN: 85001-UP

1шт.

20

01590-30809

NUT

SN: 85001-UP

1шт.

21

04050-12015

PIN

SN: 85001-UP

1шт.

22

04250-80847

END

SN: 85001-UP

1шт.

23

01580-10806

NUT

SN: 85001-UP

1шт.

24

04248-30808

ROD

SN: 85001-UP

1шт.

25

01508-40805

NUT

SN: 85001-UP

1шт.

26

04250-90847

END

SN: 85001-UP

1шт.

27

01590-30809

NUT

SN: 85001-UP

1шт.

28

04050-12015

PIN

SN: 85001-UP

1шт.

29

17A-06-41980

SENSOR

SN: 85001-UP

1шт.

30

01252-70414

BOLT

SN: 85001-UP

2шт.

31

01640-20408

WASHER

SN: 85001-UP

2шт.

32

12Y-43-12160

PLATE

SN: 85001-UP

1шт.

33

142-43-13180

SPRING

SN: 85001-UP

1шт.

34

04064-01610

RING

SN: 85001-UP

1шт.

35

17A-43-41161

SHAFT

SN: 85001-UP

1шт.

36

06123-01414

BEARING

SN: 85001-UP

2шт.

37

17A-43-41152

LEVER

SN: 85001-UP

1шт.

38

01643-30823

WASHER

SN: 85001-UP

1шт.

39

01590-30809

NUT

SN: 85001-UP

1шт.

40

04050-12015

PIN

SN: 85001-UP

1шт.

Выбрано товаров: 40